电脑桌面
添加小米粒文库到电脑桌面
安装后可以在桌面快捷访问

客户满意度调查程序VIP专享VIP免费

客户满意度调查程序_第1页
1/4
客户满意度调查程序_第2页
2/4
客户满意度调查程序_第3页
3/4
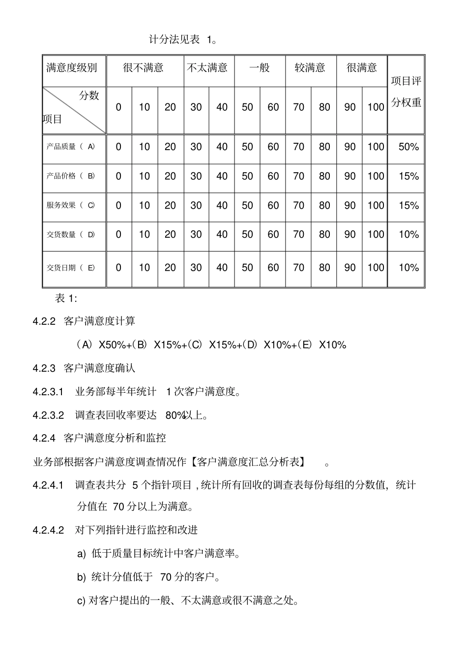
1 目的通过对客户满意度的调查, 了解本公司是否正确理解并满足客户当前和未来的需求和期望 , 根据调查结果改进质量管理体系, 不断提高客户的满意程度。2 适用范围适用于本公司客户对产品品质、数量、交付、包装、服务等相关的满意或不满意事项。3职责和权限业务部:负责发出和回收客户满意度调查表. 收集与客户满意度有关的信息. 各相关部门:根据客户满意度调查结果和有关信息, 采取必要的纠正、预防和改进措施。4 工作程序4.1 收集客户满意或不满意信息4.1.1 业务部 每半年 填写 1 次【客户满意度调查表】进行客户满意度调查(主要针对我们的老客户 ), 并作好记录,调查方式可以去客户处、电话、传真、邮件等。4.1.2 任何部门收到客户满意或不满意意见、建议均需记录在【联络函】中, 并转交品质部。4.1.3 品质部组织各部门负责人, 分析业务状况、客户对产品的要求、满意程度等。4.2 分析收集信息4.2.1 业务部对收集的客户满意或不满意信息采用分级法和计分法分析。(1) 分级法: 将客户满意或不满意程度分为五级:很不满意、不太满意、一般、较满意、很满意。级别及对应分数见附表1。(2) 计分法: 将调查范围分为五个项目,客户对每个项目根据满意度级别予以计分,然后根据每项目得分和权重, 计算出客户满意度。计分法见表 1。满意度级别很不满意不太满意一般较满意很满意项目评分权重分数项目0 10 20 30 40 50 60 70 80 90 100 产品质量( A)0 10 20 30 40 50 60 70 80 90 100 50% 产品价格( B)0 10 20 30 40 50 60 70 80 90 100 15% 服务效果( C)0 10 20 30 40 50 60 70 80 90 100 15% 交货数量( D)0 10 20 30 40 50 60 70 80 90 100 10% 交货日期( E)0 10 20 30 40 50 60 70 80 90 100 10% 表 1: 4.2.2 客户满意度计算(A)X50%+(B)X15%+(C)X15%+(D)X10%+(E)X10% 4.2.3 客户满意度确认4.2.3.1业务部每半年统计1 次客户满意度。4.2.3.2调查表回收率要达80%以上。4.2.4 客户满意度分析和监控业务部根据客户满意度调查情况作【客户满意度汇总分析表】。4.2.4.1调查表共分 5 个指针项目 , 统计所有回收的调查表每份每组的分数值,统计分值在 70 分以上为满意。4.2.4.2对下列指针进行监控和改进a) 低于质量目标统计中客户满意率。b) 统计分值低于 70 分的客户。c) 对客户提出的一般、不太满意或...

1、当您付费下载文档后,您只拥有了使用权限,并不意味着购买了版权,文档只能用于自身使用,不得用于其他商业用途(如 [转卖]进行直接盈利或[编辑后售卖]进行间接盈利)。
2、本站所有内容均由合作方或网友上传,本站不对文档的完整性、权威性及其观点立场正确性做任何保证或承诺!文档内容仅供研究参考,付费前请自行鉴别。
3、如文档内容存在违规,或者侵犯商业秘密、侵犯著作权等,请点击“违规举报”。

碎片内容

客户满意度调查程序

确认删除?
VIP
微信客服
  • 扫码咨询
会员Q群
  • 会员专属群点击这里加入QQ群
客服邮箱
回到顶部