电脑桌面
添加小米粒文库到电脑桌面
安装后可以在桌面快捷访问

室内外装饰抹灰工程技术交底VIP免费

室内外装饰抹灰工程技术交底_第1页
1/3
室内外装饰抹灰工程技术交底_第2页
2/3
室内外装饰抹灰工程技术交底_第3页
3/3
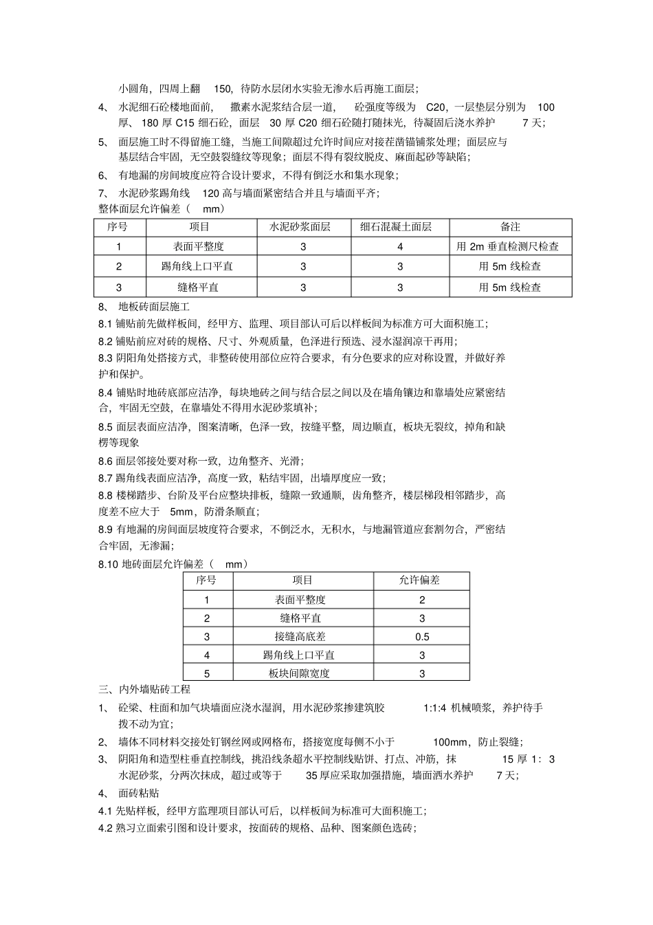
室内外装饰抹灰工程技术交底一、室内粉刷工程基本规定:1、严格按施工图设计总说明,图纸会审纪要及变更通知单施工;2、严格按实验室出的砂浆配合比施工,不得混用,超过水泥凝结时间的砂浆不得使用;3、抹灰总厚度大于或等于35mm 时应采取加强措施;4、不同材料的基体交接处应采取加强措施;5、先做样板间,经甲方、监理和项目部验收符合要求方可大面积施工,以样板间为标准,否则终止施工,因施工原因造成的质量问题由施工方承担一切责任;质量要求:1、 本工程注明有洁净要求的实验室为高级抹灰,其它未注明的房间均为普通抹灰;2、 抹灰前基层表面的尘土,污垢,油渍等应清除干净,并应充分浇水湿润;3、 砼和加气块墙面用机械喷浆1:1:4 水泥砂浆建筑胶,待手拨不动为宜;4、 抹灰应分层以进行,不同材料交接处表面抹灰应钉网或粘贴网格布,搭接宽度不应小于100mm,室内墙面、柱面和门洞口的阳角均用1:2 水泥砂浆护角,高度不小应底于2m,宽度不应小于50mm; 5、 各抹灰层之间及抹灰与基体之间必须粘结牢固,墙面及时浇水养护, 抹灰层不得有脱层,空鼓和裂缝等现象出现;6、 抹灰层表面应光滑洁净,接茬平整,颜色均匀无抹纹,棱角应顺直整齐,分格缝和灰条应清晰美观;7、 护角、孔洞、槽、合周围的抹灰表面应整齐、光滑;管道后面的抹灰表面应平整;8、 先贴饼、打点、冲筋,严格控制开间净深和宽度尺寸,确保房间方正;9、 抹灰层的厚度应控制在12mm~15mm之间,水泥浆不得抹在混合砂浆层上,混合砂浆不得抹在水泥砂浆层上,总之砂浆不得混用,严禁使用超过水泥凝固时间的砂浆,更不能使用隔夜灰;10、有排水的部位应做滴水线(槽),滴水线(槽)应整齐顺直,滴水线应内高外低,滴水槽的宽度和深度均不应小于10mm;11、外墙门窗洞口待外墙面砖完成后再粉洞口与面砖抹平,保证洞口的净尺寸和方正;12、一般抹灰允许偏差序号项目允许偏差( mm)备注普通抹灰高级抹灰1 立面垂直度4 3 用 2m 垂直检测尺检查2 表面平整度4 3 用 2m 垂直检测尺检查3 阴阳角方正4 3 用 2m 垂直检测尺检查4 分格 (条) 缝直线度4 3 用 2m 垂直检测尺检查5 墙裙勒脚上口直线度4 3 用 2m 垂直检测尺检查二、楼地面工程1、 粉刷结束后,人工配合机械清理楼地面,阴角处人工剔凿清扫干净;2、 弹 50 控制线,控制房间及相临房间的标高,设有地漏的房间按0.5%的坡度坡向地漏,不得有集水或倒流水;3、 卫生间和有水...

1、当您付费下载文档后,您只拥有了使用权限,并不意味着购买了版权,文档只能用于自身使用,不得用于其他商业用途(如 [转卖]进行直接盈利或[编辑后售卖]进行间接盈利)。
2、本站所有内容均由合作方或网友上传,本站不对文档的完整性、权威性及其观点立场正确性做任何保证或承诺!文档内容仅供研究参考,付费前请自行鉴别。
3、如文档内容存在违规,或者侵犯商业秘密、侵犯著作权等,请点击“违规举报”。

碎片内容

室内外装饰抹灰工程技术交底

您可能关注的文档

确认删除?
VIP
微信客服
  • 扫码咨询
会员Q群
  • 会员专属群点击这里加入QQ群
客服邮箱
回到顶部