电脑桌面
添加小米粒文库到电脑桌面
安装后可以在桌面快捷访问

室内抹灰工程质量验收标准自编VIP免费

室内抹灰工程质量验收标准自编_第1页
1/4
室内抹灰工程质量验收标准自编_第2页
2/4
室内抹灰工程质量验收标准自编_第3页
3/4
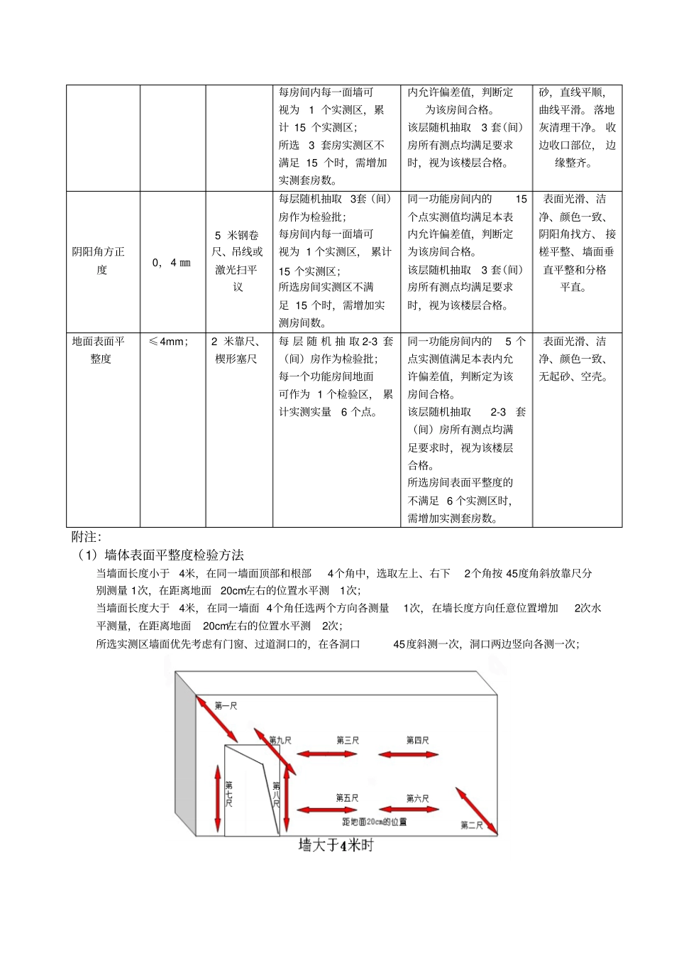
室内抹灰工程质量验收标准1、标准:普通抹灰(最少两遍成活)2、质量要求 :合格,检查验收标准按附表1《室内墙面抹灰工程质量验收控制表》相关要求。3、工序:吊立线→贴灰饼→做冲筋→抹底层灰(聚合物砂浆,分层赶平)→粘贴耐碱纤维网→抹面灰→最后压光。4、抹灰层厚度控制 :总厚度≤ 20mm,底层抹灰厚度 5mm~8mm,面层灰厚度 7mm~12mm。5、质量控制一般要求:(1)抹灰前,砖墙、混凝土等基层表面的灰尘、 污垢和油渍等, 应清除干净, 并洒水湿润。(2)抹灰前,应先检查基层表面的平整度,并用与打底相同的水泥砂浆贴灰饼、做冲筋。(3)抹灰砂浆均应采用机械搅拌,并要做到每盘砂浆计量准确,搅拌均匀,颜色一致。(4)严禁随意调整砂浆配合比,必须保证砂浆的强度达到设计要求。(5)严禁砂浆过时、过期使用(放置时间大于3 小时)。(6)对于面的混凝土柱、梁基层,应先作“毛化处理”(7)底层抹灰面强度达到60%~70%时间方可抹面层灰,严禁一次成型。(8)成型的抹灰层不得有裂纹、 抹痕和接槎现象。 各抹灰层之间及抹灰层与基层之间应粘结牢固不得空鼓。(9)正式抹灰作业前,按要求在次要部位做块样板,经施工、建设、监理等部门验收合格方可正式施工。(10)根据气候条件,适时对抹灰面进行养护工作。附表 1 室内墙面抹灰工程质量验收控制表检查及验收项目允许偏差检测工具检验批划分判定标准观感质量墙体表面平整度0,4mm2 米靠尺、楔形塞尺按 100 ㎡为一个检验批划分, 大面积房间和走廊按抹灰面积30 ㎡为一个检验批。每个检验批应至少抽查 10%,并不得少于3间;不足 3 间时应全数检查。所抽查墙面的所有测点实测值均满足本表内允许偏差值,判断定为该检验批合格。如有1 个测点不满足允许偏差值要求,则在该检验批内再增加 10%检查面积。颜色均匀一致,压纹平顺, 无起砂,直线平顺,曲线平滑。 落地灰清理干净。 收边收口部位, 边缘整齐。墙体垂直度0,4 ㎜2 米靠尺每层随机抽取 3套(间)房作为检验批;同一功能房间内的15个点实测值均满足本表颜色均匀一致,压纹平顺, 无起每房间内每一面墙可视为1 个实测区,累计 15 个实测区;所选3 套房实测区不满足 15 个时,需增加实测套房数。内允许偏差值,判断定为该房间合格。该层随机抽取3 套(间)房所有测点均满足要求时,视为该楼层合格。砂,直线平顺,曲线平滑。 落地灰清理干净。 收边收口部位, 边缘整齐。阴阳角方正度0,4...

1、当您付费下载文档后,您只拥有了使用权限,并不意味着购买了版权,文档只能用于自身使用,不得用于其他商业用途(如 [转卖]进行直接盈利或[编辑后售卖]进行间接盈利)。
2、本站所有内容均由合作方或网友上传,本站不对文档的完整性、权威性及其观点立场正确性做任何保证或承诺!文档内容仅供研究参考,付费前请自行鉴别。
3、如文档内容存在违规,或者侵犯商业秘密、侵犯著作权等,请点击“违规举报”。

碎片内容

室内抹灰工程质量验收标准自编

您可能关注的文档

爱的疯狂+ 关注
实名认证
内容提供者

该用户很懒,什么也没介绍

确认删除?
VIP
微信客服
  • 扫码咨询
会员Q群
  • 会员专属群点击这里加入QQ群
客服邮箱
回到顶部