电脑桌面
添加小米粒文库到电脑桌面
安装后可以在桌面快捷访问

室内环境检测与治理VIP免费

室内环境检测与治理_第1页
1/13
室内环境检测与治理_第2页
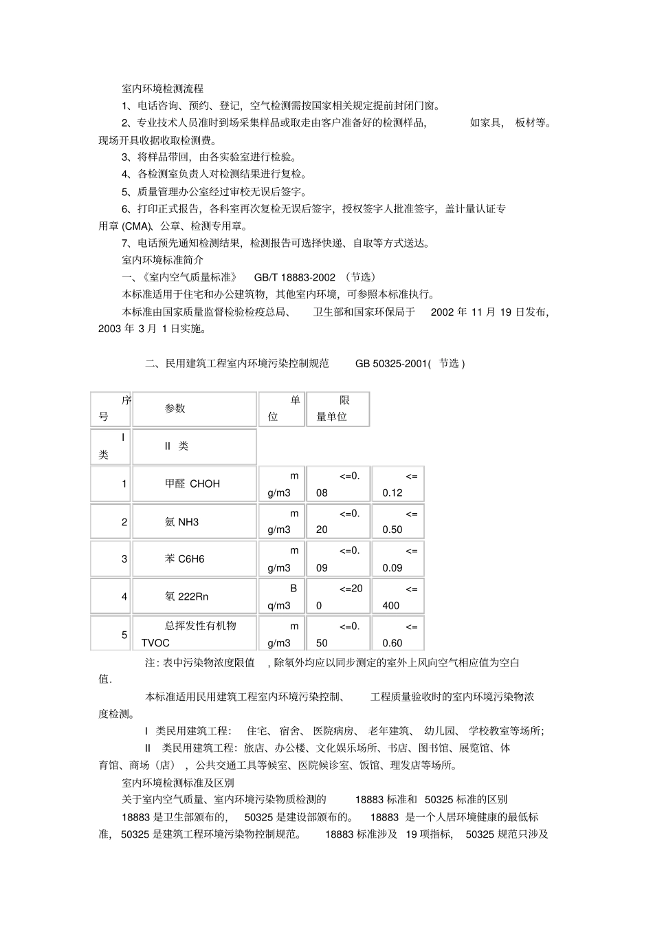
2/13
室内环境检测与治理_第3页
3/13
什么是室内环境净化治理服务随着消费者室内环境保护意识的不断提高,从事室内空气治理的企业应运而生。室内空气治理企业最初只提供具有净化效果的产品,如甲醛消除剂、 空气净化器等。 随着室内污染问题的复杂化,这些企业开始向消费者提供综合性的专业治理服务。室内环境净化治理服务是运用物质手段,对建筑工程室内环境及飞机、汽车、 船等内部空间进行室内环境污染净化治理,使得污染物减少、降低和消除的服务。目前国内室内空气治理企业的领导机构是中国室内环境监测工作委员会,要求空气治理企业要具备 《室内环境净化治理单位资质》,方能开展业务。 “资质” 是需要对企业进行考核的,要求企业必须有专业的技术人员、专业产品,上岗人员必须经过国家级培训,且必须有成功治理的案例。室内环境净化治理服务行业的发展,适应了社会发展的需要,特别是国内一些公司,例如××公司等品牌净化治理服务企业,利用自己的先进技术和产品与优质服务,解决了消费者对健康安全室内环境的难题,满足消费者的健康安全室内环境的需求,成为我国室内环保行业发展中的一支新生力量。消费者应该如何选择室内环境净化治理公司目前市场上一些治理企业以免费检测为名诱骗消费者做治理,检测方法和数据都倾向于推销治理产品。 另外,由于空气治理行业门槛较低,一些未经培训的人员上岗操作,不但无法治理, 甚至可能造成二次污染。一些不法企业急功近利的行为不仅给消费者造成损失,也让行业在某种程度上陷入了信任危机。甚至有个别人假借治理为名进行敛财,以不正当手段诱骗消费者上当。空气治理行业有哪些陷阱,消费者又该如何选择治理公司?一是净化治理单位的选择国家计量法要求从事室内空气检测的机构需要具备中国计量认证,即“CMA”标志,并同时具备国家实验室认证,即“CNAL” 标志。 而个别从事空气治理的单位采用简易的检测仪器进行室内环境污染检测,出具不合格的检测报告。各企业认为, 只要治理结果在标准限量之内,便意味着治理成功。然而,对于治理方法、药剂、设备、操作流程等方面却并无规范,各企业也全凭自家产品的使用说明进行操作。因此存在企业治理时损坏消费者家具,或造成交叉污染的可能。目前市场上有一些室内空气治理单位不以服务为主,反而在空气治理的幌子下发展加盟商,并承诺加盟商具备检测资格,可以提供检测、治理一条龙服务。殊不知,治理单位所谓的检测通常并不规范,其行为违反了国家计量法的有关规定。目前我国室...

1、当您付费下载文档后,您只拥有了使用权限,并不意味着购买了版权,文档只能用于自身使用,不得用于其他商业用途(如 [转卖]进行直接盈利或[编辑后售卖]进行间接盈利)。
2、本站所有内容均由合作方或网友上传,本站不对文档的完整性、权威性及其观点立场正确性做任何保证或承诺!文档内容仅供研究参考,付费前请自行鉴别。
3、如文档内容存在违规,或者侵犯商业秘密、侵犯著作权等,请点击“违规举报”。

碎片内容

室内环境检测与治理

爱的疯狂+ 关注
实名认证
内容提供者

该用户很懒,什么也没介绍

确认删除?
VIP
微信客服
  • 扫码咨询
会员Q群
  • 会员专属群点击这里加入QQ群
客服邮箱
回到顶部