电脑桌面
添加小米粒文库到电脑桌面
安装后可以在桌面快捷访问

02地基验槽记录VIP免费

02地基验槽记录_第1页
1/18
02地基验槽记录_第2页
2/18
02地基验槽记录_第3页
3/18
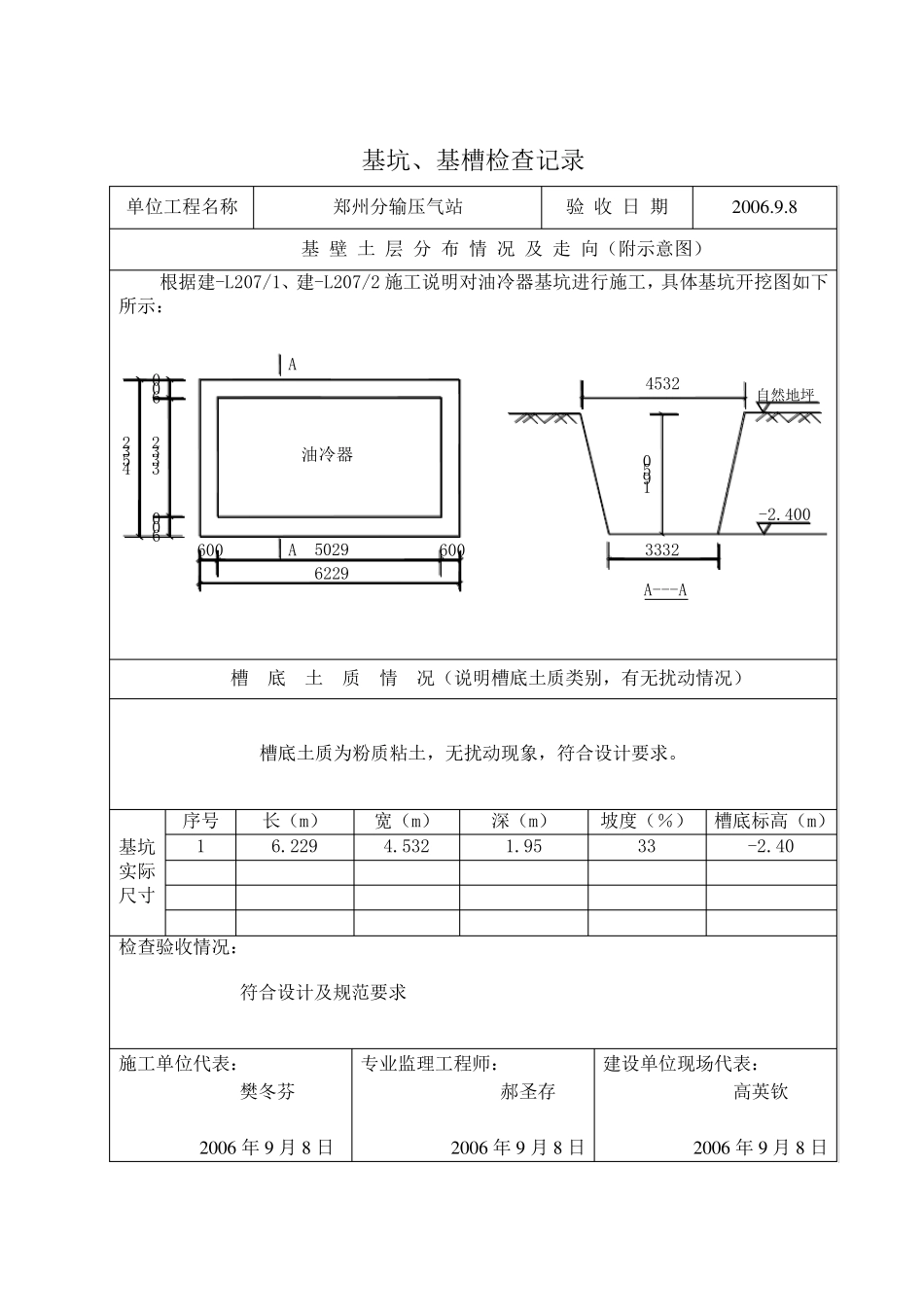
基坑、基槽检查记录 单位工程名称 郑州分输压气站 验 收 日 期 2 0 0 6 .0 7 .2 6 基 壁 土 层 分 布 情 况 及 走 向(附示意图) 根据建-L207/1、建-L207/2 施工说明对空冷器基坑进行施工,具体基坑开挖图如下所示: 13950129501624017240500500500500空冷器11放坡系数1:0.33 槽 底 土 质 情 况(说明槽底土质类别,有无扰动情况) 槽底土质为粉质粘土,无扰动现象,符合设计要求。 基坑 实际 尺寸 序号 长(m) 宽(m) 深(m) 坡度(%) 槽底标高(m) 检查验收情况: 符合设计及规范要求 施工单位代表: 樊冬芬 2 0 0 6 年 7 月 2 6 日 专业监理工程师: 郝圣存 2 0 0 6 年 7 月 2 7 日 建设单位现场代表: 高英钦 2 0 0 6 年 7 月 2 7 日 基坑、基槽检查记录 单位工程名称 郑州分输压气站 验 收 日 期 2 0 0 6 .7 .2 6 基 壁 土 层 分 布 情 况 及 走 向(附示意图) 200012950139501---1-2.400自然地坪 槽 底 土 质 情 况(说明槽底土质类别,有无扰动情况) 槽底土质为粉质粘土,无扰动现象,符合设计要求。 基坑 实际 尺寸 序号 长(m) 宽(m) 深(m) 坡度(%) 槽底标高(m) 1 17.24 13.95 2.00 33 -2.40 检查验收情况: 符合设计及规范要求 施工单位代表: 樊冬芬 2 0 0 6 年 7 月 2 6 日 专业监理工程师: 郝圣存 2 0 0 6 年 7 月 2 7 日 建设单位现场代表: 高英钦 2 0 0 6 年 7 月 2 7 日 基坑、基槽检查记录 单位工程名称 郑州分输压气站 验 收 日 期 2 0 0 6 .9 .8 基 壁 土 层 分 布 情 况 及 走 向(附示意图) 根据建-L207/1、建-L207/2 施工说明对油冷器基坑进行施工,具体基坑开挖图如下所示: 油冷器3332600600600600502962294532AA19503332-2.400自然地坪4532A---A 槽 底 土 质 情 况(说明槽底土质类别,有无扰动情况) 槽底土质为粉质粘土,无扰动现象,符合设计要求。 基坑 实际 尺寸 序号 长(m) 宽(m) 深(m) 坡度(%) 槽底标高(m) 1 6.229 4.532 1.95 33 -2.40 检查验收情况: 符合设计及规范要求 施工单位代表: 樊冬芬 2 0 0 6 年 9 月 8 日 专业监理工程师: 郝圣存 2 0 0 6 年 9 月 8 日 建设单位现场代表: 高英钦 2 0 0 6 年 9...

1、当您付费下载文档后,您只拥有了使用权限,并不意味着购买了版权,文档只能用于自身使用,不得用于其他商业用途(如 [转卖]进行直接盈利或[编辑后售卖]进行间接盈利)。
2、本站所有内容均由合作方或网友上传,本站不对文档的完整性、权威性及其观点立场正确性做任何保证或承诺!文档内容仅供研究参考,付费前请自行鉴别。
3、如文档内容存在违规,或者侵犯商业秘密、侵犯著作权等,请点击“违规举报”。

碎片内容

02地基验槽记录

确认删除?
VIP
微信客服
  • 扫码咨询
会员Q群
  • 会员专属群点击这里加入QQ群
客服邮箱
回到顶部