电脑桌面
添加小米粒文库到电脑桌面
安装后可以在桌面快捷访问

03脱硫设备安装单位工程验收表格VIP免费

03脱硫设备安装单位工程验收表格_第1页
1/10
03脱硫设备安装单位工程验收表格_第2页
2/10
03脱硫设备安装单位工程验收表格_第3页
3/10
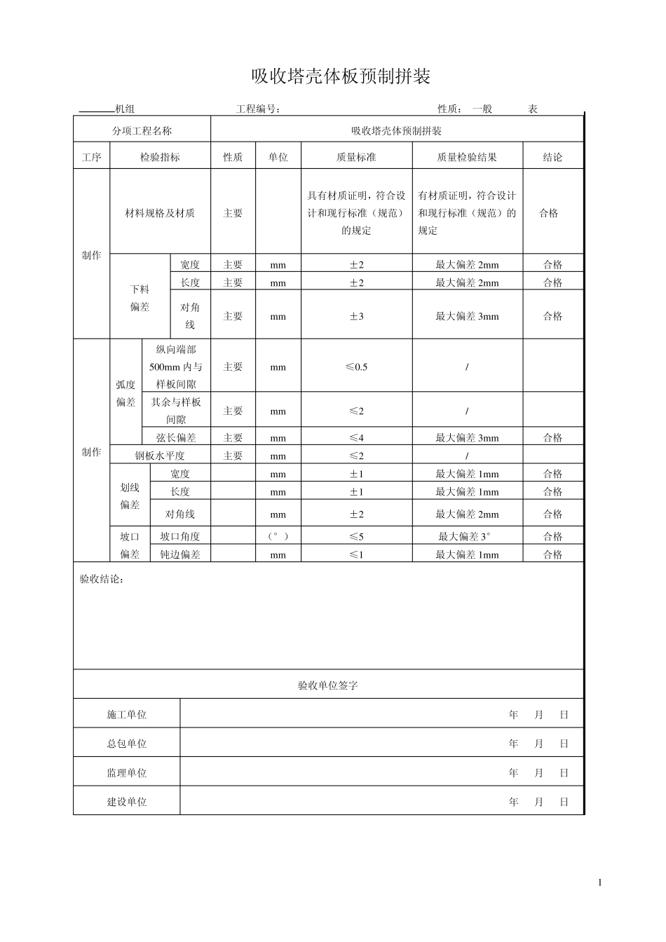
1 吸收塔壳体板预制拼装 #5 机组 工程编号:01-01-01 性质: 一般 表6.3.1-2 分项工程名称 吸收塔壳体预制拼装 工序 检验指标 性质 单位 质量标准 质量检验结果 结论 制作 材料规格及材质 主要 具有材质证明,符合设计和现行标准(规范)的规定 有材质证明,符合设计和现行标准(规范)的规定 合格 下料 偏差 宽度 主要 m m ±2 最大偏差2m m 合格 长度 主要 m m ±2 最大偏差2m m 合格 对角线 主要 m m ±3 最大偏差3m m 合格 制作 弧度 偏差 纵向端部500m m 内与样板间隙 主要 m m ≤0.5 / 其余与样板间隙 主要 m m ≤2 / 弦长偏差 主要 m m ≤4 最大偏差3m m 合格 钢板水平度 主要 m m ≤2 / 划线偏差 宽度 m m ±1 最大偏差1m m 合格 长度 m m ±1 最大偏差1m m 合格 对角线 m m ±2 最大偏差2m m 合格 坡口偏差 坡口角度 (°) ≤5 最大偏差3° 合格 钝边偏差 m m ≤1 最大偏差1m m 合格 验收结论: 验收单位签字 施工单位 年 月 日 总包单位 年 月 日 监理单位 年 月 日 建设单位 / 年 月 日 2 吸收塔壁板安装 #5 机组 工程编号:01-02-01-01 性质:主要 表6.3.1-7. 分项工程名称 吸收塔壁板安装 工序 检验指标 性质 单位 质量标准 质量检验结果 结论 安装 塔体椭圆度偏差 mm ≤D/1000,且≤15(D为塔体直径) 最大偏差10mm 合格 壁板周长偏差 mm ≤D/1000,且≤15(D为塔体直径) 最大偏差12mm 合格 塔体垂直度偏差 主要 mm ±H/1000,且≤15(H为塔体壁板设计高度) 最大偏差5mm 合格 塔体标高偏差 mm ±H/1000,且≤25(H为塔体壁板设计高度) 最大偏差15mm 合格 对口错边量 纵向焊缝 mm ≤0.1s,且≤1.5(s为板厚) 最大偏差1mm 合格 环向焊缝 mm ≤0.2s,且≤3(s为板厚) 最大偏差3mm 合格 焊缝处棱角 0.1s+2(s为板厚) / 塔顶中心位置偏移 主要 mm ≤20 最大偏差10mm 合格 塔顶安装标高偏差 mm ±20 最大偏差15mm 合格 塔顶直径偏差 主要 mm ±12 ±8 / 塔顶圆弧曲率偏差 ≤1/150 / 塔顶边缘水平度偏差 mm ±10 / 焊缝对口错边量 mm ≤1.5 最大偏差1mm 合格 加强梁间距离偏差 mm ≤5 最大偏差5mm 合格 验收结论: 验收单位签字 施工单位 年 月 日 总包单位 年 月 日 监理单位 年 月...

1、当您付费下载文档后,您只拥有了使用权限,并不意味着购买了版权,文档只能用于自身使用,不得用于其他商业用途(如 [转卖]进行直接盈利或[编辑后售卖]进行间接盈利)。
2、本站所有内容均由合作方或网友上传,本站不对文档的完整性、权威性及其观点立场正确性做任何保证或承诺!文档内容仅供研究参考,付费前请自行鉴别。
3、如文档内容存在违规,或者侵犯商业秘密、侵犯著作权等,请点击“违规举报”。

碎片内容

03脱硫设备安装单位工程验收表格

确认删除?
VIP
微信客服
  • 扫码咨询
会员Q群
  • 会员专属群点击这里加入QQ群
客服邮箱
回到顶部