电脑桌面
添加小米粒文库到电脑桌面
安装后可以在桌面快捷访问

14模具内模镶件尺寸的确定VIP免费

14模具内模镶件尺寸的确定_第1页
1/6
14模具内模镶件尺寸的确定_第2页
2/6
14模具内模镶件尺寸的确定_第3页
3/6
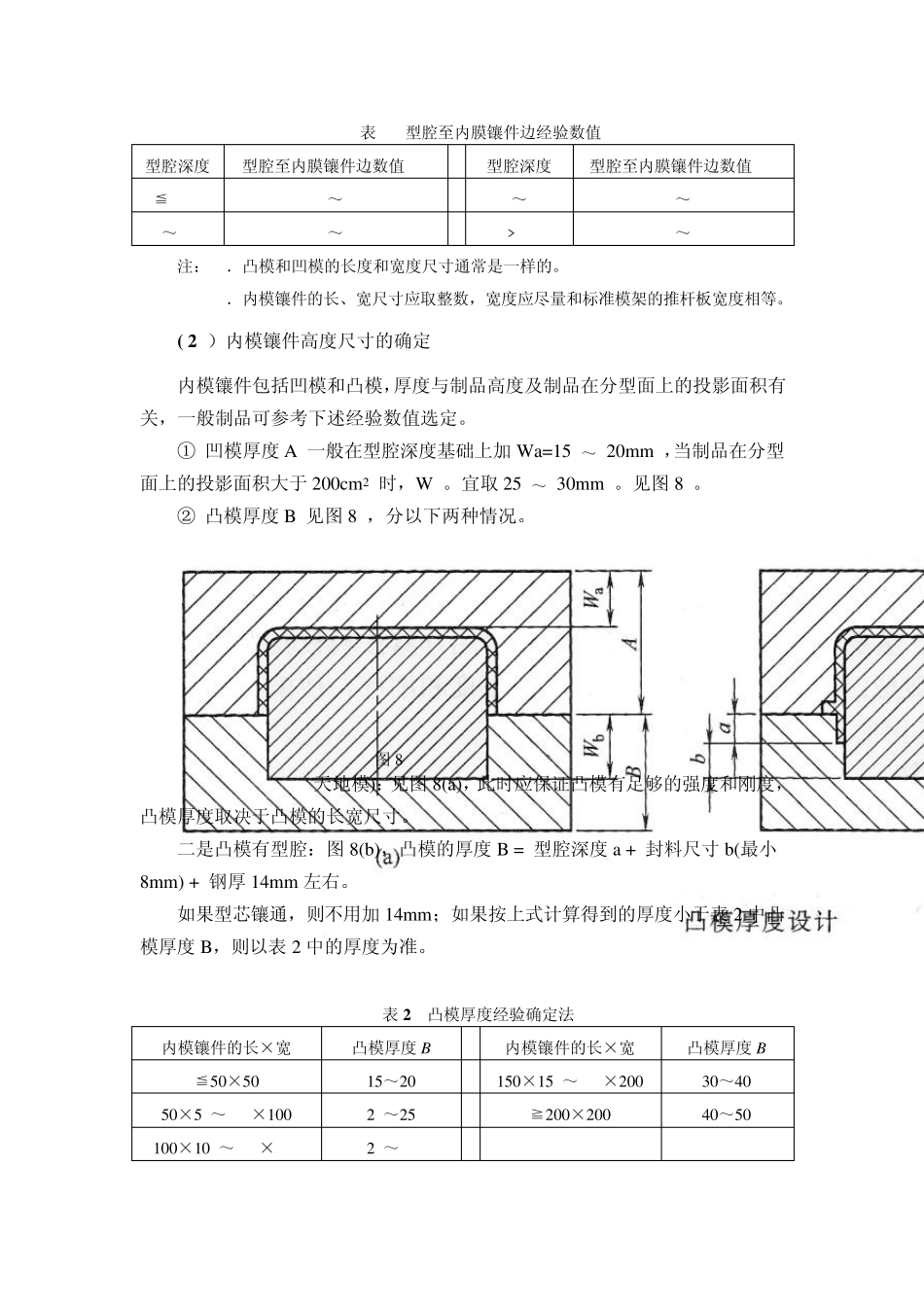
模具内模镶件尺寸的确定 二、确定内模镶件外形尺寸 确定内模镶件尺寸的方法有两种:经验法和计算法。在实际工作中常常采用经验确定法而不是计算法。但对于大型模具、重要模具,为安全起见,最好再用计算法校核其强度和刚度。确定内模镶件尺寸总体原则是:必须保证模具具有足够的强度和刚度,使模具在使用寿命内不致变形。 1. 内模镶件经验确定法 ( 1 )确定内模镶件的长、宽尺寸 第一步:按上面的排位原则,确定各型腔的摆放位置。 第二步:按下面的经验数据,确定各型腔的相互位置尺寸。 一模多腔的模具,各型腔之间的钢厚 B 可根据型腔深度取 12 一 25mm ,型腔越深,型腔壁应越厚,见图 6 。特殊情况下,型腔之间的钢厚可以取 30mm 左右。特殊情况包括以下几方面。 ① 当采用潜伏式浇口时,应有足够的潜伏式浇口位置及布置推杆的位置。 ② 塑料制品尺寸较大,型腔较深(≧ 50mm )时。 ③ 塑料制品尺寸较大,内模镶件固定型芯的孔为通孔。此时的镶件成框架结构,刚性不好,应加厚型腔壁以提高刚性(见图 7)。 图 6排位确定镶件大小图 7 动模镶件做通孔④ 型腔之间要通冷却水时,型腔之间距离要大一些。 第三步:确定内模镶件的长、宽尺寸:型腔至内模镶件边之间的钢厚 A 可取 15 ~50mm 。制品至内模镶件的边距也与型腔的深度有关,一般制品可参考表 1 所列经验数值选定。 图 6 图 7 表 1 型腔至内膜镶件边经验数值 型腔深度 型腔至内膜镶件边数值/mm 型腔深度 型腔至内膜镶件边数值/mm ≦20mm 15~20 30~40 30~35 20~30mm 25~30 ﹥40 35~50 注:1 .凸模和凹模的长度和宽度尺寸通常是一样的。 2 .内模镶件的长、宽尺寸应取整数,宽度应尽量和标准模架的推杆板宽度相等。 ( 2 )内模镶件高度尺寸的确定 内模镶件包括凹模和凸模,厚度与制品高度及制品在分型面上的投影面积有关,一般制品可参考下述经验数值选定。 ① 凹模厚度 A 一般在型腔深度基础上加 Wa=15 ~ 20m m ,当制品在分型面上的投影面积大于 200cm 2 时,W 。宜取 25 ~ 30m m 。见图 8 。 ② 凸模厚度 B 见图 8 ,分以下两种情况。 一是凸模无型腔(天地模):见图 8(a),此时应保证凸模有足够的强度和刚度,凸模厚度取决于凸模的长宽尺寸。 二是凸模有型腔:图 8(b),凸模的厚度 B = 型腔深度 a + 封料尺寸 b(最小8m m ) + 钢厚 14m m 左右。 如果型芯...

1、当您付费下载文档后,您只拥有了使用权限,并不意味着购买了版权,文档只能用于自身使用,不得用于其他商业用途(如 [转卖]进行直接盈利或[编辑后售卖]进行间接盈利)。
2、本站所有内容均由合作方或网友上传,本站不对文档的完整性、权威性及其观点立场正确性做任何保证或承诺!文档内容仅供研究参考,付费前请自行鉴别。
3、如文档内容存在违规,或者侵犯商业秘密、侵犯著作权等,请点击“违规举报”。

碎片内容

14模具内模镶件尺寸的确定

确认删除?
VIP
微信客服
  • 扫码咨询
会员Q群
  • 会员专属群点击这里加入QQ群
客服邮箱
回到顶部