电脑桌面
添加小米粒文库到电脑桌面
安装后可以在桌面快捷访问

PHC管桩专项施工方案VIP免费

PHC管桩专项施工方案_第1页
1/13
PHC管桩专项施工方案_第2页
2/13
PHC管桩专项施工方案_第3页
3/13
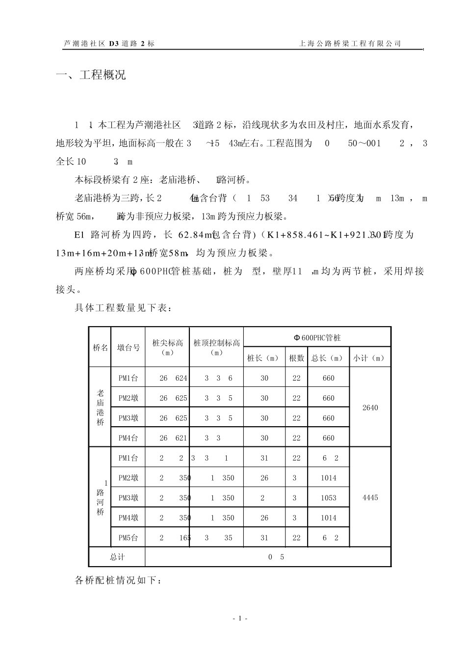
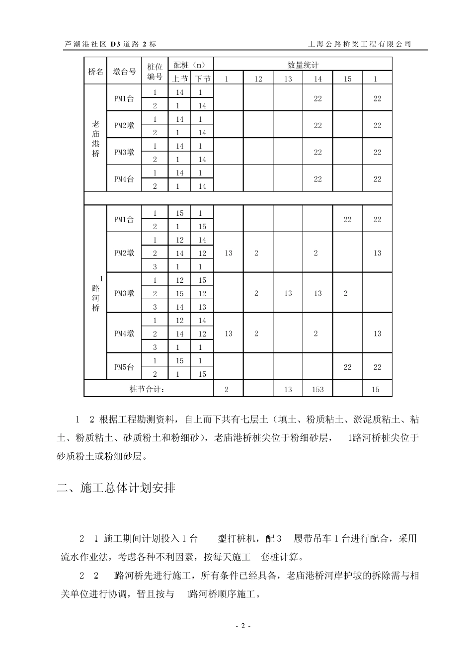
芦潮港社区D 3 道路2 标 上 海 公 路桥 梁 工 程 有 限 公 司 - 0 - 上海临港新城 芦潮港社区D 3 道路及市政配套工程 2 标段 Φ 600PHC管桩 专 项 施 工 方 案 编 制 人: 编制单位:上海公路桥梁工程有限公司 芦潮港社区D3道路2标项目部 编制日期: 2006 年 5 月 芦潮港社区D 3 道路2 标 上海公路桥梁工程有限公司 - 1 - 一、工程概况 1.1、本工程为芦潮港社区D3道路2 标,沿线现状多为农田及村庄,地面水系发育,地形较为平坦,地面标高一般在 3.81~5.43m左右。工程范围为 K0+850.00~K1+929.38,全长 1079.38m。 本标段桥梁有2 座:老庙港桥、E1路河桥。 老庙港桥为三跨,长 29.84m(包含台背)(K1+537.34~K1+567.18),跨度为 8m+13m+8m,桥宽 56m, 8m跨为非预应力板梁,13m 跨为预应力板梁。 E1 路河桥为四跨,长 62.84m(包含台背)(K1+858.461~K1+921.301),跨度为13m+16m+20m+13m,桥宽58m,均为预应力板梁。 两座桥均采用φ 600PHC管桩基础,桩为AB型,壁厚11cm,均为两节桩,采用焊接接头。 具体工程数量见下表: 各桥配桩情况如下: 桩长(m)根数总长(m)小计(m)PM1台-26.6243.3763022660PM2墩-26.6253.3753022660PM3墩-26.6253.3753022660PM4台-26.6213.3793022660PM1台-27.2833.7173122682PM2墩-27.350-1.35026391014PM3墩-28.350-1.35027391053PM4墩-27.350-1.35026391014PM5台-27.1653.83531226824445总计7085老庙港桥桥名2640墩台号Φ 600PHC管桩桩尖标高(m)桩顶控制标高(m)E1路河桥芦潮港社区D 3 道路2 标 上海公路桥梁工程有限公司 - 2 - 上节下节1012131415161141621614114162161411416216141141621614115162161511214214123161011215215123141311214214123161011516216152678131537015822PM2墩1322262626262613132613桩节合计:1322PM4墩22132222222222222222配桩(m)老庙港桥E1路河桥PM1台桥名墩台号桩位编号PM2墩PM3墩PM5台PM4台PM1台PM3墩数量统计 1.2、根据工程勘测资料,自上而下共有七层土(填土、粉质粘土、淤泥质粘土、粘土、粉质粘土、砂质粉土和粉细砂),老庙港桥桩尖位于粉细砂层,E1路河桥桩尖位于砂质粉土或粉细砂层。 二、施工总体计划安排 2.1、施工期间计划投入 1 台H62型打桩机,配30T履带吊车 1 台进行配合,采用流水作业法,考虑各种不利因素,按每天施工6套桩计算。 2.2、E1路河桥先进行施工,所有...

1、当您付费下载文档后,您只拥有了使用权限,并不意味着购买了版权,文档只能用于自身使用,不得用于其他商业用途(如 [转卖]进行直接盈利或[编辑后售卖]进行间接盈利)。
2、本站所有内容均由合作方或网友上传,本站不对文档的完整性、权威性及其观点立场正确性做任何保证或承诺!文档内容仅供研究参考,付费前请自行鉴别。
3、如文档内容存在违规,或者侵犯商业秘密、侵犯著作权等,请点击“违规举报”。

碎片内容

PHC管桩专项施工方案

确认删除?
VIP
微信客服
  • 扫码咨询
会员Q群
  • 会员专属群点击这里加入QQ群
客服邮箱
回到顶部