电脑桌面
添加小米粒文库到电脑桌面
安装后可以在桌面快捷访问

PLC实验题及试题答案VIP免费

PLC实验题及试题答案_第1页
1/21
PLC实验题及试题答案_第2页
2/21
PLC实验题及试题答案_第3页
3/21
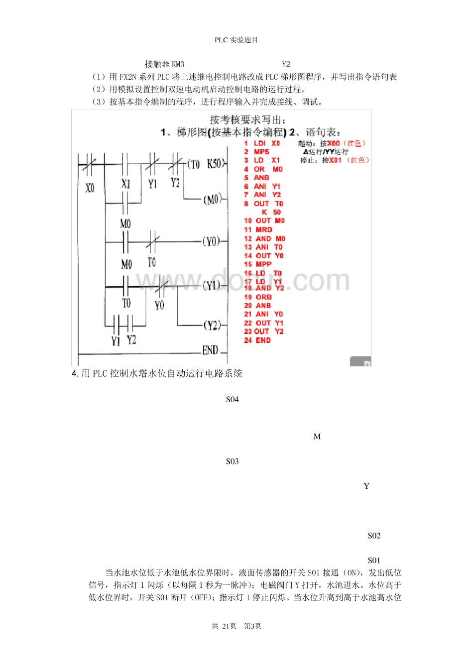
PLC 实验题目 共 21页 第1页 1、汽车转弯灯的控制 假设利用PLC 控制汽车转弯灯:如果向左转弯,则将开关扳到左侧(X 1 接通) ,左闪灯Y 1 开始闪烁(亮0.5 秒,灭0.5 秒);如果向右转弯,则将开关扳到右侧(X 2 接通),右闪灯Y 2 开始闪烁(亮0.5 秒,灭0.5 秒);转弯结束,将开关扳到中间(X 0 接通),Y 1 或Y 2 熄灭。如果驾驶员忘记关灯,则5 秒后自动关灯。 2、控制三相异步电机Y―△启动主电路系统 图示为一个控制三相交流异步电动机Y―△启动的主电路。在启动时,首先使接触器 KM1、KM2 的常开触点闭合,电动机的定子绕组成 Y 形连接。电动机启动旋转,经过5 秒时间后,再使接触器 KM1 的常开触点从接通到断开,而接触器 KM3 的常开触点闭合,电动机的定子绕组改为△形连接,达到了 Y 形启动△形运转的目的。按停止按钮,电动机停止运行。 各元器件说明如图,在自行分析电路功能后,完成考核要求。 输入输出端口配置: 输入设备 输入端口编号 启动按钮 S01 X00 停止按钮 S02 X01 输出设备 输出端口编号 接触器 KM1 Y00 接触器 KM2 Y01 接触器 KM3 Y02 要求: (1) 用FX2N 系列 PLC 按三相异步电动机Y―△启动主电路控制电路图改成 PLC 梯形图、写出语句表。 (2) 用模拟装置监控三相异步电动机Y―△启动主电路运行过程。 (3) 按基本指令编制的程序,进行程序输入并完成系统调试。 PLC 实验题目 共 21页 第2页 3. 用PLC 实行双速电动机控制电路 图示为继电器控制4/2 极双速电动机启动控制电路,其中SB2 为启动按钮,SB1 位停止按钮,KT 为时间继电器,延时时间为5 秒。 当按下启动按钮SB2,接触器KM1 和时间继电器KT 吸合,电动机按 形联结4 极启动,经过5 秒延时后,KT 的延时触点动作,接触器KM1 释放,接触器KM2、KM3、吸合,电机改结成 YY 形联结,进入 2 极启动运行。按停止按钮SB1,电机停止运行。 输入设备 输入端口编号 停止按钮SB1 X0 启动按钮SB2 X1 输出设备 输出端口编号 接触器KM1 Y0 接触器KM2 Y1 PLC 实验题目 共 21页 第3页 接触器KM3 Y2 (1)用FX2N 系列PLC 将上述继电控制电路改成PLC 梯形图程序,并写出指令语句表 (2)用模拟设置控制双速电动机启动控制电路的运行过程。 (3)按基本指令编制的程序,进行程序输入并完成接线、调试。 4.用PLC 控制水塔水位自动运行电路系统 ...

1、当您付费下载文档后,您只拥有了使用权限,并不意味着购买了版权,文档只能用于自身使用,不得用于其他商业用途(如 [转卖]进行直接盈利或[编辑后售卖]进行间接盈利)。
2、本站所有内容均由合作方或网友上传,本站不对文档的完整性、权威性及其观点立场正确性做任何保证或承诺!文档内容仅供研究参考,付费前请自行鉴别。
3、如文档内容存在违规,或者侵犯商业秘密、侵犯著作权等,请点击“违规举报”。

碎片内容

PLC实验题及试题答案

您可能关注的文档

确认删除?
VIP
微信客服
  • 扫码咨询
会员Q群
  • 会员专属群点击这里加入QQ群
客服邮箱
回到顶部