电脑桌面
添加小米粒文库到电脑桌面
安装后可以在桌面快捷访问

中小型异步电动机零部件标准铸铁件技术要求VIP免费

中小型异步电动机零部件标准铸铁件技术要求_第1页
1/24
中小型异步电动机零部件标准铸铁件技术要求_第2页
2/24
中小型异步电动机零部件标准铸铁件技术要求_第3页
3/24
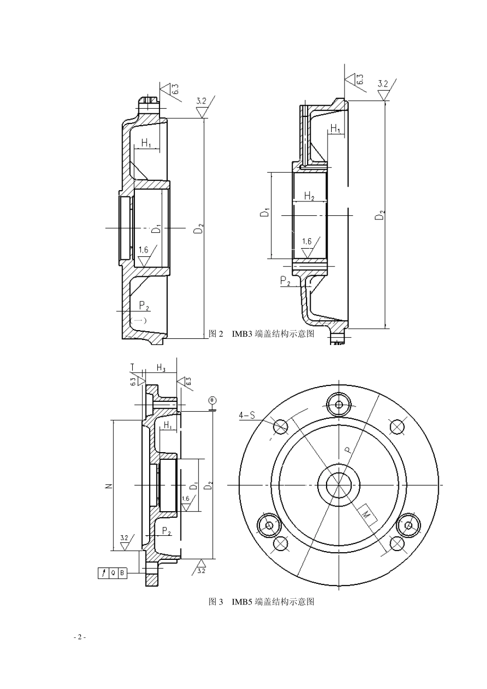
中小型单三相异步电动机零部件标准 ××××-2 0 0 9 中小型单三相异步电动机 铸铁件技术要求 - 1 - 中小型单三相异步电动机铸铁件技术要求 1 范围 1.1 本标准规定了低压异步电动机定子铁心的技术要求、检验方法。 1.2 本标准适用于Y、Y2、YS、YC、YL、YY 系列单三相异步电动机、泵用单三相异步电动机及其对铸件无特殊要求的派生系列电动机的铸件。 2 规范性引用文件 下列文件中的条款通过本标准的引用而成为本标准的条款。凡是注日期的引用文件,其随后所有的修改单(不包括勘误的内容)或修订版本均不适用于本标准,然而,鼓励根据本标准达成协议的各方研究是否使用这些文件的最新版本。凡是不注日期的引用文件,其最新版本适用于本标准。 JB/T 10391——2008 Y 系列(IP44)三相异步电动机技术条件(机座号 80~355) JB/T 8680——2008 Y2 系列(IP54)三相异步电动机技术条件(机座号 63~355) JB/T 1009——2007 YS 系列三相异步电动机技术条件 JB/T 1011——2007 YC 系列电容起动异步电动机技术条件 JB/T 1012——2007 YY 系列电容运转异步电动机技术条件 JB/T 9542——1999 双值电容异步电动机技术条件 JB/T 4376—2002 水泵用小功率异步电动机 技术条件 GB/T 4772.1-1999 旋转电机尺寸及输出功率等级 第 1 部分:机座号 56~355 和凸缘号 55~1080 GB/T 997-2008 电机结构及安装型式代号 经备案现行有效的企业标准及产品图样要求 3 型式、基本参数及尺寸 3.1 铸铁件材料为铸造用灰口铁,牌号为HT150、HT200、 HT250(材料必需能承受中等以上弯曲应力)。 3.2 铸铁件的结构及安装型式由企业标准及产品图样规定,且应符合 GB/T 4772.1 规定。图 1、图 2、图 3、图 4、图 5 分别为机座、IMB3 端盖、IMB5 端盖、IMB14 端盖、轴承盖结构示意图。 图 1 机座结构示意图 - 2 - (一) (二) 图 2 IM B3 端盖结构示意图 图 3 IM B5 端盖结构示意图 - 3 - 图 4 IM B14 端盖结构示意图 图 5 轴承盖结构示意图 - 4 - 3.3 对安装型式为IMB3、IMB5、IMB14、IMB34、IMB35 铸铁件的安装尺寸及其公差应符合表1、表2、表3 的规定。其中IMB14、IMB5 无A、B 尺寸,IMB3 无M、N、P、S、T 尺寸。 表1 机座安装尺寸及公差 机座号 A m m B m m H m m K m m 基本 尺寸 基本 尺寸 基本 尺寸 极限 偏差 基本 ...

1、当您付费下载文档后,您只拥有了使用权限,并不意味着购买了版权,文档只能用于自身使用,不得用于其他商业用途(如 [转卖]进行直接盈利或[编辑后售卖]进行间接盈利)。
2、本站所有内容均由合作方或网友上传,本站不对文档的完整性、权威性及其观点立场正确性做任何保证或承诺!文档内容仅供研究参考,付费前请自行鉴别。
3、如文档内容存在违规,或者侵犯商业秘密、侵犯著作权等,请点击“违规举报”。

碎片内容

中小型异步电动机零部件标准铸铁件技术要求

您可能关注的文档

确认删除?
VIP
微信客服
  • 扫码咨询
会员Q群
  • 会员专属群点击这里加入QQ群
客服邮箱
回到顶部