电脑桌面
添加小米粒文库到电脑桌面
安装后可以在桌面快捷访问

小区电力设施改造工程竣工资料VIP免费

小区电力设施改造工程竣工资料_第1页
1/37
小区电力设施改造工程竣工资料_第2页
2/37
小区电力设施改造工程竣工资料_第3页
3/37
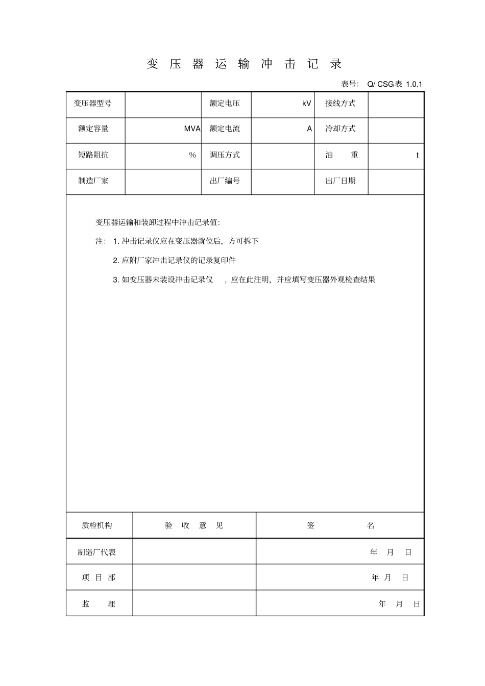
金洞乡峡口坝生态移民小区电力设施改造工程竣工资料编制单位:重庆市黔江区辉宇建设工程有限责任公司编制日期:二 O一五年月日主变压器系统设备安装单 位 工 程 资 料 核 查 项 目 表序 号资料名称应有份数实有份数备注1 施工、检验及安装调整记录1变压器运输冲击记录1 1 Q/ CSG 表 1.0.1 2变压器破压前气体压力检查记录1 1 Q/ CSG 表 1.0.2 3绝缘油试验(新到油每批取样,油处理后注油前、后,变压器投运前、后取样)记录1 1 Q/ CSG 表 1.0.3 4气体继电器检验记录Q/ CSG 表 1.0.4 5变压器器身检查(隐蔽)签证Q/ CSG 表 1.0.5 6冷却器密封试验签证Q/ CSG 表 1.0.6 7真空注油及密封试验签证Q/ CSG 表 1.0.7 8导线液压施工检查记录Q/ CSG 表 1.0.8 9箱柜基础检查记录Q/ CSG 表 1.0.9 2 质量检验及评定记录1单位工程质量验评表Q/ CSG 表 1 2分部工程质量验评表3分项工程质量验评表质检机构核查结论签名施工单位年月日监理年月日变压器运输冲击记录表号: Q/ CSG表 1.0.1变压器型号额定电压kV 接线方式额定容量MVA 额定电流A 冷却方式短路阻抗%调压方式油重t 制造厂家出厂编号出厂日期变压器运输和装卸过程中冲击记录值:注: 1. 冲击记录仪应在变压器就位后,方可拆下2. 应附厂家冲击记录仪的记录复印件3. 如变压器未装设冲击记录仪, 应在此注明,并应填写变压器外观检查结果质检机构验收意见签名制造厂代表年月日项 目 部年 月日监理年月日变压器破压前气体压力检查记录表号: Q/ CSG 表 1.0.2变压器型号额定电压kV 接线方式额定容量MVA 额定电流A 冷却方式短路阻抗%调压方式油重t 制造厂家出厂编号出厂日期检查项目油箱内气体压力各阶段气体压力值MPa 环境温度℃检查日期检查人到达现场时保管期间第 1 次检查第 2 次检查第 3 次检查第 4 次检查第 5 次检查第 6 次检查第 7 次检查第 8 次检查破 压 前检查结论:质检机构验收意见签名班组年月日施 工 队年月日项 目 部年月日监理年月日备注 : 保管期间内,油箱内气体压力检查,间隔时间不应超过3~ 5 天。变 压 器 绝 缘 油 检 验 记 录表号: Q/ CSG 表 1.0.3变压器型号额定电压kV 绝缘油牌号额定容量MVA 额定电流A 油 总 重t 冷却方式绝缘油批数绝缘油桶数制造厂家出厂编号出厂日期绝缘油验收批次桶数出厂试验报告编号抽样桶数抽样分析报告份数(后附)(后...

1、当您付费下载文档后,您只拥有了使用权限,并不意味着购买了版权,文档只能用于自身使用,不得用于其他商业用途(如 [转卖]进行直接盈利或[编辑后售卖]进行间接盈利)。
2、本站所有内容均由合作方或网友上传,本站不对文档的完整性、权威性及其观点立场正确性做任何保证或承诺!文档内容仅供研究参考,付费前请自行鉴别。
3、如文档内容存在违规,或者侵犯商业秘密、侵犯著作权等,请点击“违规举报”。

碎片内容

小区电力设施改造工程竣工资料

确认删除?
VIP
微信客服
  • 扫码咨询
会员Q群
  • 会员专属群点击这里加入QQ群
客服邮箱
回到顶部