电脑桌面
添加小米粒文库到电脑桌面
安装后可以在桌面快捷访问

冲击钻施工工艺及步骤VIP免费

冲击钻施工工艺及步骤_第1页
1/13
冲击钻施工工艺及步骤_第2页
2/13
冲击钻施工工艺及步骤_第3页
3/13
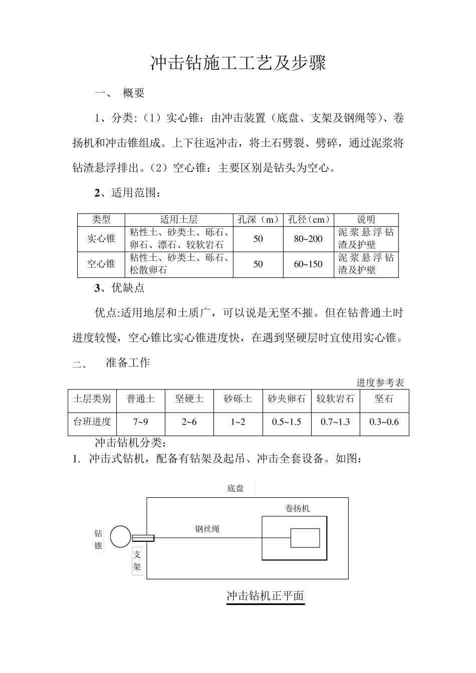
冲击钻施工工艺及步骤 一、 概要 1、分类:(1)实心锥:由冲击装置(底盘、支架及钢绳等)、卷扬机和冲击锥组成。上下往返冲击,将土石劈裂、劈碎,通过泥浆将钻渣悬浮排出。(2)空心锥:主要区别是钻头为空心。 2 、适用范围: 3 、优缺点 优点:适用地层和土质广,可以说是无坚不摧。但在钻普通土时进度较慢,空心锥比实心锥进度快,在遇到坚硬层时宜使用实心锥。 二、 准备工作 进度参考表 土层类别 普通土 坚硬土 砂砾土 砂夹卵石 较软岩石 坚石 台班进度 7~9 2~6 1~2 0.5~1.5 0.7~1.3 0.3~0.6 冲击钻机分类: 1. 冲击式钻机,配备有钻架及起吊、冲击全套设备。如图: 类型 适用土层 孔深(m) 孔径(cm) 说明 实心锥 粘性土、砂类土、砾石、卵石、漂石、较软岩石 50 80~200 泥 浆 悬 浮 钻渣及护壁 空心锥 粘性土、砂类土、砾石、松散卵石 50 60~150 泥 浆 悬 浮 钻渣及护壁 钻锥 支架 钢丝绳 卷扬机 底盘 冲击钻机正平面 国产的冲击钻机主要是CZ 型,有CZ—30、CZ—28、CZ—22、CZ—20、CZ—20—2 等,另外还有YKC—31、YKC—30、YKC—22、YKC—20 等规格。除 CZ—20—2 外,均非自行。 国产冲击钻机的近期产品规格及性能列表 型号 SPC—300H GPC—40H GJD—1500 YKC—31 CZ—22 CZ—28 CZ—30 KCL 100 —250 钻孔最大直径(厘米) 70 70 200土层150岩层 150 80 100 120 100 60 钻孔最大深度(米) 80 80 50 120 150 150 180 50 80 冲击行程(厘米) 50,65 50,65 10~100 60~100 35~100 50~100 35~100 78~97 冲击频率(次/分) 25,50,72 20~72 0~30 29,30,31 40,45,50 40,45,50 40,45,50 40,45,50 38 冲击钻质量(吨) 2.94 4.2 1.5 2.5 1.5 卷筒提升力(KN) 冲击钻卷筒 30 30 39.2 55 20 30 20 27 掏渣筒卷筒 25 13 20 13 滑车卷筒 20 20 30 驱动动力功率(KW) 118 118 63 60 22 33 40 30 28 桅杆负荷能力(KN) 150 150 250 120 桅杆工作时高度(米) 11 11 16 7.5 钻机外 形尺 寸(米) 拖动时 长度 10.00 宽度 2.66 高度 3.50 工作时 长度 10.85 10.85 5.04 6.00 2.8 宽度 2.47 2.47 2.36 2.66 2.3 高度 3.60 3.55 6.38 16.30 7.8 钻机质量(吨) 15 15 20.5 6.85 7.6 13.67 6.1 2.3 生产厂家 天津探机厂 ...

1、当您付费下载文档后,您只拥有了使用权限,并不意味着购买了版权,文档只能用于自身使用,不得用于其他商业用途(如 [转卖]进行直接盈利或[编辑后售卖]进行间接盈利)。
2、本站所有内容均由合作方或网友上传,本站不对文档的完整性、权威性及其观点立场正确性做任何保证或承诺!文档内容仅供研究参考,付费前请自行鉴别。
3、如文档内容存在违规,或者侵犯商业秘密、侵犯著作权等,请点击“违规举报”。

碎片内容

冲击钻施工工艺及步骤

确认删除?
VIP
微信客服
  • 扫码咨询
会员Q群
  • 会员专属群点击这里加入QQ群
客服邮箱
回到顶部