电脑桌面
添加小米粒文库到电脑桌面
安装后可以在桌面快捷访问

土方开挖、回填施工方案VIP免费

土方开挖、回填施工方案_第1页
1/19
土方开挖、回填施工方案_第2页
2/19
土方开挖、回填施工方案_第3页
3/19
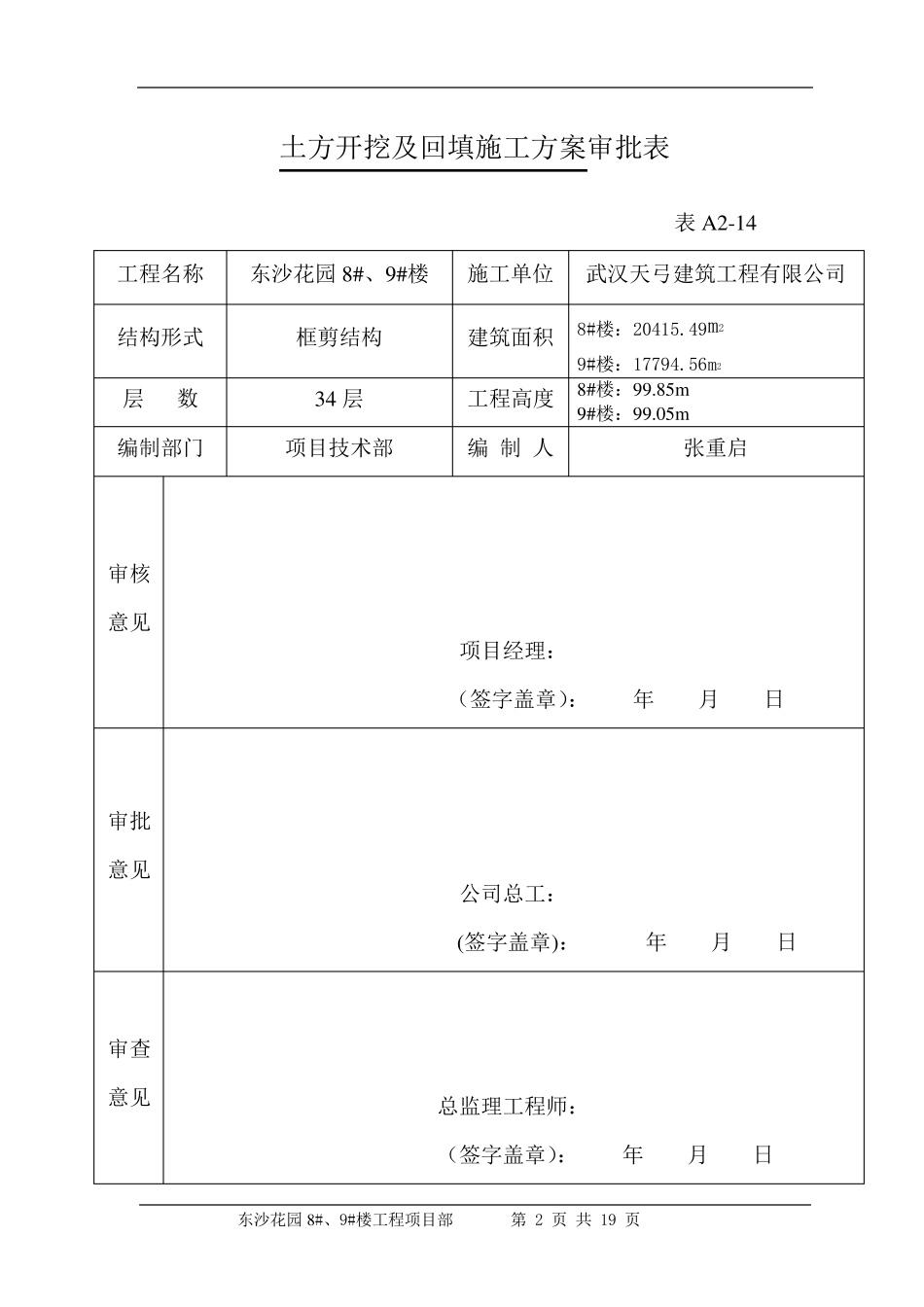
东沙花园8 #、9#楼工程项目部 第 1 页 共 19 页 东沙花园8#、9#楼工程 土 方 开 挖 及 回 填 施 工 方 案 编制单位:武汉天弓建筑工程有限公司 编制人: 审核人: 审批人: 编制时间:二零一二年二月二十二日 东沙花园8#、9#楼工程项目部 第 2 页 共 19 页 土方开挖及回填施工方案审批表 表 A2-14 工程名称 东沙花园8#、9#楼 施工单位 武汉天弓建筑工程有限公司 结构形式 框剪结构 建筑面积 8#楼:20415.49m2 9#楼:17794.56m2 层 数 34 层 工程高度 8#楼:99.85m 9#楼:99.05m 编制部门 项目技术部 编 制 人 张重启 审核意见 项目经理: (签字盖章): 年 月 日 审批意见 公司总工: (签字盖章): 年 月 日 审查意见 总监理工程师: (签字盖章): 年 月 日 东沙花园8 #、9#楼工程项目部 第 3 页 共 19 页 目 录 第一章土方开挖方案 一、工程概况 二、编制依据 三、土方开挖前施工准备 四、主要施工方法及施工程序 五、施工质量保证措施 六、基坑降水、护坡 七、安全保证措施 八、主要施工要点 九、成品保护 十、应注意的质量问题 十一、文明施工保证措施: 第二章土方回填方案 一、工程概况 二、施工准备 三、主要施工方法及施工程序 四、施工安全及质量、环境保证措施 东沙花园8 #、9#楼工程项目部 第 4 页 共 19 页 土方开挖及回填施工方案 一、工程概况 工程名称:东沙花园8#、9#楼 结构形式:框剪结构。 建设单位:武汉地产开发投资集团有限公司 设计单位:武汉时代建筑设计有限公司 监理单位:武汉鸿诚工程咨询管理有限责任公司 施工单位:武汉天弓建筑工程有限公司 东沙花园8#、9#楼,地上三十四层,8#楼建筑面积为20415.49㎡,9#楼建筑面积为17794.56 ㎡,8#楼建筑高度99.85 m,8#楼建筑高度为99.05m,结构形式为框剪结构,基础形式为钻孔灌注桩,8#楼±0.000 相当于绝对标高23.05 m,9#楼±0.000 相当于绝对标高22.65m,本工程建筑抗震设防类别为标准设防类,场地基本烈度为6 度,抗震设防烈度为6 度,设计基本地震加速度值为0.05g,设计地震分组为第一组,剪力墙抗震等级为三级,连梁抗震等级为三级,框架抗震等级为三级,本工程建筑结构的安全等级为二级,结构设计使用年限为50 年。 二、编制依据 《岩石工程勘察报告书》(武汉华中岩土工程有限责任公司) 《建筑工程施工质量验收统一标准》GB 5...

1、当您付费下载文档后,您只拥有了使用权限,并不意味着购买了版权,文档只能用于自身使用,不得用于其他商业用途(如 [转卖]进行直接盈利或[编辑后售卖]进行间接盈利)。
2、本站所有内容均由合作方或网友上传,本站不对文档的完整性、权威性及其观点立场正确性做任何保证或承诺!文档内容仅供研究参考,付费前请自行鉴别。
3、如文档内容存在违规,或者侵犯商业秘密、侵犯著作权等,请点击“违规举报”。

碎片内容

土方开挖、回填施工方案

确认删除?
VIP
微信客服
  • 扫码咨询
会员Q群
  • 会员专属群点击这里加入QQ群
客服邮箱
回到顶部