电脑桌面
添加小米粒文库到电脑桌面
安装后可以在桌面快捷访问

地下室剪力墙钢筋绑扎交底VIP免费

地下室剪力墙钢筋绑扎交底_第1页
1/9
地下室剪力墙钢筋绑扎交底_第2页
2/9
地下室剪力墙钢筋绑扎交底_第3页
3/9
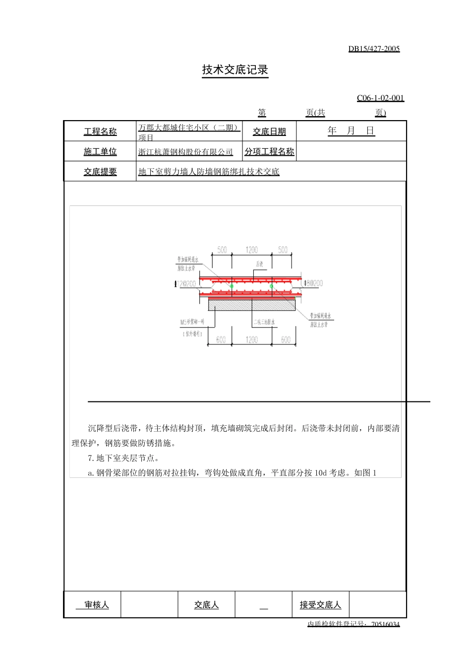
DB15/427-2005 技术交底记录 C06-1-02-001 第 页(共 页) 工程名称 万郡大都城住宅小区(二期)项目 交底日期 年 月 日 施工单位 浙江杭萧钢构股份有限公司 分项工程名称 交底提要 地下室剪力墙人防墙钢筋绑扎技术交底 审核人 交底人 接受交底人 内质检软件登记号:70516034 一、施工准备 (一)作业条件 1.地下室底板以及上反 500mm 剪力墙施工完毕后,将施工缝凿毛处理完毕,予留钢筋处的松散混凝土剔凿干净,钢筋上的锈斑、混凝土全部用钢丝刷除净; 2.根据工程进度,根据图纸、施工方案进行钢筋翻样,计算好下料长度,画出大样图,钢筋的弯钩及长度应符合图纸、规范、设计方案和抗震设防要求,本工程建筑结构安全等级为二级,抗震烈度为8 度,人防地下室结构安全等级为6 级。 二级抗震混凝土中的锚固长度 LabE,如下表 钢筋种类 混 凝 土 等 级 C20 C25 C30 C35 C40 HPB300 一级 45d 39d 35d 32d 29d HRB335 二级 44d 38d 33d 31d 29d HRB400 三级 - 46d 40d 37d 33d 注:月牙肋筋直径d 大于25mm 时,锚固长度乘以 1.1 系 数 。 4.加 工好的钢筋进入 施工现 场 前 ,堆 放 场 地应平 整 清 理好,按 施工顺 序 ,按 型 号、规格 、部位 、编 号分 别 分 类堆 放 整 齐 ; 5.清 理好底板基 层 ,复 核 测 量 控 制 线 和水 准基 点 ,在 基 层 上弹 好剪力墙、柱 钢筋等位置 线 ;确 定 研 究 好钢筋分 段 绑扎安装 顺 序 。 6.后浇 带 做 法 ,包 括 地下室底板、顶 板、外 墙做 法 。 DB15/427-2005 技术交底记录 C06-1-02-001 第 页(共 页) 工程名称 万郡大都城住宅小区(二期)项目 交底日期 年 月 日 施工单位 浙江杭萧钢构股份有限公司 分项工程名称 交底提要 地下室剪力墙人防墙钢筋绑扎技术交底 审核人 交底人 接受交底人 内质检软件登记号:70516034 沉降型后浇带,待主体结构封顶,填充墙砌筑完成后封闭。后浇带未封闭前,内部要清理保护,钢筋要做防锈措施。 7.地下室夹层节点。 a.钢骨梁部位的钢筋对拉挂钩,弯钩处做成直角,平直部分按 10d 考虑。如图 1 DB15/427-2005 技术交底记录 C06-1-02-001 第 页(共 页) 工程名称 万郡大都城住宅小区(二期)项目 交底日期 年 月 日 施工单位 浙江杭萧钢构股份有限公司 分项工程名称 交底提要 ...

1、当您付费下载文档后,您只拥有了使用权限,并不意味着购买了版权,文档只能用于自身使用,不得用于其他商业用途(如 [转卖]进行直接盈利或[编辑后售卖]进行间接盈利)。
2、本站所有内容均由合作方或网友上传,本站不对文档的完整性、权威性及其观点立场正确性做任何保证或承诺!文档内容仅供研究参考,付费前请自行鉴别。
3、如文档内容存在违规,或者侵犯商业秘密、侵犯著作权等,请点击“违规举报”。

碎片内容

地下室剪力墙钢筋绑扎交底

您可能关注的文档

确认删除?
VIP
微信客服
  • 扫码咨询
会员Q群
  • 会员专属群点击这里加入QQ群
客服邮箱
回到顶部