电脑桌面
添加小米粒文库到电脑桌面
安装后可以在桌面快捷访问

地下混凝土隐蔽工程验收记录VIP免费

地下混凝土隐蔽工程验收记录_第1页
1/8
地下混凝土隐蔽工程验收记录_第2页
2/8
地下混凝土隐蔽工程验收记录_第3页
3/8
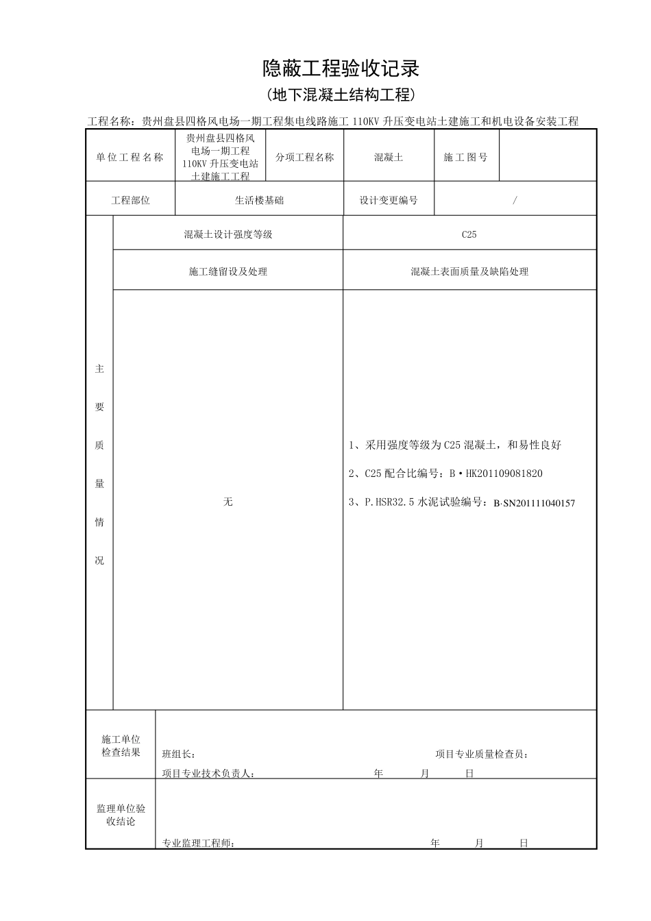
隐蔽工程验收记录 (地下混凝土结构工程) 工程名称:贵州盘县四格风电场一期工程集电线路施工110KV 升压变电站土建施工和机电设备安装工程 单位工程名称 贵州盘县四格风电场一期工程110KV 升压变电站土建施工工程 分项工程名称 混凝土 施工图号 工程部位 事故油池 设计变更编号 / 主 要 质 量 情 况 混凝土设计强度等级 C25 施工缝留设及处理 混凝土表面质量及缺陷处理 无 1、采用强度等级为C25 混凝土,和易性良好 2、C25 配合比编号:B·LHP201106260067 3、P.HSR32.5 水泥试验编号:B·SN201111040157 施工单位 检查结果 班组长: 项目专业质量检查员: 项目专业技术负责人: 年 月 日 监理单位验收结论 专业监理工程师: 年 月 日 隐蔽工程验收记录 (地下混凝土结构工程) 工程名称:贵州盘县四格风电场一期工程集电线路施工110KV 升压变电站土建施工和机电设备安装工程 单位工程名称 贵州盘县四格风电场一期工程110KV 升压变电站土建施工工程 分项工程名称 混凝土 施工图号 工程部位 生活楼基础 设计变更编号 / 主 要 质 量 情 况 混凝土设计强度等级 C25 施工缝留设及处理 混凝土表面质量及缺陷处理 无 1、采用强度等级为C25 混凝土,和易性良好 2、C25 配合比编号:B·HK201109081820 3、P.HSR32.5 水泥试验编号:B·SN201111040157 施工单位 检查结果 班组长: 项目专业质量检查员: 项目专业技术负责人: 年 月 日 监理单位验收结论 专业监理工程师: 年 月 日 隐蔽工程验收记录 (地下混凝土结构工程) 工程名称:贵州盘县四格风电场一期工程集电线路施工110KV 升压变电站土建施工和机电设备安装工程 单位工程名称 贵州盘县四格风电场一期工程110KV 升压变电站土建施工工程 分项工程名称 混凝土 施工图号 工程部位 主控楼基础 设计变更编号 / 主 要 质 量 情 况 混凝土设计强度等级 C25 施工缝留设及处理 混凝土表面质量及缺陷处理 无 1、采用强度等级为C25 混凝土,和易性良好 2、C25 配合比编号:B·HK201111252489 3、P.HSR32.5 水泥试验编号:B·SN201111040157 施工单位 检查结果 班组长: 项目专业质量检查员: 项目专业技术负责人: 年 月 日 监理单位验收结论 专业监理工程师: 年 月 日 隐蔽工程验收记录 (地下混凝土结构工程) 工程名称:贵州盘县四格风电场一期工程集电线路施工110KV ...

1、当您付费下载文档后,您只拥有了使用权限,并不意味着购买了版权,文档只能用于自身使用,不得用于其他商业用途(如 [转卖]进行直接盈利或[编辑后售卖]进行间接盈利)。
2、本站所有内容均由合作方或网友上传,本站不对文档的完整性、权威性及其观点立场正确性做任何保证或承诺!文档内容仅供研究参考,付费前请自行鉴别。
3、如文档内容存在违规,或者侵犯商业秘密、侵犯著作权等,请点击“违规举报”。

碎片内容

地下混凝土隐蔽工程验收记录

您可能关注的文档

确认删除?
VIP
微信客服
  • 扫码咨询
会员Q群
  • 会员专属群点击这里加入QQ群
客服邮箱
回到顶部