电脑桌面
添加小米粒文库到电脑桌面
安装后可以在桌面快捷访问

地下连续墙计算VIP免费

地下连续墙计算_第1页
1/8
地下连续墙计算_第2页
2/8
地下连续墙计算_第3页
3/8
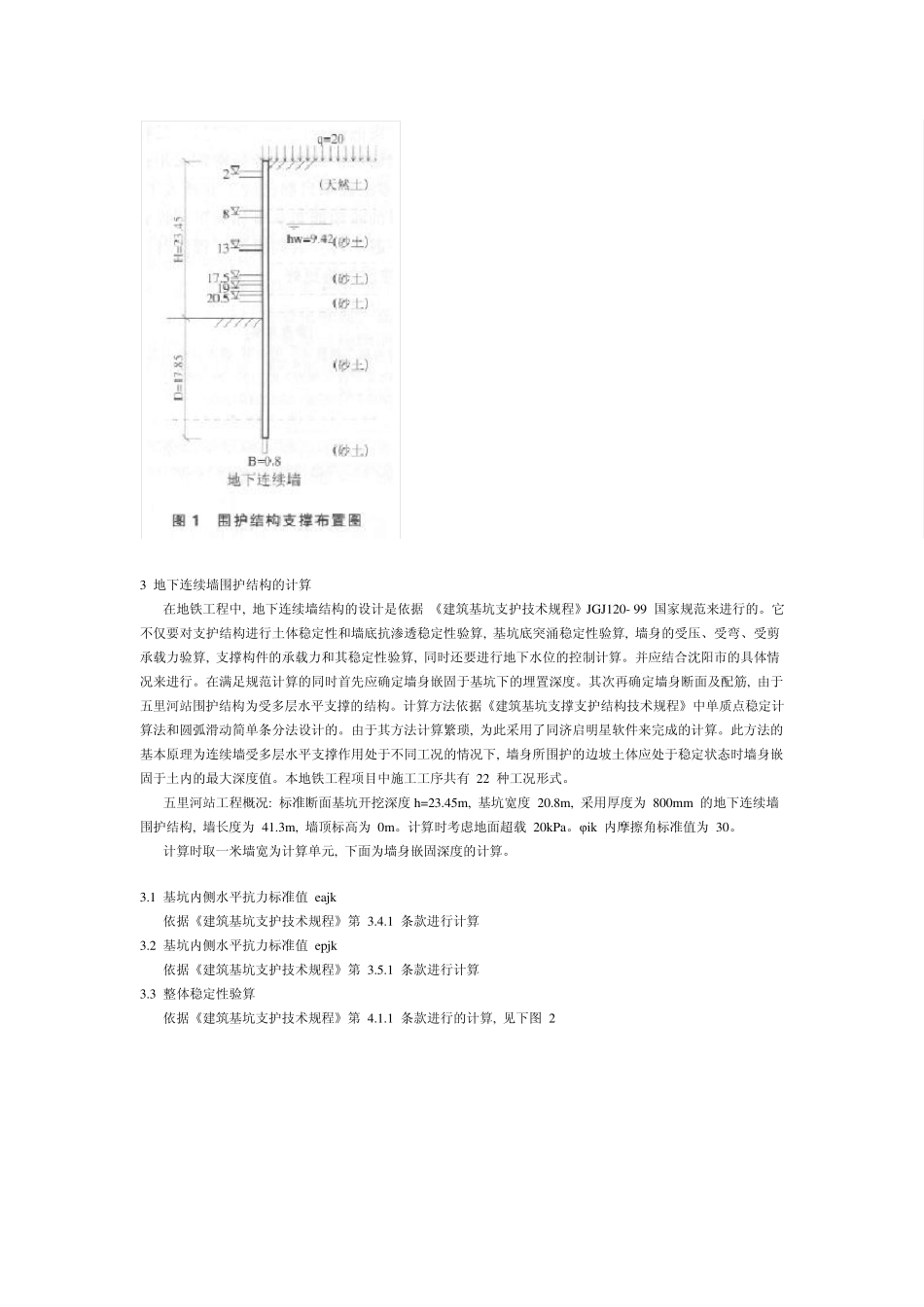
五里河站明挖施工方法的确定 明挖法即为采用围护结构做围挡,主体结构为露天作业的一种施工方法。该方法能较好地利用地下空间, 紧凑合理, 管理方便。同时具有施工作业面宽, 方法简单, 施工安全, 技术成熟, 工程进度周期短, 工程质量易于保证及工程造价低等优点。沈阳市地铁二号线五里河站位于南二环路与青年大街交叉南侧, 青年大街东侧的绿地内, 为浑河北岸约 200 米远处。地面以上车站周围现状为绿地和商业区待用地。地面以下有通信电缆管线。但埋深较浅, 对车站埋深不起控制作用, 因施工厂地开阔, 可采用明挖法施工方案。 明挖法施工方案工序分为四个步骤进行: 先进行维护结构施工, 内部土方开挖, 工程结构施工, 恢复管线和覆土。从施工步骤的内容上看: 围护结构部分是地铁站实施的第一个步骤, 它在工程建设中起着至关重要的作用, 其方案确定的合理与否将直接影响到明挖法施工的成败, 因此根据不同现场情况和其地质条件来选定与之相适用的围护结构方案, 这样才能确保地铁工程安全, 经济有序的进行。 2 主体围护结构方案的确定 地铁工程中常用的围护结构有: 排桩围护结构, 地下连续墙围护结构和土钉围护结构。当基坑较线 5 米以内及侧压力较小时,一般不设置水平支撑构件。当基坑较深时, 在围护结构坑内侧就需要设置多层多道水平支撑构件, 其目的是为了降低围护结构的水平变位。 排桩围护结构是以某种桩型按队列式布置组成的基坑支护结构。排桩围护结构特点是整体性差, 但施工方便, 投资小, 工程造价低。它适用于边坡稳定性好, 变形小及地下水位较低的地质条件。由于其防水防渗性能差,地铁工程采用排桩围护结构时, 一般采用坑外降水的方法来降地下水, 其排水费用较大。 地下连续墙结构: 是用机械施工方法成槽浇灌, 钢筋混凝土形成的地下墙体, 其墙厚应根据基坑深度和侧土压力的大小来确定, 常用为 800 ̄1200m m 厚。其特点是: 整体性好, 刚度大, 对周围建筑结构的安全性影响小, 防水抗渗性能良好。它不仅适用于软弱流动性能较大的土质, 同时还适于多种不同情况的地质条件, 但其造价高, 投资大。由于其结构的防水防渗性能好, 采用此结构做围护结构时, 一般用坑内降水法降地下水, 其降水费用相对低。 土钉墙结构: 是在基坑开挖过程中, 将土钉置入原状土体中, 并在支护面上喷射钢筋混凝土面层, 通过土钉、土体和喷射的混凝土面层的共同作用形成的结构。这种结构适用于浅基坑地下水位...

1、当您付费下载文档后,您只拥有了使用权限,并不意味着购买了版权,文档只能用于自身使用,不得用于其他商业用途(如 [转卖]进行直接盈利或[编辑后售卖]进行间接盈利)。
2、本站所有内容均由合作方或网友上传,本站不对文档的完整性、权威性及其观点立场正确性做任何保证或承诺!文档内容仅供研究参考,付费前请自行鉴别。
3、如文档内容存在违规,或者侵犯商业秘密、侵犯著作权等,请点击“违规举报”。

碎片内容

地下连续墙计算

您可能关注的文档

小辰4+ 关注
实名认证
内容提供者

出售各种资料和文档

确认删除?
VIP
微信客服
  • 扫码咨询
会员Q群
  • 会员专属群点击这里加入QQ群
客服邮箱
回到顶部