电脑桌面
添加小米粒文库到电脑桌面
安装后可以在桌面快捷访问

地基事故案例VIP免费

地基事故案例_第1页
1/23
地基事故案例_第2页
2/23
地基事故案例_第3页
3/23
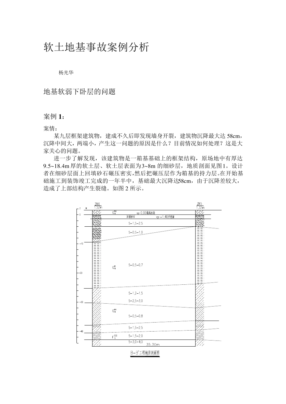
软土地基事故案例分析 杨光华 地基软弱下卧层的问题 案例1 : 案情: 某九层框架建筑物,建成不久后即发现墙身开裂,建筑物沉降最大达58cm,沉降中间大,两端小,产生这一问题的原因是什么?目前情况如何处理?这是大家关心的问题。 进一步了解发现,该建筑物是一箱基基础上的框架结构,原场地中有厚达9.5~18.4m 厚的软土层、软土层表面为3~8m 的细砂层,地质剖面见图1。设计者在细砂层面上回填砂石碾压密实,然后把碾压层作为箱基的持力层。在开始基础施工到装饰竣工完成的一年半中,基础最大沉降达58cm,由于沉降差较大,造成了上部结构产生裂缝。如图 2 所示。 图1 原因: 该案例产生过大沉降并影响上部结构安全,关键原因是对地基承载力的认识不够完整。地基承载力是取决于基础应力影响所到的受力范围,不仅仅是基础底附近的土体承载力。同时,地基承载力应包含两层内容,一是地基强度稳定,二是地基变形。本工程基础长×宽为 60×20m ,其应力影响到地基下部的软土层,在上部结构荷载作用下软土产生固结沉降,随着时间的增长,沉降逐步发展,预计总沉降量会达约 100cm ,目前沉降量约为总沉降量的60%。由于沉降量过大,沉降不均匀,同时上部结构刚度也不均匀,从而在结构刚度突变处产生了裂缝。 图2 处理: 该工程必须要对地基进行加固处理,加固采用静压预制砼桩方案。但设计时要考虑桩土的共同作用,同时充分考虑目前地基已承担了部分荷载,加固桩只需承担部分荷载即可,而不必设计成由加固桩承担全部荷载,从而达到节省的目的。 启示: 1、地基的承载力要考虑下卧软土层的承载力,地基设计应要进行沉降计算,尤其是场地存在软弱土层的地基,必须要进行沉降验算。 2、这种地基的加固设计应考虑已有土体先发挥作用,已承担了部分荷载的特点,设计的加固桩与地基共同作用承担部分荷载,从而达到更经济合理的设计。 某水厂水池群地基处理 案例2 一、工程概况 某水厂各水池平面布置如图 1 所示,水池建成后进行充水使用,当充水一段时间后,发现水池产生较大沉降,典型沉降如图 2 所示。由于沉降较大,且沉降存在不均匀性,因此,马上进行放水。查找和分析沉降和不均匀沉降的原因。提出处理方案。 沉降观察点位置示意图左生化池右生化池23`24`22`20`19`21`1`2`3`18`17`4`5`16`15`6`12`11`10`13`9`14`7`8`右水解池左水解池 观测点布置图右水解池右水解池左生化池右生化池 累计沉降量 m m 水解池 观测点...

1、当您付费下载文档后,您只拥有了使用权限,并不意味着购买了版权,文档只能用于自身使用,不得用于其他商业用途(如 [转卖]进行直接盈利或[编辑后售卖]进行间接盈利)。
2、本站所有内容均由合作方或网友上传,本站不对文档的完整性、权威性及其观点立场正确性做任何保证或承诺!文档内容仅供研究参考,付费前请自行鉴别。
3、如文档内容存在违规,或者侵犯商业秘密、侵犯著作权等,请点击“违规举报”。

碎片内容

地基事故案例

确认删除?
VIP
微信客服
  • 扫码咨询
会员Q群
  • 会员专属群点击这里加入QQ群
客服邮箱
回到顶部