电脑桌面
添加小米粒文库到电脑桌面
安装后可以在桌面快捷访问

地层与岩性特征VIP免费

地层与岩性特征_第1页
1/9
地层与岩性特征_第2页
2/9
地层与岩性特征_第3页
3/9
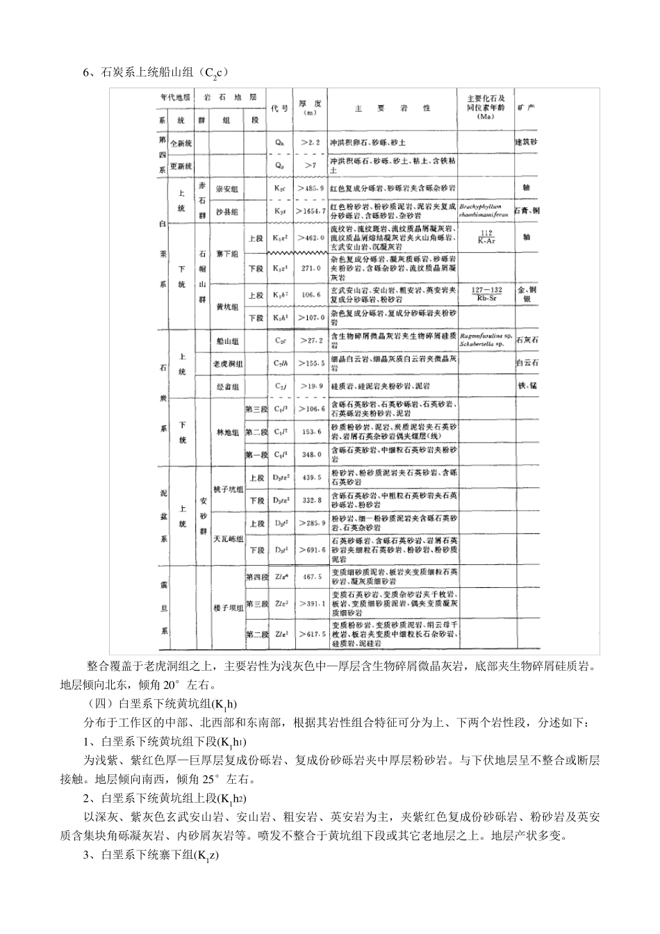
(一)震旦系楼子坝组第二段(Zlz2)、第三段(Zlz3)和第四段(Zlz4) 根据岩性组合特征可分为四个岩性段,本区出露第二段(Zlz2)、第三段(Zlz3)和第四段(Zlz4)。第二段(Zlz2)主要岩性为浅灰、浅灰绿色中-薄层状变质粉砂岩、变质粉砂质泥岩、绢云母千枚岩、板岩夹中-厚层状变质杂砂岩、硅质岩、泥硅岩、硅泥岩;第三段(Zlz3)主要岩性为灰、灰绿色厚层变质中细粒石英砂岩、变质中细粒杂砂岩夹绢云母千枚岩、千枚状板岩、变质细砂质泥岩,上部偶夹变质凝灰质细砂岩;第四段(Zlz4)主要岩性为浅灰、灰绿色变质细砂质泥岩、千枚状板岩夹变质细粒石英砂岩、凝灰质细砂岩等。 (二)泥盆系上统天瓦岽组 (D3t) 为一套陆相碎屑沉积,不整合覆盖于震旦系楼子坝组第四段(Zlz4)地层之上。根据岩性组合特征可分为上、下两个岩性段,分述如下: 1、泥盆系上统天瓦岽组下段 (D3t1) 岩性为灰白色中—厚层状石英砂砾岩、含砾石英砂岩、岩屑石英砂岩夹灰色中—薄层细粒石英砂岩、粉砂岩、粉砂质泥岩等,岩石具弱片理化现象。地层倾向北西,倾角25~40°。 2、泥盆系上统天瓦岽组上段 (D3t2) 岩性为灰色厚层粉砂岩、粉砂质泥岩夹白色含砾石英砂岩、石英杂砂岩等,粉砂岩普遍具角岩化。地层倾向北西,倾角25~30°与下段地层整合接触。 3、泥盆系上统桃子坑组﹙D3tz﹚ 为一套陆相碎屑沉积,整合覆盖于天瓦岽组地层之上。根据岩性组合特征可分为上、下两个岩性段。分述如下: (1)泥盆系上统桃子坑组下段 (D3tz1) 小规模出现,岩性为灰白色厚—巨厚层含砾石英砂岩、中粗粒石英砂岩夹石英砂砾岩、粉砂岩等。地层倾向南东东,倾角15°左右。 (2)泥盆系上统桃子坑组上段 (D3tz2) 岩性为灰、灰紫色粉砂岩、粉砂质泥岩夹灰白色石英砂岩、含砾石英砂岩,粉砂岩、泥岩具千枚状构造。地层倾向北西—北北西,倾角25~70°。与下段地层多为整合接触,局部断层接触。 (三)石炭系下统林地组(C1l) 该地层为一套陆相碎屑沉积,整合覆盖于桃子坑组之上。根据岩性组合特征本组划分为粗—细—粗整合过渡的三个岩性段,分述如下: 1、 石炭系下统林地组第一段(C1l1) 岩性为灰白色厚层含砾石英砂岩、中细粒石英砂岩夹灰紫色粉砂岩。地层倾向大多为北西—北北西向,倾角25~35°。 2、石炭系下统林地组第二段(C1l2) 岩性为灰紫、灰黑色中薄层砂质粉砂岩、泥岩、炭质泥岩夹灰白色中厚层石英砂岩、岩屑石英杂砂岩,偶夹煤线。地层倾向北西—北西...

1、当您付费下载文档后,您只拥有了使用权限,并不意味着购买了版权,文档只能用于自身使用,不得用于其他商业用途(如 [转卖]进行直接盈利或[编辑后售卖]进行间接盈利)。
2、本站所有内容均由合作方或网友上传,本站不对文档的完整性、权威性及其观点立场正确性做任何保证或承诺!文档内容仅供研究参考,付费前请自行鉴别。
3、如文档内容存在违规,或者侵犯商业秘密、侵犯著作权等,请点击“违规举报”。

碎片内容

地层与岩性特征

您可能关注的文档

确认删除?
VIP
微信客服
  • 扫码咨询
会员Q群
  • 会员专属群点击这里加入QQ群
客服邮箱
回到顶部