电脑桌面
添加小米粒文库到电脑桌面
安装后可以在桌面快捷访问

地铁车站质量控制要点(交底篇)VIP专享VIP免费

地铁车站质量控制要点(交底篇)_第1页
1/12
地铁车站质量控制要点(交底篇)_第2页
2/12
地铁车站质量控制要点(交底篇)_第3页
3/12
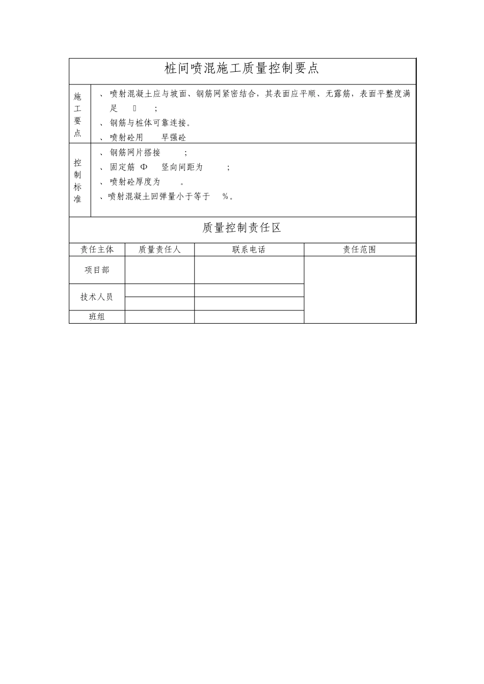
防水施工质量控制要点 施工要点 1 、基面平整、干燥无明水。 2、阴角、阳角做成钝角处理。 3、卷材搭接缝应粘(焊)结牢固,密封严密;卷材搭接缝必须粘结牢固,不得出现空鼓、翘边;钉孔、破损部位必须采用同种材料修补;防水层甩槎范围隔离膜不得撕掉并覆盖保护。 4、涂料防水层的施工缝(甩槎)应注意保护。 5、涂刷程序应先做转角处、穿墙管道、变形缝等部位的涂料加强层,后进行大面积涂刷。 6、中埋式止水带中心线应和变形缝中心线重合,止水带不得穿孔或用铁钉固定;中埋止水带连接采用热熔焊接。 7、环向施工缝防水措施设臵中埋止水带+注浆导管;纵向施工缝防水措施设臵中埋止水带+止水胶 8、顶板变形缝防水措施中埋止水带+止水胶(迎、背水面);侧墙、底板变形缝防水措施中埋止水带+止水胶(背水面)+外贴式止水带 控制标准 1、 基层平整度必须符合设计要求(D/L≤1/50) 2、 阴角做成不小于50×50mm、阳角做成 20×20mm的钝角。 3、 涂料防水层的施工缝(甩槎)应注意保护,搭接缝宽度应大于100mm,接涂前应将其甩茬表面处理干净; 4、 卷材搭接宽度不小于10cm, 质量控制责任区 责任主体 质量责任人 联系电话 责任范围 项目部 技术人员 班组 土方开挖施工质量控制要点 施工要点 1、基坑开挖应分段、分层、分区对称开挖,每层挖土深度不大于 3m 2、如采用机械开挖方,应在基坑底及坑壁留 300mm厚土层,由人工挖掘修整 3、基坑边缘堆臵土方、建筑材料及运输车辆距基坑边缘距离不小于 1.5m,且堆土高度不大于 1.5m 4、基坑开挖完成后应该按接地网施工图铺设接地网及排水盲沟,并及时清底验槽,浇注垫层封闭基坑,减少地基土暴露时间。 控制标准 1、坑底高程允许偏差+10~-20 mm,纵横轴线允许偏差 50 mm,基坑尺寸不小于设计值。 2、横向坡度 1:1;纵向坡度不大于 1:1 质量控制责任区 责任主体 质量责任人 联系电话 责任范围 项目部 技术人员 班组 桩间喷混施工质量控制要点 施工要点 1、 喷射混凝土应与坡面、钢筋网紧密结合,其表面应平顺、无露筋,表面平整度满足D/L≤ 1/50; 2、 钢筋与桩体可靠连接。 3、 喷射砼用C20早强砼 控制标准 1、 钢筋网片搭接300mm; 2、 固定筋(Φ20)竖向间距为 450mm; 3、 喷射砼厚度为 80mm。 4、喷射混凝土回弹量小于等于 15%。 质量控制责任区 责任主体 质量责任人 联系电话 责任范围 项目部 技术人员 班组 钢管支...

1、当您付费下载文档后,您只拥有了使用权限,并不意味着购买了版权,文档只能用于自身使用,不得用于其他商业用途(如 [转卖]进行直接盈利或[编辑后售卖]进行间接盈利)。
2、本站所有内容均由合作方或网友上传,本站不对文档的完整性、权威性及其观点立场正确性做任何保证或承诺!文档内容仅供研究参考,付费前请自行鉴别。
3、如文档内容存在违规,或者侵犯商业秘密、侵犯著作权等,请点击“违规举报”。

碎片内容

地铁车站质量控制要点(交底篇)

确认删除?
VIP
微信客服
  • 扫码咨询
会员Q群
  • 会员专属群点击这里加入QQ群
客服邮箱
回到顶部