电脑桌面
添加小米粒文库到电脑桌面
安装后可以在桌面快捷访问

交安雨季施工专项方案VIP免费

交安雨季施工专项方案_第1页
1/13
交安雨季施工专项方案_第2页
2/13
交安雨季施工专项方案_第3页
3/13
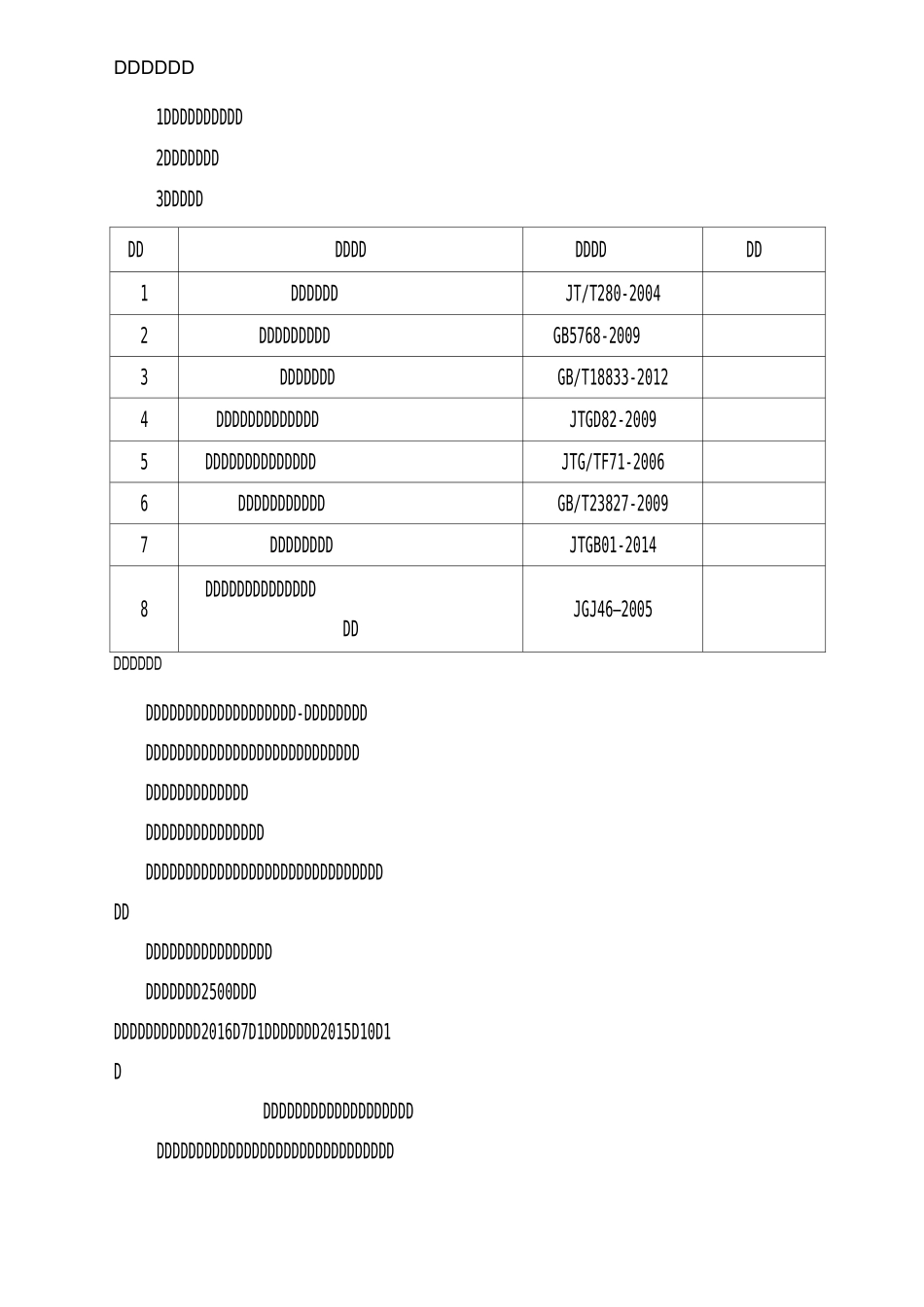
DDDDDDDDDDDDDDDDDDDDDDDDDDDDDDDDDDDDDD2016D5D22DDDDDDD0DDDDDD0DDDDDD1DDDDDDDDDDDDDDD1DDDDDDDDDDDDD1DDDDDDDD2DDDDDDDDDDD2DDDDDDDDDD2DDDDDDDDDDDDDD3DDDDDDDD3DDDDDDDD3DDDDDDDD4DDDDDDDDD4DDDDDDDD4DDDDDDDDDDDDD4DDDDDDDDDD6DDDDDDDD6DDDDDDDDDD7DDDDDDDDDDD7DDDDDD1DDDDDDDDDD2DDDDDDD3DDDDDDDDDDDDDDDDD1DDDDDDJT/T280-20042DDDDDDDDDGB5768-20093DDDDDDDGB/T18833-20124DDDDDDDDDDDDDJTGD82-20095DDDDDDDDDDDDDDJTG/TF71-20066DDDDDDDDDDDGB/T23827-20097DDDDDDDDJTGB01-20148DDDDDDDDDDDDDDDDJGJ46—2005DDDDDDDDDDDDDDDDDDDDDDDDD-DDDDDDDDDDDDDDDDDDDDDDDDDDDDDDDDDDDDDDDDDDDDDDDDDDDDDDDDDDDDDDDDDDDDDDDDDDDDDDDDDDDDDDDDDDDDDDDDDDDDDDDDDDDDDDDDDDDDDD2500DDDDDDDDDDDDDD2016D7D1DDDDDDD2015D10D1DDDDDDDDDDDDDDDDDDDDDDDDDDDDDDDDDDDDDDDDDDDDDDDDDDDDDDDDDDDDDDDDDDDDDDDDDDDDDDDDDDDDDDDDDDDDDDDD1DDDDDDDDDDDDDDDDDDDDDDDDDDD6-9DDDDDDDDDDDDDDD73%DDDDDDDD6-9DDDDDDDDDDD2DDDDDDD:DDDDDDDDDDDDDDDDDDDDDDDDDDDDDDDDDDDDDDDDDDDDDmmDDDDDDDDDDDDDDDDDDDDD1D100.2D5DDDDDDDDDDDDDDDD10D255.1D15DDDDDDDDDDDDDDDD25D5015.1D30DDDDDDDDDDDDDDD50D10030.1D70DDDDDDDDDDDDDDDDDDD100D12070.1D140DDDDDDDDDDDDDDDD>200>140DDDDDDDDDDDDD1DDDDDDDDDDDDDDDDDDDDDDDDDDDDDDDDDDDDDDDDDDDDDDDDDDDDDDDDDDDDDDDDDDDDDDDDDDDDDDDDDDDDDDDDDDDDDDDDDDDDDDDDDDDDDD3DDDDDDDDDDDDDDDDDDDDDDDDDDDDDDDDDDDDDDDDDDD4DDDDDDDDDDDDDDDDDDDDDDDDDDDDDDDDDDDDDDDDDDDDDDDDDDD1DDDDDDDDDDDDDDDDDDDDDDDDDDDDDDDDDDDDDDDDDDDDDDDDDDDDDD2DDDDDDDDDDDDDDDDDDDDDDDDD3DDDDDDDDDDDDDDDDDDDDDDDDDDDDDDDDDDDDDDDDDDDDDDDDDDDDDDDDDDDDDDD1DDDDDDDDDDDDDDDDDDDDDDDDDDDDDDDDDDDDDDDDDDDDDDDDDDDDDDDDDDDDDDDDDDDD2DDDDDDDDDDDDDDDDDDDD3DDDDDDDDDDDDDDDDDDDDDDDDDDDDDDD4DDDDDDDDDDDDDDDDDDDDDDDDDDDDDDDDDDDDDDDDDDDDDDDDDDDDDD1DDD2002DDDDD10003DDDDD10004DDD305DDD30DDDDDDDDDDDDDDDDDDDDDDDDDDDDDDDDD4DDDDDDDDDDDDDDDDDDDD20*30cmUb*hDD6DDD307DDD308DDDD309DDD2010DDD611DDD512DDDDDD40013DDD30014DDDDD200DDDDDDDDDDDDDDDDDDDDDDD1DDDDDDDDDDDDDDDDDDDDDDDDDDDDDDDDDDDD30cmDDD40~50cmDDDDDDDDDDDDDDD2DDDDDDDDDDDDDDDDDDDDDDDDDDDDDDDDDDDDDD30cmDDDDDDD30cmDDDD4%DDDDDDDDDD1DDDDDDDDDDDDDDDDDDDDDDDDDDDDDDDDD20cmDDDDDDDDDDDDDDDDDDDDDDDDD...

1、当您付费下载文档后,您只拥有了使用权限,并不意味着购买了版权,文档只能用于自身使用,不得用于其他商业用途(如 [转卖]进行直接盈利或[编辑后售卖]进行间接盈利)。
2、本站所有内容均由合作方或网友上传,本站不对文档的完整性、权威性及其观点立场正确性做任何保证或承诺!文档内容仅供研究参考,付费前请自行鉴别。
3、如文档内容存在违规,或者侵犯商业秘密、侵犯著作权等,请点击“违规举报”。

碎片内容

交安雨季施工专项方案

wxg+ 关注
实名认证
内容提供者

该用户很懒,什么也没介绍

确认删除?
VIP
微信客服
  • 扫码咨询
会员Q群
  • 会员专属群点击这里加入QQ群
客服邮箱
回到顶部