电脑桌面
添加小米粒文库到电脑桌面
安装后可以在桌面快捷访问

医药原料粉末状 XZG800型闪蒸干燥机VIP免费

医药原料粉末状  XZG800型闪蒸干燥机_第1页
1/4
医药原料粉末状  XZG800型闪蒸干燥机_第2页
2/4
医药原料粉末状  XZG800型闪蒸干燥机_第3页
3/4
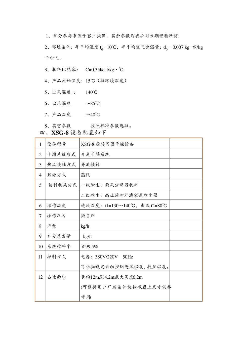
医药原料粉末状 XZG800 型闪蒸干燥机 根据你提供物料的性质和要求,结合我们长期从事干燥设备生产设计所取得的经验,需要选择一套XSG-8 旋转闪蒸机组可以勉强满足生产要求,如有不详请来电!我们将竭诚为您服务! 一、设备的介绍: 原理:冷空气经空气过滤后,由通风机送至蒸汽换热器(或者导热油换热器)内加热,加热后的空气以适宜的风速从干燥塔底部进入,与(安装在干燥塔上)螺旋加料器加入的湿物料产生强烈的剪切、吹浮、旋转、粉碎(外界机械力)等作用。此过程空气将热量传递给物料中的湿份,使物料中的湿份因吸收热量气化与物料相分离,被空气带走,空气也因为热量传递温度降低。 物料收集采用一级旋风分离器分离+高压脉冲袋式除尘器,一级旋风分离器分离后的物料由关风机自动排出,此收尘率可以达到95%以上,从旋风分离器排出的空气和物料进入高压脉冲除尘器,收集到物料由自动送料器排出,除尘率可达到99%。尾气由引风机抽走排放。 整套设备运转稳定,操作简单,连续生产可靠。是干燥该物料的极佳型号。 二、客户提供的技术参数及要求136.一611.二988 1、物料名称:医药原料粉末状 2、初含水分: 约35% 3、终含水分: 约5% 4、产 量: 200-500kg/h 5、堆积密度:0.7~0.8 6、进风温度:~140℃ 7、热 源: 蒸 气 8、收料方式:旋风+布袋除尘器收料 9、设备材质:物料接触不锈钢SUS304 10、安 装:室内 11、电 源:380V 50Hz 三、 设计依据、工艺条件、运转参数: 1、部分参与来源于客户提供,其余参数为我公司长期经验所得. 2、环境条件:年平均温度t0 =10℃,年平均空气含湿量:d0 = 0.007 kg 水/kg干空气。 3、物料比热容: C=0.35kcal/kg·℃ 4、产品原始温度:15℃(取环境温度) 5、进风温度 : 140℃ 6、出风温度 ~85℃ 7、产品温度 ~40℃ 8、其它参数 按照标准参数选取。 四、XSG-8 设备配置如下 1 设备型号 XSG-8 旋转闪蒸干燥设备 2 干燥系统形式 开式干燥系统 3 热风接触方式 并流接触 4 热源方式 蒸汽 5 粉料收集方式 一级除尘:旋风分离器收料 二级除尘:高压脉冲外滤袋式除尘器 6 操作温度 进风温度:t1=130~140℃,出风t2=80℃ 7 操作压力 微负压 8 产量 kg/h 9 水分蒸发量 kg/h 10 系统收料率 ≥99.5% 11 控制方式 电源:380V/220V 50Hz 可根据设定自动控制进风温度,数显温度。 12 占地面积 长约12m,宽4.2m,最大高度6.2m...

1、当您付费下载文档后,您只拥有了使用权限,并不意味着购买了版权,文档只能用于自身使用,不得用于其他商业用途(如 [转卖]进行直接盈利或[编辑后售卖]进行间接盈利)。
2、本站所有内容均由合作方或网友上传,本站不对文档的完整性、权威性及其观点立场正确性做任何保证或承诺!文档内容仅供研究参考,付费前请自行鉴别。
3、如文档内容存在违规,或者侵犯商业秘密、侵犯著作权等,请点击“违规举报”。

碎片内容

医药原料粉末状 XZG800型闪蒸干燥机

确认删除?
VIP
微信客服
  • 扫码咨询
会员Q群
  • 会员专属群点击这里加入QQ群
客服邮箱
回到顶部