电脑桌面
添加小米粒文库到电脑桌面
安装后可以在桌面快捷访问

工程制图习题——选择题VIP免费

工程制图习题——选择题_第1页
1/6
工程制图习题——选择题_第2页
2/6
工程制图习题——选择题_第3页
3/6
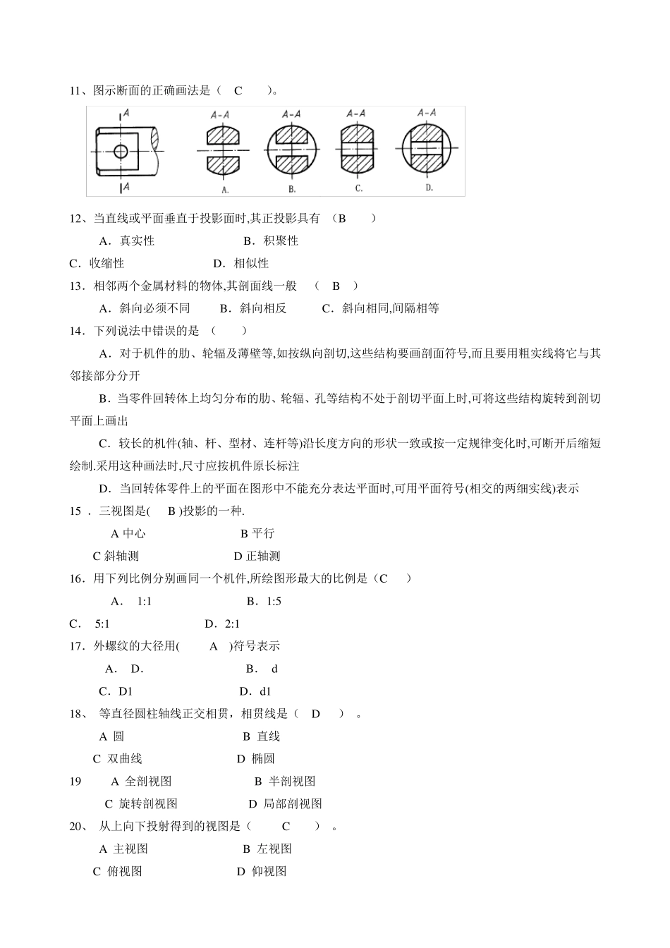
工程制图习题——选择题 1、已知带有圆柱孔的半球体的四组投影,正确的画法是( C )图。 2、已知物体的主、俯视图,正确的左视图是( B )图。 3、点 A 在圆柱表面上,正确的一组视图是( B ) 4、根据主、俯视图,选择正确的主视图的剖视图。( C ) 5、已知圆柱切割后的主、俯视图,正确的左视图是( C )图。 6、下面选项中,立体正确的左视图是( C )图。 7、下面选项中,立体正确的左视图是( A)图。 (a) (b) (c) (d) 8、.已知一立体的轴测图,按箭头所指的方向的视图是 C 。 9、已知物体的主俯视图,正确的左视图是( B )。 10、已知主视图和俯视图,正确的左视图是( C )。 11、图示断面的正确画法是( C )。 12、当直线或平面垂直于投影面时,其正投影具有 (B ) A.真实性 B.积聚性 C.收缩性 D.相似性 13.相邻两个金属材料的物体,其剖面线一般 ( B ) A.斜向必须不同 B.斜向相反 C.斜向相同,间隔相等 14.下列说法中错误的是 ( ) A.对于机件的肋、轮辐及薄壁等,如按纵向剖切,这些结构要画剖面符号,而且要用粗实线将它与其邻接部分分开 B.当零件回转体上均匀分布的肋、轮辐、孔等结构不处于剖切平面上时,可将这些结构旋转到剖切平面上画出 C.较长的机件(轴、杆、型材、连杆等)沿长度方向的形状一致或按一定规律变化时,可断开后缩短绘制.采用这种画法时,尺寸应按机件原长标注 D.当回转体零件上的平面在图形中不能充分表达平面时,可用平面符号(相交的两细实线)表示 15 .三视图是( B )投影的一种. A 中心 B 平行 C 斜轴测 D 正轴测 16.用下列比例分别画同一个机件,所绘图形最大的比例是(C ) A. 1:1 B.1:5 C. 5:1 D.2:1 17.外螺纹的大径用( A )符号表示 A. D. B. d C.D1 D.d1 18、 等直径圆 柱 轴线正交相贯 , 相贯 线是( D ) 。 A 圆 B 直线 C 双 曲 线 D 椭 圆 19 A 全 剖视图 B 半 剖视图 C 旋转剖视图 D 局 部剖视图 20、 从 上向下投射 得 到的视图是( C ) 。 A 主 视图 B 左 视图 C 俯 视图 D 仰 视图 21、基本视图在同一张图纸内,如按规定位置配置____C__标注视图名称;如不按规定位置配置______ 标注。( ) A 都要 B 要,不要 C 不要,要 D 都不要 22、外螺纹的大径用( A )符号表示 . A. D. B. d C.D1 D.d1 23...

1、当您付费下载文档后,您只拥有了使用权限,并不意味着购买了版权,文档只能用于自身使用,不得用于其他商业用途(如 [转卖]进行直接盈利或[编辑后售卖]进行间接盈利)。
2、本站所有内容均由合作方或网友上传,本站不对文档的完整性、权威性及其观点立场正确性做任何保证或承诺!文档内容仅供研究参考,付费前请自行鉴别。
3、如文档内容存在违规,或者侵犯商业秘密、侵犯著作权等,请点击“违规举报”。

碎片内容

工程制图习题——选择题

确认删除?
VIP
微信客服
  • 扫码咨询
会员Q群
  • 会员专属群点击这里加入QQ群
客服邮箱
回到顶部