电脑桌面
添加小米粒文库到电脑桌面
安装后可以在桌面快捷访问

工程制图试题及答案和习题集答案cadVIP专享VIP免费

工程制图试题及答案和习题集答案cad_第1页
1/50
工程制图试题及答案和习题集答案cad_第2页
2/50
工程制图试题及答案和习题集答案cad_第3页
3/50
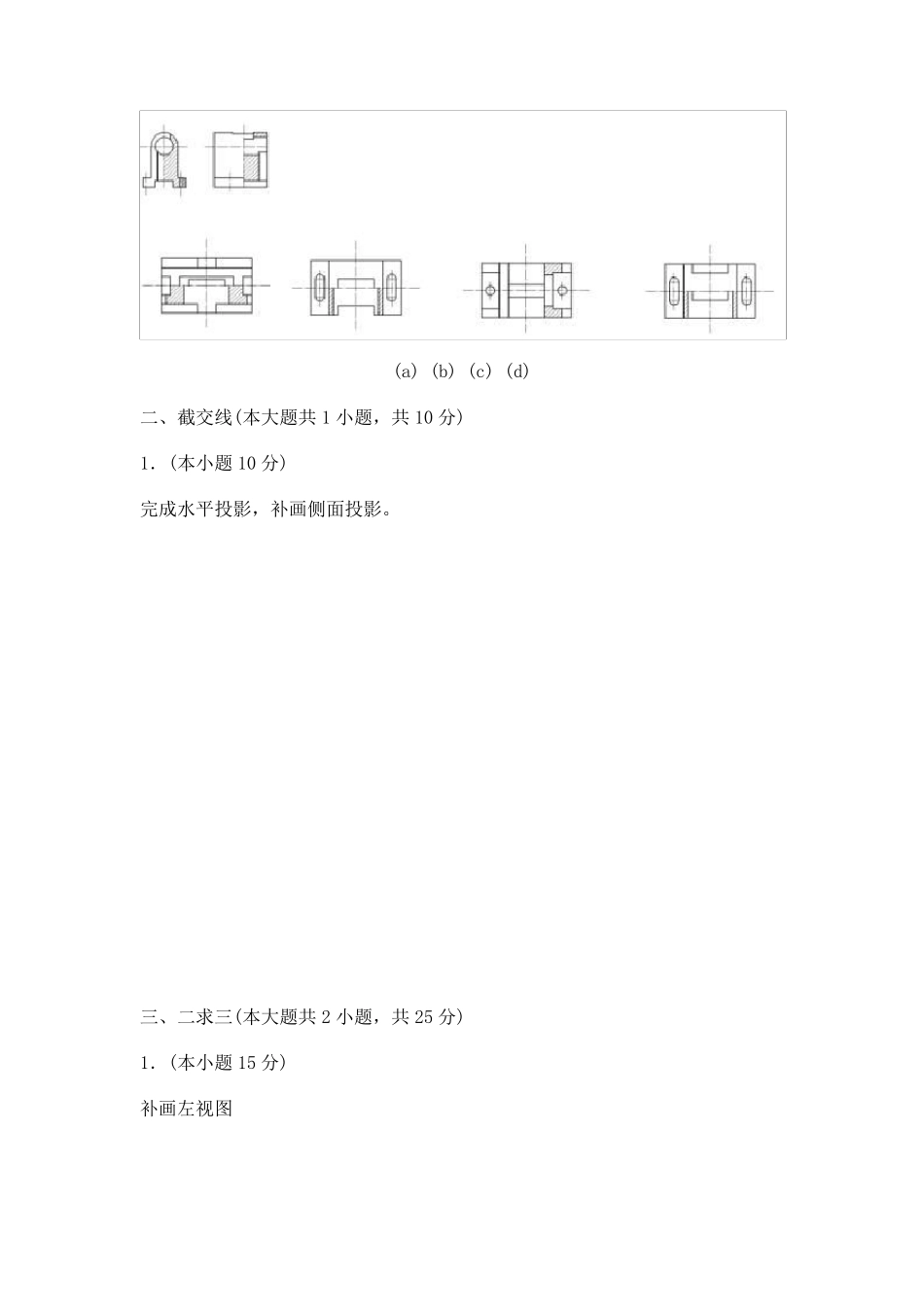
专业、班级 __________________ 学号 ______________ 姓名____________A 卷 …………………密…………………….封…………………线……………………… 中南大学 工程制图试卷(试卷一) 一、选择题(本大题共 2 小题,共 10 分) 1.(本小题 5 分) 已知主、俯两视图,正确的左视图是________。 2.(本小题 5 分) 已知主、左两视图,正确的俯视图是________。 (a) (b) (c) (d) 二、截交线(本大题共 1 小题,共 10 分) 1.(本小题 10 分) 完成水平投影,补画侧面投影。 三、二求三(本大题共 2 小题,共 25 分) 1.(本小题 15 分) 补画左视图 2.(本小题10 分) 补画左视图 四、剖视剖面(本大题共 3 小题,共 35 分) 1.(本小题10 分) 改正剖视图中的错误。 2.(本小题15 分) 主视图改画成半剖视图,并画出全剖视的左视图: 3.(本小题10 分) 把主视图画成全剖视: 五、综合运用(本大题共 1 小题,共 20 分) 根据轴测图和给出的主视图,采用适当的表达方法,补全表达该机件所需的各视图。 工程制图期末复习试题 一、点、线的投影作图。 1、做出诸点的三面投影:A(25,15,20);点B 距离投影面W 、V、H 分别为20,10,15。 3、已知:正平线AB 的实长为50mm。 求作:a′(一解即可) 4、已知:A、B、C 点的二面投影。求作:A、B、C 的第三面投影。 5、完成四边形 ABCD 的水平投影。 二、选择题: 1、已知带有圆柱孔的半球体的四组投影,正确的画法是( )图。 2、已知物体的主、俯视图,正确的左视图是( )图。 3、点 A 在圆柱表面上,正确的一组视图是( ) 4、根据主、俯视图,选择正确的主视图的剖视图。( ) 5、已知圆柱切割后的主、俯视图,正确的左视图是( )图。 四、已知圆锥面上点 A、点 B 一个投影,试求其另外两个投影。 0xzyHyW(b')a' 五、由已知立体的两个视图,补画第三视图。 六、补画平面立体被截切后的水平投影和侧面投影。 七、补全圆柱被截切后的侧面投影。(保留作图线) 八、补全相贯线正面投影。(保留作图线) 九、补画机件三视图所缺的线条。(保留作图线) 十、标注下面形体的尺寸(按图上实际量取,取整)。 十一、补全组合体的尺寸 十二、标注组合体的尺寸。(按图上实际量取,取整)。 十三、将主视图改为改为适当的全剖视图。 十四、在中间的图形上,将主视图合适的地方改为全剖视图。 第 2 章 第 3 章 第 4 章 第 5 章 第 6 章 第 7 章 第 8 章

1、当您付费下载文档后,您只拥有了使用权限,并不意味着购买了版权,文档只能用于自身使用,不得用于其他商业用途(如 [转卖]进行直接盈利或[编辑后售卖]进行间接盈利)。
2、本站所有内容均由合作方或网友上传,本站不对文档的完整性、权威性及其观点立场正确性做任何保证或承诺!文档内容仅供研究参考,付费前请自行鉴别。
3、如文档内容存在违规,或者侵犯商业秘密、侵犯著作权等,请点击“违规举报”。

碎片内容

工程制图试题及答案和习题集答案cad

确认删除?
VIP
微信客服
  • 扫码咨询
会员Q群
  • 会员专属群点击这里加入QQ群
客服邮箱
回到顶部