电脑桌面
添加小米粒文库到电脑桌面
安装后可以在桌面快捷访问

工程测量管理制度(业主方)VIP专享VIP免费

工程测量管理制度(业主方)_第1页
1/7
工程测量管理制度(业主方)_第2页
2/7
工程测量管理制度(业主方)_第3页
3/7
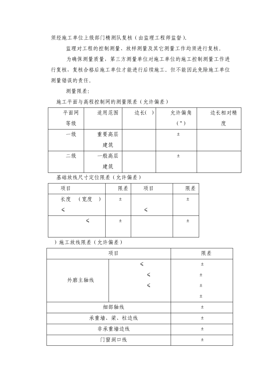
工程测量管理制度 1、总则 1.1工程测量工作是工程建设的重要环节,是技术管理工作的重要组成部分。它既是工程建设施工阶段的重要技术基础工作,又为施工和运营安全提供必要的资料和技术依据。为了加强总承包单位的测量管理,搞好工程测量,提高工程测量水平,保证工程质量,加快施工进度,提高经济效益,使工程测量规范化、制度化,防止测量事故发生,更好地为施工生产服务,在测量成果交接、复测、施工过程检查等各个工程测量管理环节上特制定此制度。 1.2本建筑工程施工测量主要参考(但不限于)以下规范执行: 1) 《工程测量规范》(GB50026-2007); 2) 《国家三、四等水准测量规范》(GBT 12898-2009); 3) 《杭州市基础测绘技术规程》杭州市规划国土局 2000年 10月。 1.3测量工作必须坚持复核制,参与本工程建设的各施工单位、监理单位、第三方测量单位及其它有关单位,都必须遵循复核制的基本规定,并认真执行。 2、施工测量内容 2.1施工测量 2.1.1地面施工控制测量:施工期间首级 GPS控制、?等水准网应完整、准确、可靠,并能方便施工及进一步加密地面控制点;平面控制点不少于 3个,水平控制点不少于 2个。 2.1.2联系测量:明挖工程投点、定向,向地下传递高程。定向测量的方法有:铅垂仪、陀螺经纬仪联合定向;联系三角形定向、导线定向测量、钻孔投点定向。传递调和测量的方法有:钢尺法、水准测量法、光电测距三角高程测量法、全站仪垂直测距法等。坑下定向边不少于 2条,坑下高程点不少于 2个,并加强对定向边间和高程点间的复核。 2.2施工导线测量和施工水准测量 2.2.1施工导线测量:施工导线测量必须按堆满规定进行施测,施工导线应起于高一级导线控制点,经复核准确无误后方可布设。导线形式对于建筑物 应布设成闭合路线,加强校核,并在布设新点时,应对原有点(不少于三点)进行复核。 2.2.2施工水准测量:施工水准测量必须按规范规定进行施测,水准路结形式为闭合或附合路线。 2.3施工放样 2.3.1在进行施工放样前,应对控制点进行复核,在点们准确的情况下,方可进行施工放样,控制点的复核结果应记录在测量记录本中。 2.3.2建(构)筑物结构和装修工程、设备及管线安装工程放样,要提高轴线、中线、垂直度、高程、预埋件等的放样精度。 2.4竣工测量 主要包括与建筑相关的建筑结构竣工测量、装修、设备竣工测量以及地下管线竣工测量等。 2.5其他测量作业 指为工程前期、后期工作,为工程措...

1、当您付费下载文档后,您只拥有了使用权限,并不意味着购买了版权,文档只能用于自身使用,不得用于其他商业用途(如 [转卖]进行直接盈利或[编辑后售卖]进行间接盈利)。
2、本站所有内容均由合作方或网友上传,本站不对文档的完整性、权威性及其观点立场正确性做任何保证或承诺!文档内容仅供研究参考,付费前请自行鉴别。
3、如文档内容存在违规,或者侵犯商业秘密、侵犯著作权等,请点击“违规举报”。

碎片内容

工程测量管理制度(业主方)

确认删除?
VIP
微信客服
  • 扫码咨询
会员Q群
  • 会员专属群点击这里加入QQ群
客服邮箱
回到顶部