电脑桌面
添加小米粒文库到电脑桌面
安装后可以在桌面快捷访问

工程资料归档要求VIP免费

工程资料归档要求_第1页
1/11
工程资料归档要求_第2页
2/11
工程资料归档要求_第3页
3/11
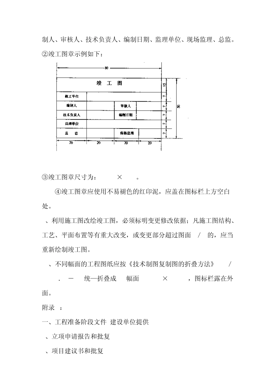
工程文件的归档范围及质量要求 一、工程文件的归档范围 1、对与工程建设有关的重要活动、记载工程建设主要过程和现状、具有保存价值的各种载体的文件,均应收集齐全,整理立卷后归档。 2、工程文件的具体归档范围应符合本规范附录 A的要求。 二、归档文件的质量要求 1、归档的工程文件应为原件。 2、工程文件的内容及其深度必须符合国家有关工程勘察、设计、施工、监理等方面的技术规范、标准和规程。 3、工程文件的内容必须真实、准确,与工程实际相符合。 4、工程文件应采用耐久性强的书写材料,如碳素墨水、蓝黑墨水,不得使用易褪色的书写材料,如:红色墨水、纯蓝墨水、圆珠笔、复写纸、铅笔等。 5、工程文件应字迹清楚,图样清晰,图表整洁,签字盖章手续完备。 6、工程文件中文字材料幅面尺寸规格宜为 A4幅面(297mm×210 mm)。图纸宜采用国家标准图幅。 7、工程文件的纸张应采用能够长期保存的韧力大、耐久性强的纸张。图纸一般采用蓝晒图,竣工图应是新蓝图。计算机出图必须清晰,不得使用计算机出图的复印件。 8、所有竣工图均应加盖竣工图章。 ①竣工图章的基本内容应包括:“竣工图”字样、施工单位、编制人、审核人、技术负责人、编制日期、监理单位、现场监理、总监。 ②竣工图章示例如下: ③竣工图章尺寸为:50 mm×80mm。 ④竣工图章应使用不易褪色的红印泥,应盖在图标栏上方空白处。 9、利用施工图改绘竣工图,必须标明变更修改依据;凡施工图结构、工艺、平面布置等有重大改变,或变更部分超过图面 1/3的,应当重新绘制竣工图。 10、不同幅面的工程图纸应按《技术制图复制图的折叠方法》(GB/10609.3-89)统—折叠成 A4幅面(297 mm×210mm),图标栏露在外面。 附录 A: 一、工程准备阶段文件(建设单位提供) 1、立项申请报告和批复 2、项目建议书和批复 3、可行性研究报告、附件及审批意见 4、关于立项的会议纪要、领导讲话、专家建议文件 5、选址意见书和附件 6、用地申请报告和用地批准书 7、拆迁安置意见、协议、方案等 8、建设用地规划许可证、用地红线图 9、划拨建设用地文件 10、国有(集体)土地使用证(复印件加盖单位公章也可) 11、工程地质勘察报告 12、单体方案规划审查通知书 13、建筑工程消防设计审核意见书 14、环保部门出具的认可文件或准备使用文件 15、施工图设计文件的初审意见、整改回复、综审意见及批准书 16、建设工程施工图设计文件审查批准书 17、建设工...

1、当您付费下载文档后,您只拥有了使用权限,并不意味着购买了版权,文档只能用于自身使用,不得用于其他商业用途(如 [转卖]进行直接盈利或[编辑后售卖]进行间接盈利)。
2、本站所有内容均由合作方或网友上传,本站不对文档的完整性、权威性及其观点立场正确性做任何保证或承诺!文档内容仅供研究参考,付费前请自行鉴别。
3、如文档内容存在违规,或者侵犯商业秘密、侵犯著作权等,请点击“违规举报”。

碎片内容

工程资料归档要求

您可能关注的文档

确认删除?
VIP
微信客服
  • 扫码咨询
会员Q群
  • 会员专属群点击这里加入QQ群
客服邮箱
回到顶部