电脑桌面
添加小米粒文库到电脑桌面
安装后可以在桌面快捷访问

斜屋面悬挑式脚手架施工方案VIP免费

斜屋面悬挑式脚手架施工方案_第1页
1/28
斜屋面悬挑式脚手架施工方案_第2页
2/28
斜屋面悬挑式脚手架施工方案_第3页
3/28
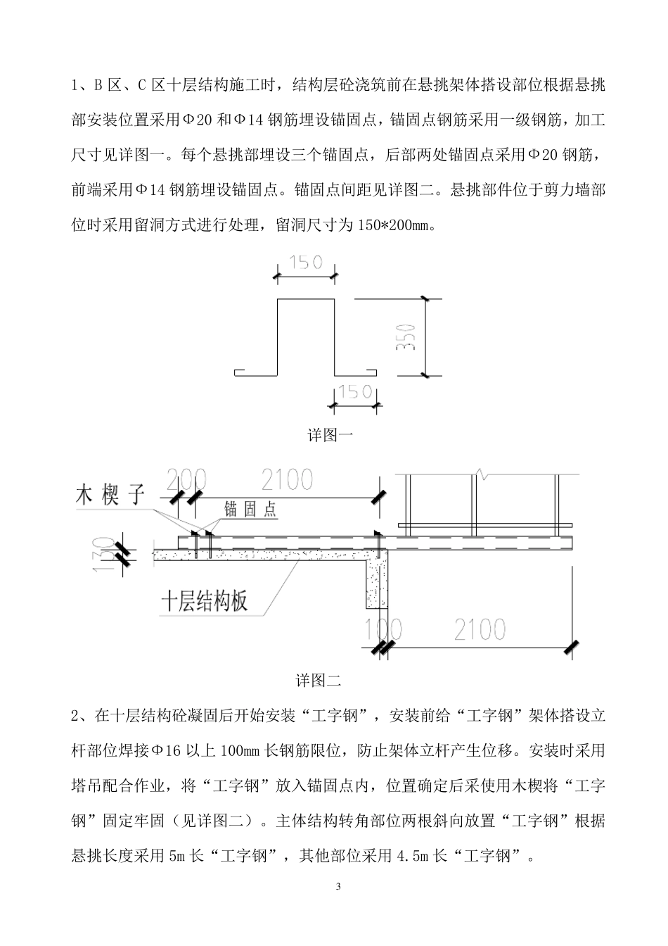
1 一、工程概况 本工程 B、C 区地上十二层、地下一层,建筑高度 51.8m,框架剪力墙结构。B、C 区斜屋面悬挑端出外立面 3m,斜屋面板厚 100mm,斜屋面框架梁截面尺寸为 250*700,次梁截面尺寸为 250*600,悬挑末端天沟水平梁截面尺寸为 250*600(见节点图一)。 B、C 区二层至九层采用悬挑式脚手架,此架体只作为防护性架体。现从十层开始改变外部悬挑式脚手架搭设方式,悬挑两层至斜屋面底部,悬挑高度约 8m。使得此架体既作为 B、C 区十层、十一层外防护脚手架,也是斜屋面悬挑端支撑架。 节点图一 二、编制依据 西北妇女儿童医院施工图纸 西北妇女儿童医院施工组织设计 2 《建筑施工扣件式钢管脚手架安全技术规范》 JGJ130-2011 《建筑施工安全检查标准》 JGJ59—2011 《建筑施工高处作业安全技术规范》 JGJ80—91 《品茗施工安全设施计算软件》 2012 版 三、施工准备 ㈠、材料准备 1、采用Ф48钢管,根据使用位置的不同选择相应尺寸的立杆。所有脚手架钢管必须采用已喷涂黄色油漆的钢管。 2、剪刀撑搭设采用已涂刷黑、黄色钢管,踢脚板采用15mm厚200mm高多层板制作,并涂刷黑、黄油漆。 3、悬挑部为16#“工”字钢,长度为4.5m,个别部位为5m。卸荷钢丝绳为Ф16。 ㈡、机具准备小孔 序号 机具名称 单 位 数 量 备 注 1 空气压缩机 台 2 380V 2 力矩扳手 把 5 ㈢、劳动力准备 管理人员4名,经过培训合格的持有上岗证的施工作业人员70名,油漆工10名。所有施工人员在施工前经过该工程的脚手架搭设施工方案技术交底,掌握搭设技术要求。 四、施工工艺 ㈠、悬挑部件安装 3 1、B 区、C 区十层结构施工时,结构层砼浇筑前在悬挑架体搭设部位根据悬挑部安装位置采用Ф20 和Ф14 钢筋埋设锚固点,锚固点钢筋采用一级钢筋,加工尺寸见详图一。每个悬挑部埋设三个锚固点,后部两处锚固点采用Ф20 钢筋,前端采用Ф14 钢筋埋设锚固点。锚固点间距见详图二。悬挑部件位于剪力墙部位时采用留洞方式进行处理,留洞尺寸为 150*200mm。 详图一 详图二 2、在十层结构砼凝固后开始安装“工字钢”,安装前给“工字钢”架体搭设立杆部位焊接Ф16 以上 100mm 长钢筋限位,防止架体立杆产生位移。安装时采用塔吊配合作业,将“工字钢”放入锚固点内,位置确定后采使用木楔将“工字钢”固定牢固(见详图二)。主体结构转角部位两根斜向放置“工字钢”根据悬挑长度采用5m 长“工字钢”,其他部位...

1、当您付费下载文档后,您只拥有了使用权限,并不意味着购买了版权,文档只能用于自身使用,不得用于其他商业用途(如 [转卖]进行直接盈利或[编辑后售卖]进行间接盈利)。
2、本站所有内容均由合作方或网友上传,本站不对文档的完整性、权威性及其观点立场正确性做任何保证或承诺!文档内容仅供研究参考,付费前请自行鉴别。
3、如文档内容存在违规,或者侵犯商业秘密、侵犯著作权等,请点击“违规举报”。

碎片内容

斜屋面悬挑式脚手架施工方案

您可能关注的文档

确认删除?
VIP
微信客服
  • 扫码咨询
会员Q群
  • 会员专属群点击这里加入QQ群
客服邮箱
回到顶部