电脑桌面
添加小米粒文库到电脑桌面
安装后可以在桌面快捷访问

消防水管道安装技术交底VIP免费

消防水管道安装技术交底_第1页
1/12
消防水管道安装技术交底_第2页
2/12
消防水管道安装技术交底_第3页
3/12
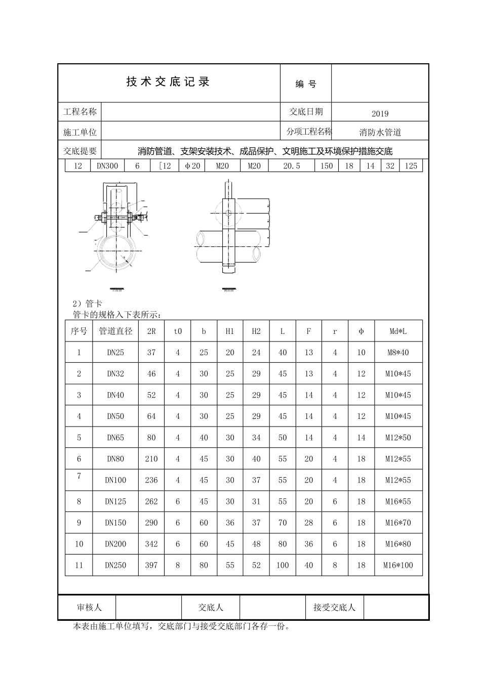
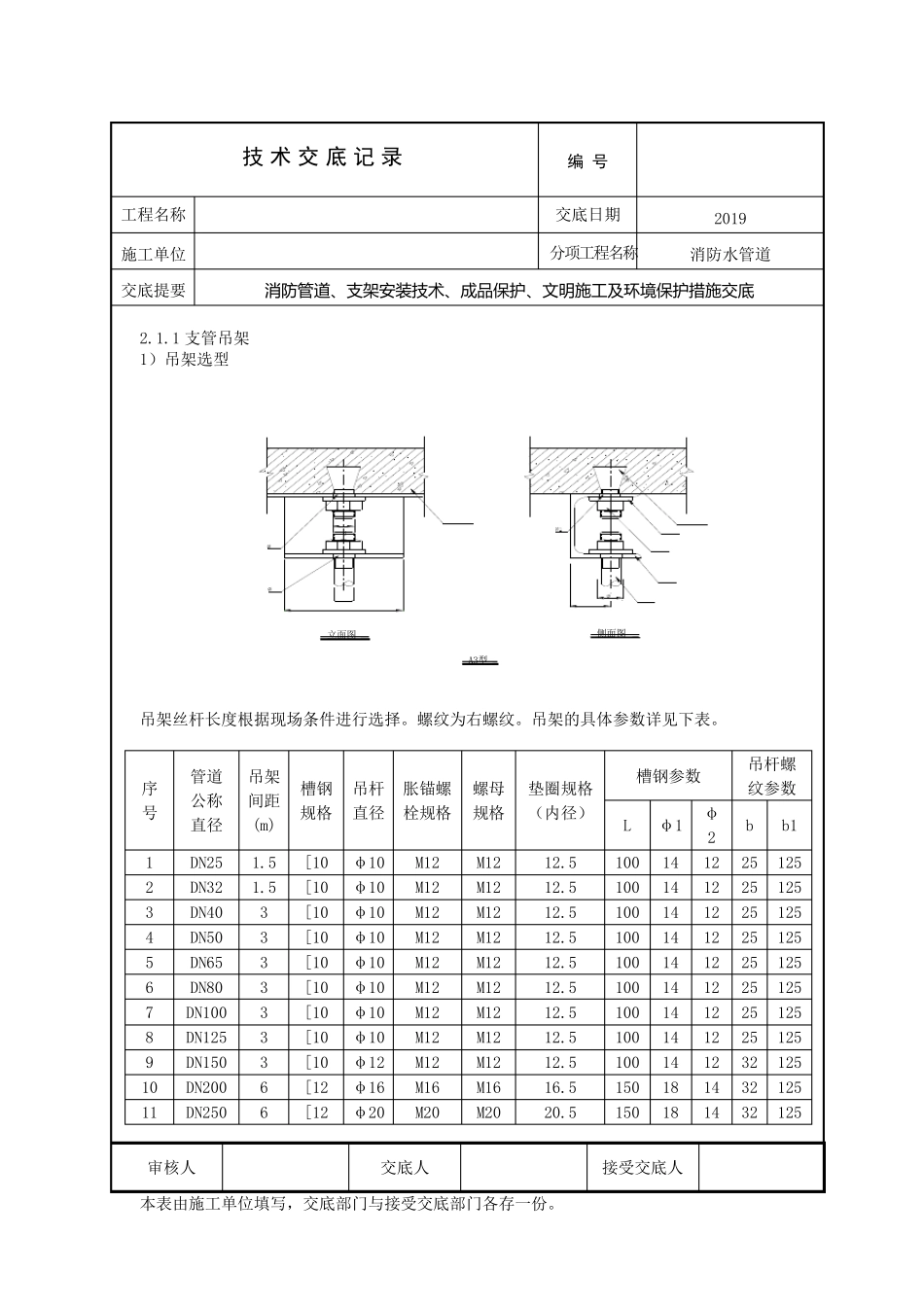
审核人 交底人 接受交底人 本表由施工单位填写,交底部门与接受交底部门各存一份。 技术交 底 记 录 编 号 工程名称 交底日期 2019 施工单位 分项工程名称 消防水管道 交底提要 消 防 管 道 、支架安装技术、成品保护、文明施工及环境保护措施交底 交底内容: 1 主要机具: 1.1 一般常用材料:管材及连接件,型钢,焊条,氧气,乙炔,厚漆,麻,聚四氟乙烯带,膨胀螺栓,密封垫,螺栓,螺母,机油,防腐漆,稀料,小线,铅丝,电池等。 1.2 主要机具,套丝机,砂轮锯,台钻,电锤,手砂轮,手电钻,电焊机,电动试压泵等机械。套丝板,管钳,压力钳,链钳,手锤,钢锯,扳手,射钉枪,倒链,电气焊等工具。钢卷尺,平尺,角尺,油标卡尺,线坠,水平尺等质量。 2 施工工艺: 2.1 管道支架、吊架、防晃支架的安装 单体建筑内的管道立干管为每层设置支架1 个,地下室主干管按照甲方提供的 BIM 图预设敷设。管道支架采用工厂化制作,制作质量及安装间距必须符合规范 要求 ,制作成 形 后 应进 行 除 锈 和 防腐处 理 。管道的支吊架的安装位置不 应 防碍 喷 头 的喷 水效 果 ; 管道支架、吊架与喷 头 之 间距离 为350mm; 与末 端 喷 头 之 间的距离 为500mm.配 水支管上 每一管段 、相 邻 两 喷头 之 间的管段 设置的支架均 不 宜 少 于 1 个; 当 喷 头 之 间的距离 小于 1.8m 时 ,可 隔 段 设置吊架,但 吊架的间距不 宜 大 于3.6m。在 管道转 弯 处 应 增 设支架。南 北 走 向 安装的管道横 担 凹面 均 朝 北 方向 布 置; 东 西 走 向 安装的管道横 担 凹 面 均 朝 西 方向 布 置; 与结 构 楼 板生 根 部位采用型钢时 ,型钢凹 面 与横 单的方向 一致 。螺母位置应 便 于 安装、检 修 ,横 担 外 吊杆 的丝扣 应出 螺母5mm。固 定 管道的横 担 ,开 孔 位置边 缘 与横 担 两 端 边 缘 的净 距离 为10mm; 管道支架在安装之 前 应 刷 灰 色 防锈 漆两 道,灰 色 面 漆两 道。支架严 禁 出 现 漏 刷 、流 淌 等现 象 。 管道的中 心 线与梁 、柱 、楼 板等的最 小距离 应 符合表一规定 。 管道的中 心 线与粱 、柱 、楼 板最 小距离 公 称直 径 (mm) 25 32 40 50 70 80 100 125 150 200 距离 (mm) 40...

1、当您付费下载文档后,您只拥有了使用权限,并不意味着购买了版权,文档只能用于自身使用,不得用于其他商业用途(如 [转卖]进行直接盈利或[编辑后售卖]进行间接盈利)。
2、本站所有内容均由合作方或网友上传,本站不对文档的完整性、权威性及其观点立场正确性做任何保证或承诺!文档内容仅供研究参考,付费前请自行鉴别。
3、如文档内容存在违规,或者侵犯商业秘密、侵犯著作权等,请点击“违规举报”。

碎片内容

消防水管道安装技术交底

您可能关注的文档

小辰8+ 关注
实名认证
内容提供者

出售各种资料和文档

确认删除?
VIP
微信客服
  • 扫码咨询
会员Q群
  • 会员专属群点击这里加入QQ群
客服邮箱
回到顶部