电脑桌面
添加小米粒文库到电脑桌面
安装后可以在桌面快捷访问

消防管道试压冲洗方案VIP免费

消防管道试压冲洗方案_第1页
1/7
消防管道试压冲洗方案_第2页
2/7
消防管道试压冲洗方案_第3页
3/7
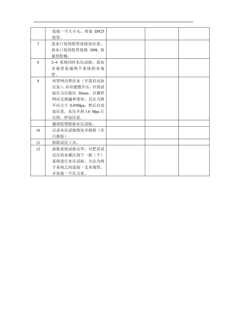
消 防 管 道 试 压 冲 洗 方 案 一 、 管 道 试 压 1) 试 压 用 的 压 力 表 不 少 于 2 只 , 其 精 度 不 应 低 于 1.5 级 , 量 程 应 为试 验 压 力 的 1.5-2 倍 。 2) 对 不 能 参 与 试 压 的 设 备 、 仪 表 、 阀 门 及 附 件 应 以 隔 离 拆 除 , 加设 的 盲 板 应 做 明 显 标 记 , 并 记 录 临 时 盲 板 的 数 量 。 3) 水 压 强 度 试 验 的 测 试 点 应 设 在 系 统 管 网 的 最 低 点 , 对 管 网 注 水时 , 应 将 管 网 内 的 空 气 排 净 , 并 应 缓 慢 升 压 , 升 到 试 验 压 力 后 稳 压30min。 目 测 管 网 应 无 泄 漏 和 变 形 , 且 压 力 降 不 应 大 于0.05Mpa。0.1Mpa=1 公 斤 。 4) 水 压 严 密 性 试 验 应 在 水 压 强 度 试 验 和 管 网 冲 洗 合 格 后 进 行 , 试验 压 力 为 设 计 工 作 压 力 , 稳 压 24h 应 无 泄 漏 。 5) 系 统 试 压 过 程 中 当 出 现 泄 漏 时 , 应 停 止 试 压 并 放 空 管 网 中 的 水 ,消 除 缺 陷 后 , 重 新 再 试 , 试 压 完 成 后 , 应 及 时 拆 除 所 有 临 时 盲 板 及试 验 用 的 管 道 , 并 应 与 记 录 核 对 无 误 , 且 应 按 规范填写记 录 卡。 6) 试 压 时 必须设 有 专用 的 放 水 测 试 阀 , 不 得随便乱拆 管 道 进 行 放水 。 7) 本工 程 分为 两个系 统 , 地下室车库和 ±0.00 以 上商铺喷淋系 统 的强 度 试 验 压 力 为 1.45Mpa, 严 密 性 试 验 压 力 为 0.95Mpa。 ±0.00 以 上的 公 共回廊和 中 庭加 密 喷淋系 统 的 强 度 试 验 压 力 为1.4Mpa, 严 密 性试 验 压 力 为 0.8Mpa。 二、 管 道 冲 洗 1) 管 网 的 冲 洗 应 在 强 度 试 验 合 格 后 分段 进 行 , 应 先 地下, 后 地上,其 顺 序 : 配 水 干 管 配 水 管 配 水 支 管 。 2) 冲 洗 前 , 应 对 系 统 的 仪 表 采 取 保 护 措 施 , 止 回 阀 和 报 警 阀 等 应拆 除 , 在 ...

1、当您付费下载文档后,您只拥有了使用权限,并不意味着购买了版权,文档只能用于自身使用,不得用于其他商业用途(如 [转卖]进行直接盈利或[编辑后售卖]进行间接盈利)。
2、本站所有内容均由合作方或网友上传,本站不对文档的完整性、权威性及其观点立场正确性做任何保证或承诺!文档内容仅供研究参考,付费前请自行鉴别。
3、如文档内容存在违规,或者侵犯商业秘密、侵犯著作权等,请点击“违规举报”。

碎片内容

消防管道试压冲洗方案

您可能关注的文档

确认删除?
VIP
微信客服
  • 扫码咨询
会员Q群
  • 会员专属群点击这里加入QQ群
客服邮箱
回到顶部