电脑桌面
添加小米粒文库到电脑桌面
安装后可以在桌面快捷访问

01电缆沟开挖回填记录VIP免费

01电缆沟开挖回填记录_第1页
1/7
01电缆沟开挖回填记录_第2页
2/7
01电缆沟开挖回填记录_第3页
3/7
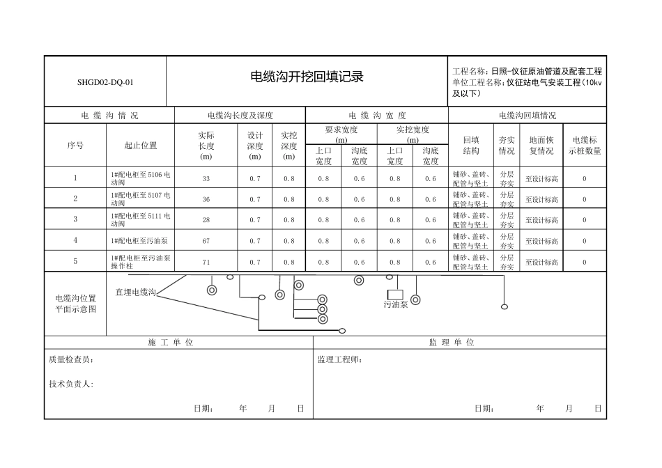
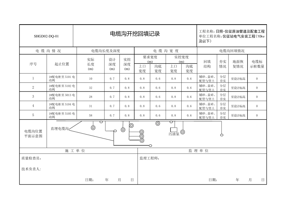
SHGD02-DQ-01 电 缆 沟 开 挖 回填记录 工程名称:日照-仪征原油管道及配套工程 单位工程名称:仪征站电气安装工程(10kv及以下) 电 缆 沟 情 况 电缆沟长度及深度 电 缆 沟 宽 度 电缆沟回填情况 序号 起止位置 实际 长度 (m ) 设计 深度 (m ) 实挖 深度 (m ) 要求宽度 (m ) 实挖宽度 (m ) 回填 结构 夯实 情况 地面恢 复情况 电缆标 示桩数量 上口 宽度 沟底 宽度 上口 宽度 沟底 宽度 1 1#低压间至阀组区 245 0.7 0.8 0.8 0.6 0.8 0.6 铺砂、盖砖、配管与坚土 分层 夯实 至设计标高 0 2 以下空白 3 4 5 电缆沟位置 平面示意图 5#低压间 直埋电缆沟 施 工 单 位 监 理 单 位 质量检查员: 技术负责人: 日期: 年 月 日 监理工程师: 日期: 年 月 日 阀组区 SHGD02-DQ-01 电 缆 沟 开 挖 回填记录 工程名称:日照-仪征原油管道及配套工程 单位工程名称:仪征站电气安装工程(10kv及以下) 电 缆 沟 情 况 电缆沟长度及深度 电 缆 沟 宽 度 电缆沟回填情况 序号 起止位置 实际 长度 (m ) 设计 深度 (m ) 实挖 深度 (m ) 要求宽度 (m ) 实挖宽度 (m ) 回填 结构 夯实 情况 地面恢 复情况 电缆标 示桩数量 上口 宽度 沟底 宽度 上口 宽度 沟底 宽度 1 1#配电柜至5101 电动阀 10 0.7 0.8 0.8 0.6 0.8 0.6 铺砂、盖砖、配管与坚土 分层 夯实 至设计标高 0 2 1#配电柜至5102 电动阀 32 0.7 0.8 0.8 0.6 0.8 0.6 铺砂、盖砖、配管与坚土 分层 夯实 至设计标高 0 3 1#配电柜至5013 电动阀 28 0.7 0.8 0.8 0.6 0.8 0.6 铺砂、盖砖、配管与坚土 分层 夯实 至设计标高 0 4 1#配电柜至5104 电动阀 31 0.7 0.8 0.8 0.6 0.8 0.6 铺砂、盖砖、配管与坚土 分层 夯实 至设计标高 0 5 1#配电柜至5105 电动阀 58 0.7 0.8 0.8 0.6 0.8 0.6 铺砂、盖砖、配管与坚土 分层 夯实 至设计标高 0 电缆沟位置 平面示意图 直埋电缆沟 污油泵 施 工 单 位 监 理 单 位 质量检查员: 技术负责人: 日期: 年 月 日 监理工程师: 日期: 年 月 日 SHGD02-DQ-01 电 缆 沟 开 挖 回填记录 工程名称:日照-仪征原油管道及配套工程 单位工程名称:仪征站电气安装工程(10kv及以下) 电 缆 沟 情 ...

1、当您付费下载文档后,您只拥有了使用权限,并不意味着购买了版权,文档只能用于自身使用,不得用于其他商业用途(如 [转卖]进行直接盈利或[编辑后售卖]进行间接盈利)。
2、本站所有内容均由合作方或网友上传,本站不对文档的完整性、权威性及其观点立场正确性做任何保证或承诺!文档内容仅供研究参考,付费前请自行鉴别。
3、如文档内容存在违规,或者侵犯商业秘密、侵犯著作权等,请点击“违规举报”。

碎片内容

01电缆沟开挖回填记录

您可能关注的文档

确认删除?
VIP
微信客服
  • 扫码咨询
会员Q群
  • 会员专属群点击这里加入QQ群
客服邮箱
回到顶部