电脑桌面
添加小米粒文库到电脑桌面
安装后可以在桌面快捷访问

1.安全生产条件和设施综合分析报告资料清单(三同时第一本报告的资料清单)VIP免费

1.安全生产条件和设施综合分析报告资料清单(三同时第一本报告的资料清单)_第1页
1/11
1.安全生产条件和设施综合分析报告资料清单(三同时第一本报告的资料清单)_第2页
2/11
1.安全生产条件和设施综合分析报告资料清单(三同时第一本报告的资料清单)_第3页
3/11
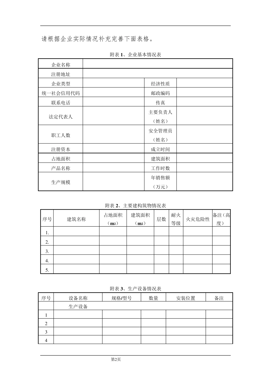
第1 页 安全生产条件和设施综合分析资料清单 项目名称 ☑综合条件分析 □安全预评价 序号 资料目录 实际收集情况 1 项目立项文件(发改委、经信委、商务局等) 2 项目环保审批文件(提供环境影响报告表或环境评价报告) 3 企业法人营业执照 4 自建厂房:中华人民共和国土地证 5 自建厂房:①选址意见书②建设用地规划许可证③建设工程规划许可证(红线图) 6 租赁厂房:租赁协议、安全生产管理协议、出租单位土地使用证、厂房的消防验收意见书 7 建设项目可行性研究报告(或项目申请报告) 8 项目的由来(即为何新建、改建、扩建或技改,作简单介绍) 9 建设单位和建设项目概况(投资规模、产品方案、人员配置、地理位置等)(附表1) 10 厂区主要建构筑物情况表(附表2) 11 详细的生产工艺流程图及其文字说明(如工艺使用何种设备、涉及何种原 辅 料、人员如何操 作、已 采 取 何种安全技术 措 施) 12 生产系 统 中主要设备、设施一 览 表(设备规格 型 号、材 质 、数 量 、温 度 、压 力 等工艺参 数 )(附表3) 13 原 料、辅 料、产品资料(包 括 品种、年 消耗 量 (生产量 )、最 大储 存 量 、储 存 方式 (包 装 /重 量 )、储 存 情况(尤 其是 危 险 化 学品的生产、储 存 、使用说明)(附表4、5) 14 公 用辅 助 工程情况(如水 、电 、气 的来源 及其用量 )(附件1) 15 安全设施配置情况(附表6) 16 安全生产专 项投资估 算 (附表7) 17 安全生产组 织 架 构及人员配备情况 18 建设项目与 周 边 环境关 系 图(描 述 周 边 企业名称和间 距 )、 总 平 面 布 置图(标 明实际距 离 ) 设备布 局图(或设备在 车 间 大 致 方位图) 19 其它 资料(报告编 制 过 程中需 要补 充 的资料) 第2 页 请根据企业实际情况补充完善下面表格。 附表1、企业基本情况表 企业名称 注册地址 企业类型 经济性质 统一社会信用代码 邮政编码 联系电话 传真 法定代表人 主要负责人(姓名) 职工人数 安全管理员 (姓名) 注册资本 成立时间 占地面积 建筑面积 产品名称 工作时数 生产规模 年销售额 (万元) 附表2、主要建构筑物情况表 序号 建筑名称 占地面积(m 2) 建筑面积(m 2) 层数 耐火等级 火灾危险性 备注(高度) 1 . 2 . 3 . 4 . 5 ...

1、当您付费下载文档后,您只拥有了使用权限,并不意味着购买了版权,文档只能用于自身使用,不得用于其他商业用途(如 [转卖]进行直接盈利或[编辑后售卖]进行间接盈利)。
2、本站所有内容均由合作方或网友上传,本站不对文档的完整性、权威性及其观点立场正确性做任何保证或承诺!文档内容仅供研究参考,付费前请自行鉴别。
3、如文档内容存在违规,或者侵犯商业秘密、侵犯著作权等,请点击“违规举报”。

碎片内容

1.安全生产条件和设施综合分析报告资料清单(三同时第一本报告的资料清单)

确认删除?
VIP
微信客服
  • 扫码咨询
会员Q群
  • 会员专属群点击这里加入QQ群
客服邮箱
回到顶部