电脑桌面
添加小米粒文库到电脑桌面
安装后可以在桌面快捷访问

110kv变电站接地网与防雷VIP免费

110kv变电站接地网与防雷_第1页
1/44
110kv变电站接地网与防雷_第2页
2/44
110kv变电站接地网与防雷_第3页
3/44
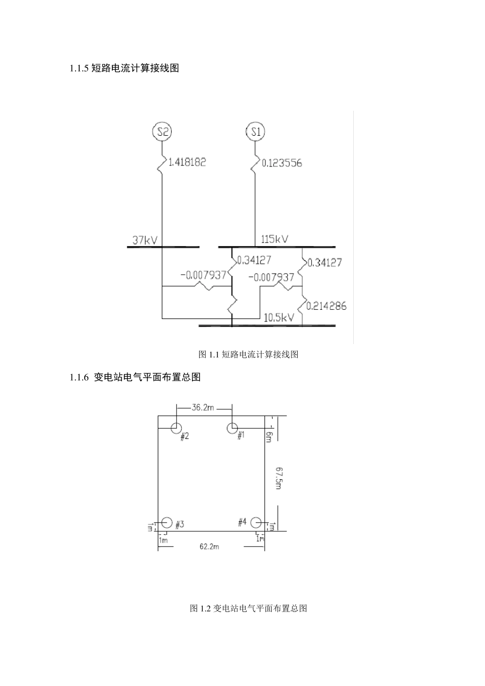
绪 论 随 着 近 年 来 电 力 行 业 的 不 断 发 展 , 电 力 系 统 的 供 电 安 全 成 为 一 个 很 重 要 的 问 题 ,然 而 变 电 站 在 电 力 系 统 中 占 有 重 要 位 置 , 故 变 电 站 的 安 全 可 靠 运 行 的 工 作 就 显 得 十 分重 要 。 变 电 站 接 地 系 统 的 合 理 性 是 直 接 关 系 到 人 身 和 设 备 安 全 的 重 要 问 题 。 随 着 电 力 系统 规 模 的 不 断 扩 大 , 接 地 系 统 的 设 计 也 越 来 越 复 杂 。 变 电 站 接 地 包 含 工 作 接 地 、 保 护接 地 、 雷 电 保 护 接 地 。 工 作 接 地 即 为 电 力 系 统 电 气 装 置 中 , 为 运 行 需 要 所 设 的 接 地 ;保 护 接 地 即 为 电 气 装 置 的 金 属 外 壳 、 配 电 装 置 的 构 架 和 线 路 杆 塔 等 , 由 于 绝 缘 损 坏 有可 能 带 电 , 为 防 止 其 危 及 人 身 和 设 备 的 安 全 而 设 的 接 地 ; 雷 电 保 护 接 地 即 为 为 雷 电 保护 装 置 向 大 地 泄 放 雷 电 流 而 设 的 接 地 。 变 电 站 接 地 网 安 全 除 了 对 接 地 阻 抗 有 要 求 外 ,还 对 地 网 的 结 构 、 使 用 寿 命 、 跨步电 位 差、 接 触电 位 差、 转移电 位 危 害等 提出了 较高的 要 求 。 雷 电 是 影响变 电 站 安 全 运 行 的 重 要 因素, 变 电 站 发 生雷 击事故 , 将造成 大 面积的停电 , 严重 影响社会生产和 人 民生活, 因此变 电 所 防 雷 措接 地 施必须十 分 可 靠 。 变 电站 对 直 击雷 的 防 护 方法是 装 设 避雷 针, 将变 电 站 的 进线 杆 塔 和 室外 电 气 设 备 全 部置 于避雷 针的 保 护 范围之内。 为 了 防 止 在 避雷 针上落雷 时对 被保 护 物产生“反击”过电 压,避雷 针与被保 护 物之间应保 持一 定的 距离。 变 电 站 内安 装 使 用 着 各种类型的 高、 低压变 、 配 电 设 备 , 这些设 备 均直 接 和 供 电 系 统 的 线 路 相连, 而 线 路 上发 生雷...

1、当您付费下载文档后,您只拥有了使用权限,并不意味着购买了版权,文档只能用于自身使用,不得用于其他商业用途(如 [转卖]进行直接盈利或[编辑后售卖]进行间接盈利)。
2、本站所有内容均由合作方或网友上传,本站不对文档的完整性、权威性及其观点立场正确性做任何保证或承诺!文档内容仅供研究参考,付费前请自行鉴别。
3、如文档内容存在违规,或者侵犯商业秘密、侵犯著作权等,请点击“违规举报”。

碎片内容

110kv变电站接地网与防雷

确认删除?
VIP
微信客服
  • 扫码咨询
会员Q群
  • 会员专属群点击这里加入QQ群
客服邮箱
回到顶部