电脑桌面
添加小米粒文库到电脑桌面
安装后可以在桌面快捷访问

110kv电力迁改施工组织设计1VIP专享VIP免费

110kv电力迁改施工组织设计1_第1页
1/72
110kv电力迁改施工组织设计1_第2页
2/72
110kv电力迁改施工组织设计1_第3页
3/72
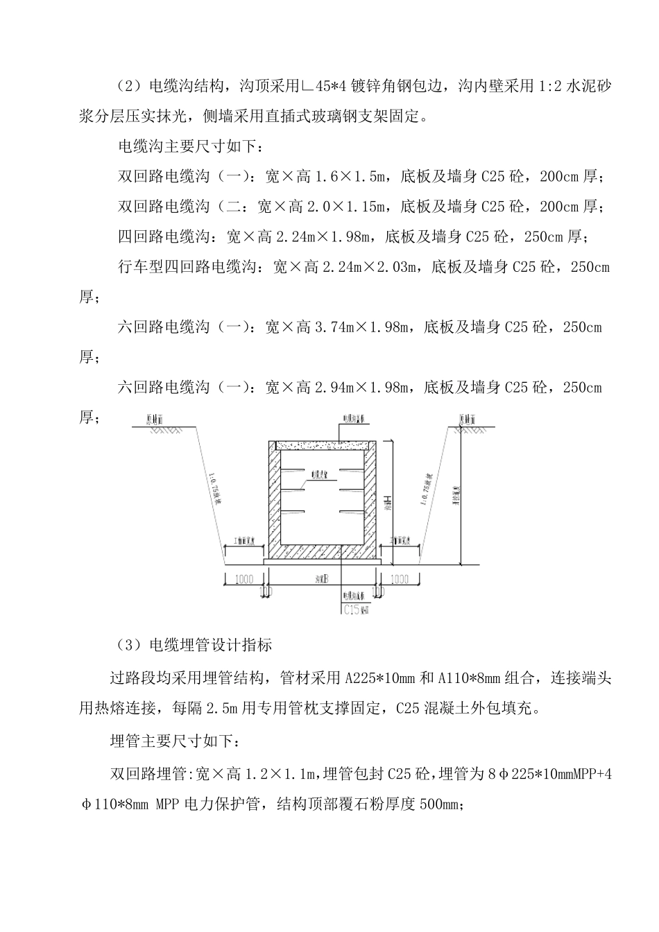
广佛江快速通道江门段辅道工程(西环路隧道~五邑路)项目 110KV 电力迁改工程施工组织设计 第 一 章 工 程 概 况 1.1 工 程 概 况 本 标 段 负 责 施 工 的 110KV 电 力 管 线 迁 改 起 点 位 置 位 于 西 环 路 隧 道 口 群 星变 电 站 , 沿 广 佛 江 快 速 通 道 江 门 段 ( 西 环 路 隧 道 ~五 邑 路 ) 辅 道 左 线 敷 设 , 沿线 横 穿 北 环 路 、 篁 庄 大 道 、 双 龙 大 道 、 江 都 东 路 、 迎 宾 西 路 、 西 区 工 业 路 等 主要 路 口 , 最 终 沿 西 区 工 业 路 接 入 白 沙 变 电 站 , 线 路 总 长 度 约 8480m, 敷 设 方 式采 用 电 缆 沟 、 电 缆 埋 管 、 顶 管 等 敷 设 方 式 。 其 中 电 缆 沟 ( 双 回 、 四 回 、 六 回 路 )共 计 3018 米 , 电 缆 埋 管 ( 四 回 路 、 六 回 路 ) 埋 管 4093 米 , 顶 管 770 余 米 , 各段 电 缆 沟 、 埋 管 与 顶 管 之 间 通 过 工 井 连 接 , 线 路 敷 设 接 头 位 置 设 接 头 井 , 各 类工 井 109 座 , 接 头 井 12 座 。 我 单 位 主 要 为 110kv 线 路 土 建 工 程 施 工 ,主 要 包 括 :沟 槽 土 方 开 挖 及 回 填 、钢 筋 混 凝 土 电 缆 沟 施 工 、 混 凝 土 埋 管 施 工 、 顶 管 施 工 、 工 井 及 接 头 井 施 工 、 接地 网 敷 设 、 支 架及 预埋 件安装、 盖板制作运输及 安装等 分部工 程 , 施 工 工 序多,周期较长 , 工 期压力 较大 。 1.2 工 程 气象水文地 质简况 1.2.1 气象条件 江 门 市属亚热带低纬地 区 , 位 于 珠江 口 西 岸, 气候特征是温暖多雨, 终 年无雪, 平均气温均在22℃左 右, 年降雨量 2183.3mm。 一 年之 中 , 江 门 主 要 灾害天气有暴雨( 连 续性暴雨和特大 暴雨)、 台风、 干旱等 。 每年4-9 月份是汛期,全年80%以上的 降水出现在这段 时间 内, 前期汛期雨量与 后期汛期雨量大 致持平, 年雨日最 多的 年份有 200 天, 7~9 月份是台风活动的 频发期, 如常有暴雨到大 暴雨甚至特大 暴雨和 12 ...

1、当您付费下载文档后,您只拥有了使用权限,并不意味着购买了版权,文档只能用于自身使用,不得用于其他商业用途(如 [转卖]进行直接盈利或[编辑后售卖]进行间接盈利)。
2、本站所有内容均由合作方或网友上传,本站不对文档的完整性、权威性及其观点立场正确性做任何保证或承诺!文档内容仅供研究参考,付费前请自行鉴别。
3、如文档内容存在违规,或者侵犯商业秘密、侵犯著作权等,请点击“违规举报”。

碎片内容

110kv电力迁改施工组织设计1

确认删除?
VIP
微信客服
  • 扫码咨询
会员Q群
  • 会员专属群点击这里加入QQ群
客服邮箱
回到顶部