电脑桌面
添加小米粒文库到电脑桌面
安装后可以在桌面快捷访问

13m空心板计算书VIP免费

13m空心板计算书_第1页
1/17
13m空心板计算书_第2页
2/17
13m空心板计算书_第3页
3/17
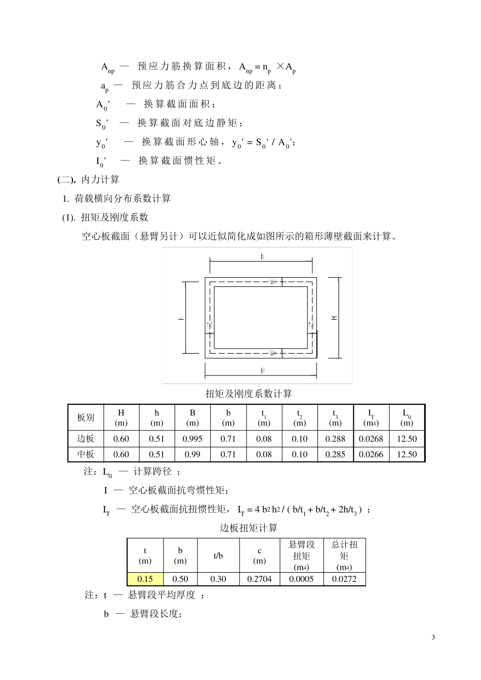
1 跨径1 3 米预应力混凝土空心板结构分析 一、基本资料: 上部构造采用跨径13 米预应力混凝土空心板,下部构造为柱式墩台,钻孔灌注桩基础,桥面连续。 设计荷载:公路—Ⅱ级。 计算跨径:12.50 米 桥面宽度:0.375+7.25+0.375=8 米。 空心板采用C50 级预应力混凝土。预应力筋为1x7 标准型φS15.2 低松弛钢绞线,其抗拉强度标准值 fpk=1860 MPa。 边板设计配束为11 根,中板设计配束为9 根。全部钢束合力点至空心板下缘距离,边板为49mm,中板为45mm。 二、计算假定: 1. 上部构造预应力混凝土空心板桥面连续,每一跨仍作为简支空心板桥;仅全桥水平力计算时考虑桥面的连续作用。 2. 护栏考虑其横向分配,按横向铰接板法计算,边板0.439,中板0.243;桥面铺装按各板计算;护栏和桥面铺装作为二期恒载加载于空心板。不考虑桥面铺装参与结构受力。 2 3. 活载计算考虑其横向分配,按横向铰接板法计算荷载横向分配系数。 4. 计算时未考虑空心板纵向普通钢筋的抗拉和抗压作用。 5. 主梁砼比重采用26kN/m3,企口缝及桥面铺装砼比重采用25 kN/m3。 三、空心板结构计算 (一).截面几何特性: 1. 截面几何尺寸: 2. 毛截面几何特性: 毛截面几何特性 板别 A0 (m2) S0 (m3) y0 (m) I0 (m4) 边板 0.4972 0.1630 0.3278 0.0191 中板 0.3830 0.1106 0.2888 0.0147 注:A0 — 毛截面面积; S0 — 毛截面对底边静矩; y0 — 毛截面形心轴,y0 = S0 / A0; I0 — 毛截面惯性矩。 3. 换算截面几何特性: 换算截面几何特性 板别 Ap (m2) αEP Anp (m2) ap (m) A0' (m2) S0' (m3) y0' (m) I0' (m4) 边板 0.0015 5.6522 0.0071 0.04864 0.5043 0.1633 0.3239 0.0196 中板 0.0013 5.652 0.0058 0.045 0.3888 0.1108 0.2851 0.0150 注: Ap — 预 应 力 筋面积; αEP—预 应 力 筋与 混 凝 土 弹 性模 量 之 比; 3 Anp — 预应力筋换算面积,Anp = np ×Ap ap — 预应力筋合 力点 到 底 边 的 距 离 ; A0' — 换算截 面面积; S0' — 换算截 面对 底 边 静 矩 ; y 0' — 换算截 面形 心 轴 ,y 0' = S0' / A0'; I0' — 换算截 面惯 性 矩 。 (二). 内力计算 1. 荷载横向分布系数计算 (1). 扭矩及刚度系数 空心板截面(悬臂另计)可以近似简化成如图所示的箱...

1、当您付费下载文档后,您只拥有了使用权限,并不意味着购买了版权,文档只能用于自身使用,不得用于其他商业用途(如 [转卖]进行直接盈利或[编辑后售卖]进行间接盈利)。
2、本站所有内容均由合作方或网友上传,本站不对文档的完整性、权威性及其观点立场正确性做任何保证或承诺!文档内容仅供研究参考,付费前请自行鉴别。
3、如文档内容存在违规,或者侵犯商业秘密、侵犯著作权等,请点击“违规举报”。

碎片内容

13m空心板计算书

您可能关注的文档

小辰9+ 关注
实名认证
内容提供者

出售各种资料和文档

相关文档

确认删除?
VIP
微信客服
  • 扫码咨询
会员Q群
  • 会员专属群点击这里加入QQ群
客服邮箱
回到顶部