电脑桌面
添加小米粒文库到电脑桌面
安装后可以在桌面快捷访问

16G1011钢筋搭接与锚固长度查表03版VIP免费

16G1011钢筋搭接与锚固长度查表03版_第1页
1/8
16G1011钢筋搭接与锚固长度查表03版_第2页
2/8
16G1011钢筋搭接与锚固长度查表03版_第3页
3/8
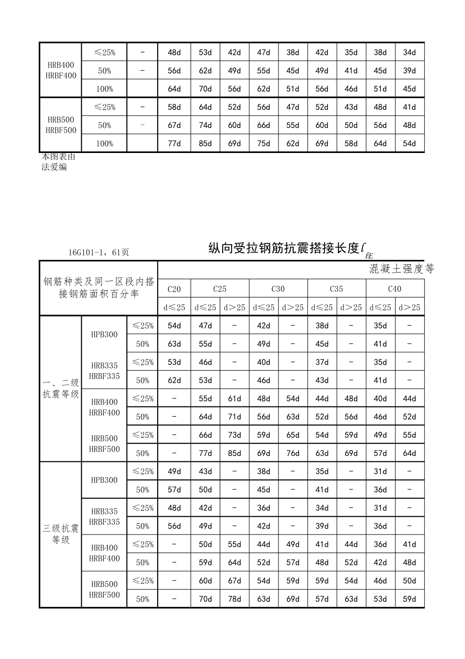
受拉钢筋C20C25C30C35C40C45C50C55≥C6039d34d30d28d25d24d23d22d21d38d33d29d27d25d23d22d21d21d-40d35d32d29d28d27d26d25d-48d43d39d36d24d32d31d30dC20C25C30C35C40C45C50C55≥C60一、二级45d39d35d32d29d28d26d25d24d三级41d36d32d29d26d25d24d23d22d一、二级44d38d33d31d29d26d25d24d24d三级40d35d31d28d26d24d23d22d22d一、二级-46d40d37d33d32d31d30d29d三级-42d37d34d30d29d28d27d26d一、二级-55d49d45d41d39d37d26d35d三级-50d45d41d38d36d34d33d32dC20d≤25d≤25d>25d≤25d>25d≤25d>25d≤25d>25d≤2539d34d-30d-28d-25d-24d本图表由法爱编辑,超级施工员App计算数据已更新,另有CAD版PDF版Excel版HPB30016G101-1,58页受拉钢筋锚固长度la钢筋种类混凝土强度等级C25C30C35C40C45HPB300HRB335HRBF335HRB400HRBF400HRB500HRBF500HRB335、HRBF335HRB400、HRBF400RRB400HRB500、HRBF50016G101-1图集数据钢筋种类混凝土强度等级HPB300本图表由法爱编辑,超级施工员App计算数据已更新,另有CAD版PDF版Excel版混凝土强度等级钢筋种类抗震设计时受拉钢筋基本锚固长度labE16G101-1,57页38d33d-29d-27d-25d-23d40d44d35d39d32d35d29d32d28d48d53d43d47d39d43d36d40d34dC20d≤25d≤25d>25d≤25d>25d≤25d>25d≤25d>25d≤25一、二级45d39d-35d-32d-29d-28d三级41d36d-32d-29d-26d-25d一、二级44d38d-33d-31d-29d-26d三级40d35d-30d-28d-26d-24d一、二级-46d51d40d45d37d40d33d37d32d三级 -42d46d37d41d34d37d30d34d29d一、二级-55d61d49d54d45d49d41d46d39d三级 -50d56d45d49d41d45d38d42d36dC20d≤25d≤25d>25d≤25d>25d≤25d>25d≤25d>25d≤25≤25%47d41d-36d-34d-30d-29d50%55d48d-42d-39d-35d-34d100%62d54d-48d-45d-40d-38d≤25%46d40d-35d-32d-30d-28d50%53d46d-41d-38d-35d-32d100%61d53d-46d-43d-40d-37dHPB300HRB335HRBF335钢筋种类及同一区段内搭接钢筋面积百分率混凝土强度等级C25C30C35C40C45HRB400HRBF400HRB500HRBF500本图表由法爱编辑,超级施工员App计算数据已更新,另有CAD版PDF版Excel版如需编辑单元16G101-1,60页纵向受拉搭接锚固长度l lC45HPB300HRB335HRBF335HRB500、HRBF500本图表由法爱编辑,超级施工员App计算数据已更新,另有CAD版PDF版Excel版受拉钢筋抗震锚固长度laE钢筋种类及抗震等级混凝土强度等级C25C30C35C40HRB335、HRBF335HRB400、HRBF400RRB400≤25%-48d53d42d47d38d42d35d38d34d50%-56d62d49d55...

1、当您付费下载文档后,您只拥有了使用权限,并不意味着购买了版权,文档只能用于自身使用,不得用于其他商业用途(如 [转卖]进行直接盈利或[编辑后售卖]进行间接盈利)。
2、本站所有内容均由合作方或网友上传,本站不对文档的完整性、权威性及其观点立场正确性做任何保证或承诺!文档内容仅供研究参考,付费前请自行鉴别。
3、如文档内容存在违规,或者侵犯商业秘密、侵犯著作权等,请点击“违规举报”。

碎片内容

16G1011钢筋搭接与锚固长度查表03版

确认删除?
VIP
微信客服
  • 扫码咨询
会员Q群
  • 会员专属群点击这里加入QQ群
客服邮箱
回到顶部