电脑桌面
添加小米粒文库到电脑桌面
安装后可以在桌面快捷访问

PHC管桩试桩总结VIP免费

PHC管桩试桩总结_第1页
1/8
PHC管桩试桩总结_第2页
2/8
PHC管桩试桩总结_第3页
3/8
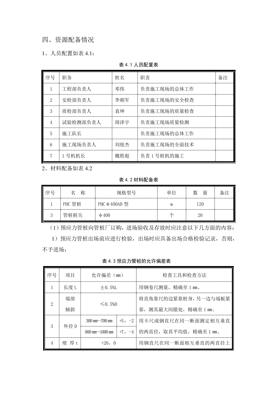
广州南沙新区明珠湾区起步区灵山岛尖区域 城市开发与建设项目——广州市南沙区灵山岛尖河湖 及滨水景观带建设工程(东侧片区) PHC 管桩试桩总结 批准: 审核: 编制: 中交广州南沙新区明珠湾区建设总承包项目经理部五分部 2015 年 8 月 28 日 预应力管桩试桩总结 一、工程概况 南沙区灵山岛尖凤凰大道东侧片区河湖及滨水景观带建设工程建设范围主要是指屯田路以西,凤凰大道以东、江灵北路以南,江灵南路以北范围内的水系和景观工程建设;本次实施内容为凤凰大道东侧片区河湖及滨水景观带桩基础工程,管桩采用外直径D=400m m 的 PHC-AB型,其壁厚 95m m ,桩基设计等级乙级。 二、预应力管桩试桩的目的 PHC 管桩施工前先进行工艺性试验,通过试验确定以下施工参数: 1、核实打桩桩位的地层及其参数是否与勘察设计相符; 2、检验施工设备性能、选定的施工工艺以及施打顺序; 3、确定停止沉桩的控制标准; 4、检验桩位的地基承载力,确定荷载与位移关系; 5、施工过程中要做好详细的施工纪录,以便于分析和总结施工过程,评价资源配置是否满足进度和质量等的管理要求,评价拟定的施工方案是否满足设计和施工要求。 三、预应力管桩试桩位的选择 依据现有施工条件,进行东环 涌 南岸 段 的 PHC 管桩施工,选取 3 根 工程桩做工艺性试验施工,以便于确定相关施工参数。PHC 管桩布 置位置如 图 3.1 所 示 : 图3.1PHC 管桩试桩桩位布置平面图 四、资源配备情况 1 、人员配置如表4 .1 : 表4.1 人员配置表 序号 职务 姓名 职责 备注 1 工程部负责人 邓伟 负责施工现场的总体工作 2 安检部负责人 李朝军 负责施工现场的安全检查 3 质检部负责人 袁坤 负责施工现场的质量检查 4 试验检测部负责人 周泽宇 负责施工现场质量检测 5 施工队长 负责施工现场的总体工作 6 施工现场负责人 刘俊杰 负责施工现场的全面技术 7 1 号机机长 魏胜彪 负责1 号桩机的施工 2 、材料配备如表4 .2 表4.2 材料配备表 序号 名 称 规格型号 单位 数 量 备注 1 PHC 管桩 PHCφ400AB 型 m 120 3 管桩桩尖 φ400 个 20 (1 )预应力管桩向管桩厂订购,进场验收及存放时应注意以下几方面的内容: 1 )预应力管桩出场前应进行检验,出场时应具备出场合格检验记录,否则,不予进场; 表4.3 预应力管桩的允许偏差表 序号 项目 允许偏差(㎜) 检查工...

1、当您付费下载文档后,您只拥有了使用权限,并不意味着购买了版权,文档只能用于自身使用,不得用于其他商业用途(如 [转卖]进行直接盈利或[编辑后售卖]进行间接盈利)。
2、本站所有内容均由合作方或网友上传,本站不对文档的完整性、权威性及其观点立场正确性做任何保证或承诺!文档内容仅供研究参考,付费前请自行鉴别。
3、如文档内容存在违规,或者侵犯商业秘密、侵犯著作权等,请点击“违规举报”。

碎片内容

PHC管桩试桩总结

确认删除?
VIP
微信客服
  • 扫码咨询
会员Q群
  • 会员专属群点击这里加入QQ群
客服邮箱
回到顶部