电脑桌面
添加小米粒文库到电脑桌面
安装后可以在桌面快捷访问

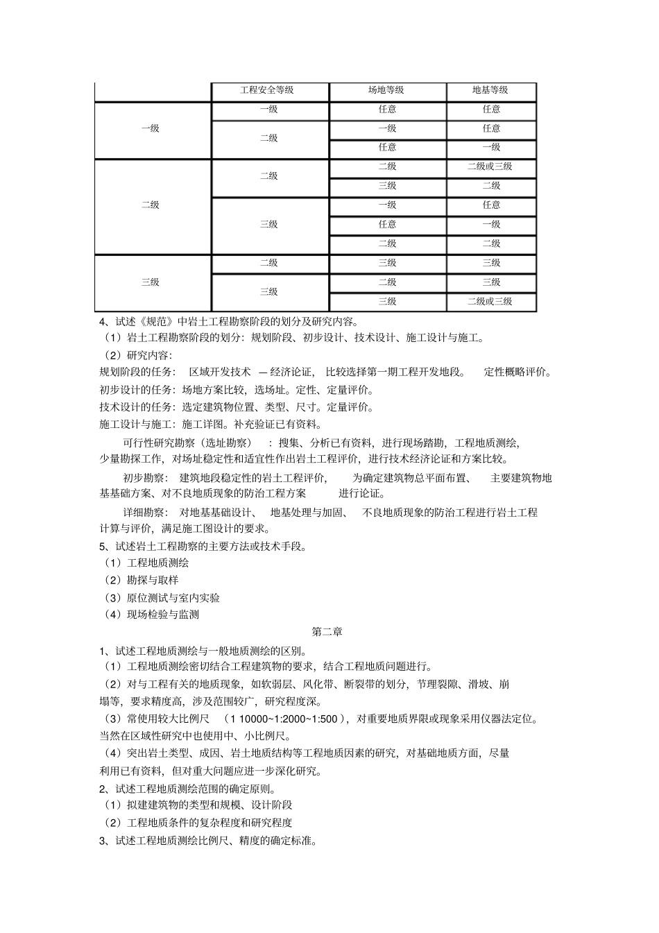
岩土工程勘察习题及答案VIP免费

岩土工程勘察习题及答案_第1页
1/12
岩土工程勘察习题及答案_第2页
2/12
岩土工程勘察习题及答案_第3页
3/12
绪论1、试述岩土工程、工程地质的含义与联系。(1)岩土工程:是以工程地质学、土力学、岩石力学及地基基础工程学为理论基础,以解决和处理在建筑过程中出现的所有与岩土体有关的工程技术问题,是一门地质与工程建筑全方位结合的专业学科,属土木工程范畴。(2)工程地质:是调查、研究、解决与人类活动及各类工程建筑有关的地质问题的科学。(3)区别:工程地质是地质学的一个分支,其本质是一门应用科学;岩土工程是土木工程的一个分支,其本质是一种工程技术。从事工程地质工作的是地质专家(地质师 ),侧重于地质现象、地质成因和演化、地质规律、地质与工程相互作用的研究;从事岩土工程的是工程师,关心的是如何根据工程目标和地质条件,建造满足使用要求和安全要求的工程或工程的一部分,解决工程建设中的岩土技术问题。因此,无论学科领域、工作内容、关心的问题,工程地质与岩土工程的区别都是明显的。(4)联系:工程地质是岩土工程的基础,岩土工程是工程地质的延伸。2、简述岩土工程勘察的任务与目的。基本任务: 按照建筑物或构筑物不同勘察阶段的要求,为工程的设计、 施工以及岩土体治理加固、开挖支护和降水等工程提供地质资料和必要的技术参数,对有关的岩土工程问题作出论证、评价。具体任务:(1)阐述建筑场地的工程地质条件,指出场地内不良地质现象的发育情况及其对工程建设的影响,对场地稳定性作出评价。(2)查明工程范围内岩土体的分布、性状和地下水活动条件,提供设计、施工和整治所需的地质资料和岩土技术参数。(3)分析、研究有关的岩土工程问题,并作出评价结论。(4)对场地内建筑总平面布置、各类岩土工程设计、岩土体加固处理、不良地质现象整治等具体方案作出论证和建议。(5)预测工程施工和运行过程中对地质环境和周围建筑物的影响,并提出保护措施的建议。岩土工程勘察的目的是:运用各种勘察测试手段和方法,对建筑场地进行调查研究,分析判断修建各种工程建筑物的地质条件以及建设对自然地质环境的影响;研究地基、 基础和上部结构共同工作时,保证地基强度、 稳定性以及不致产生过大沉降变形的措施,分析并提出地基的承载能力;提供基础设计、 施工以及必要时进行地基加固所需要的工程地质和岩土工程资料。工程地质勘察的目的:为工程建筑对象选择适宜的地质环境,从而为该工程在技术上的可能性和经济上的合理性提供保证。并不致对地质环境产生不应有的破坏,以致影响工程本身和人类的生活环境。工...

1、当您付费下载文档后,您只拥有了使用权限,并不意味着购买了版权,文档只能用于自身使用,不得用于其他商业用途(如 [转卖]进行直接盈利或[编辑后售卖]进行间接盈利)。
2、本站所有内容均由合作方或网友上传,本站不对文档的完整性、权威性及其观点立场正确性做任何保证或承诺!文档内容仅供研究参考,付费前请自行鉴别。
3、如文档内容存在违规,或者侵犯商业秘密、侵犯著作权等,请点击“违规举报”。

碎片内容

岩土工程勘察习题及答案

确认删除?
VIP
微信客服
  • 扫码咨询
会员Q群
  • 会员专属群点击这里加入QQ群
客服邮箱
回到顶部