电脑桌面
添加小米粒文库到电脑桌面
安装后可以在桌面快捷访问

岩石硬度一览表12VIP免费

岩石硬度一览表12_第1页
1/7
岩石硬度一览表12_第2页
2/7
岩石硬度一览表12_第3页
3/7
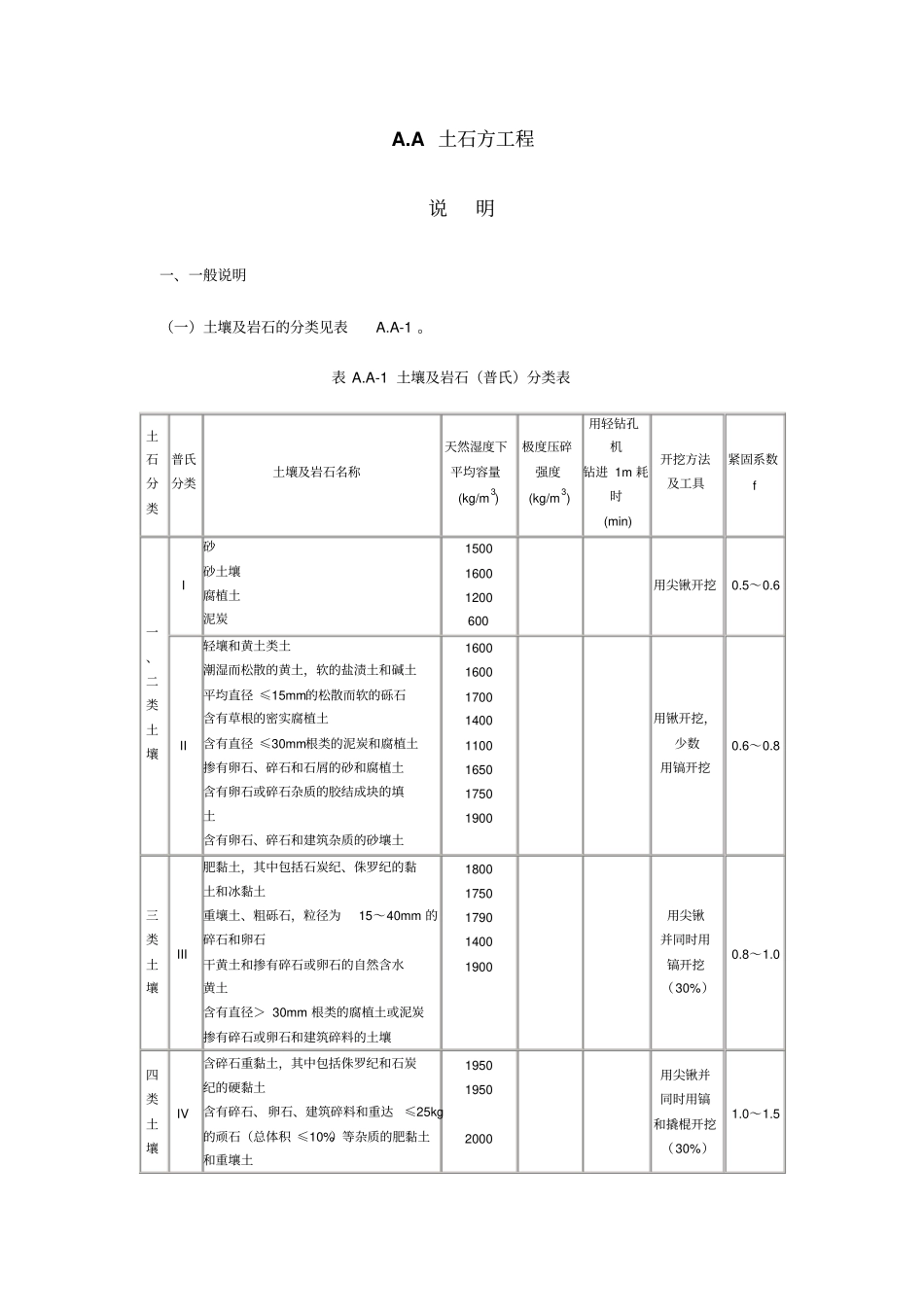
A.A 土石方工程说明一、一般说明(一)土壤及岩石的分类见表A.A-1 。表 A.A-1 土壤及岩石(普氏)分类表土石分类普氏分类土壤及岩石名称天然湿度下平均容量(kg/m3) 极度压碎强度(kg/m3) 用轻钻孔机钻进 1m 耗时 (min) 开挖方法及工具紧固系数f一、二类土壤I 砂砂土壤腐植土泥炭1500 1600 1200 600 用尖锹开挖0.5~0.6 II 轻壤和黄土类土潮湿而松散的黄土,软的盐渍土和碱土平均直径 ≤15mm的松散而软的砾石含有草根的密实腐植土含有直径 ≤30mm根类的泥炭和腐植土掺有卵石、碎石和石屑的砂和腐植土含有卵石或碎石杂质的胶结成块的填土含有卵石、碎石和建筑杂质的砂壤土1600 1600 1700 1400 1100 1650 1750 1900 用锹开挖,少数用镐开挖0.6~0.8 三类土壤III 肥黏土,其中包括石炭纪、侏罗纪的黏土和冰黏土重壤土、粗砾石,粒径为15~40mm 的碎石和卵石干黄土和掺有碎石或卵石的自然含水黄土含有直径> 30mm 根类的腐植土或泥炭掺有碎石或卵石和建筑碎料的土壤1800 1750 1790 1400 1900 用尖锹并同时用镐开挖( 30%)0.8~1.0 四类土壤IV 含碎石重黏土,其中包括侏罗纪和石炭纪的硬黏土含有碎石、 卵石、建筑碎料和重达≤25kg的顽石(总体积 ≤10%)等杂质的肥黏土和重壤土1950 1950 2000 用尖锹并同时用镐和撬棍开挖( 30%)1.0~1.5 土石分类普氏分类土壤及岩石名称天然湿度下平均容量(kg/m3) 极度压碎强度(kg/m3) 用轻钻孔机钻进 1m 耗时 (min) 开挖方法及工具紧固系数f冰渍黏土,含有重量≤50kg的巨砾其含量为总体积 ≤10%泥板岩不含或含有重量达10kg 的顽石2000 1950 土石分类普氏分类土壤及岩石名称天然湿度下平均容量( kg/m3)极度压碎强度( kg/cm2)用轻钻孔机钻进 1m 耗时( min)开挖方法及工具紧固系数f松石V 含有重量 ≤50kg的巨砾(占体积>10%)的冰渍石、矽藻岩和软白垩岩胶结力弱的砾石各种坚实的片岩石膏2100 1800 1900 2600 2200 < 200 < 3.5 部分用手凿工具,部分用爆破开挖1.5~2.0 次坚石VI 凝灰岩和浮石松软多孔和裂隙严重的石灰和介质石灰岩中等硬变的片岩中等硬变的泥灰岩1100 1200 2700 2300 200~ 400 3.5 用风镐和爆破开挖2~4 VII 石灰石胶结的带有卵石和沉积岩的砾石风化的和有大裂缝的粘土质砂岩坚实的泥板岩坚实的泥灰岩2200 2000 2800 2500 400~ 600 6.0 用爆破方法开挖4~6 VIII 砾质花岗石泥灰质石灰岩粘土...

1、当您付费下载文档后,您只拥有了使用权限,并不意味着购买了版权,文档只能用于自身使用,不得用于其他商业用途(如 [转卖]进行直接盈利或[编辑后售卖]进行间接盈利)。
2、本站所有内容均由合作方或网友上传,本站不对文档的完整性、权威性及其观点立场正确性做任何保证或承诺!文档内容仅供研究参考,付费前请自行鉴别。
3、如文档内容存在违规,或者侵犯商业秘密、侵犯著作权等,请点击“违规举报”。

碎片内容

岩石硬度一览表12

您可能关注的文档

爱的疯狂+ 关注
实名认证
内容提供者

该用户很懒,什么也没介绍

确认删除?
VIP
微信客服
  • 扫码咨询
会员Q群
  • 会员专属群点击这里加入QQ群
客服邮箱
回到顶部