电脑桌面
添加小米粒文库到电脑桌面
安装后可以在桌面快捷访问

幕墙构件及组件的加工制作记录VIP免费

幕墙构件及组件的加工制作记录_第1页
1/5
幕墙构件及组件的加工制作记录_第2页
2/5
幕墙构件及组件的加工制作记录_第3页
3/5
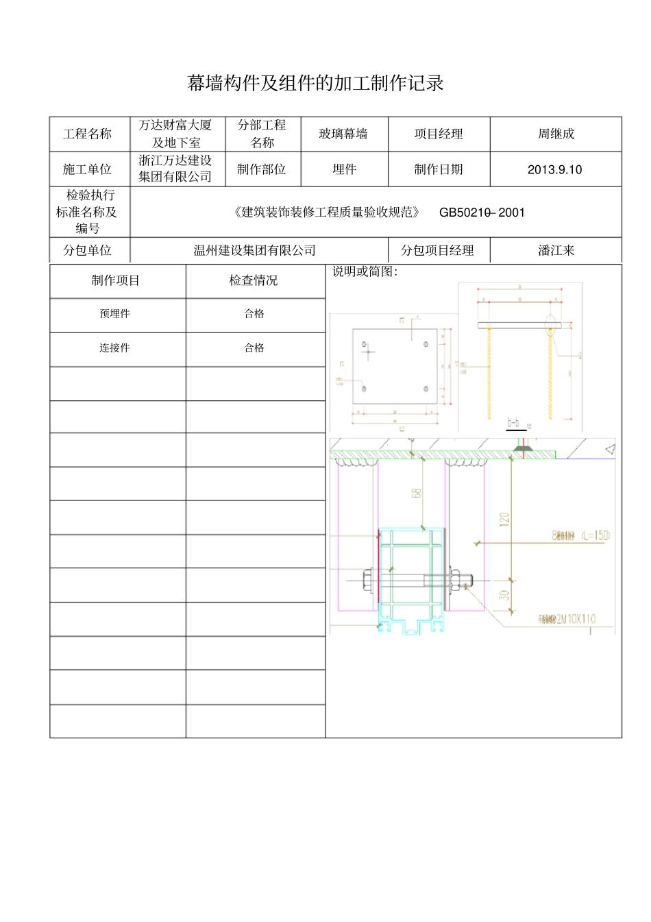
幕墙构件及组件的加工制作记录工程名称万达财富大厦及地下室分部工程名称玻璃幕墙项目经理周继成施工单位浙江万达建设集团有限公司制作部位埋件制作日期2013.9.10检验执行标准名称及编号《建筑装饰装修工程质量验收规范》GB50210— 2001分包单位温州建设集团有限公司分包项目经理潘江来制作项目检查情况说明或简图:预埋件合格连接件合格验收结论施工单位项目专业质量检查员(签名) :项目专业技术负责人(签名) :年月日幕墙构件及组件的加工制作记录工程名称万达财富大厦及地下室分部工程名称玻璃幕墙项目经理周继成施工单位浙江万达建设集团有限公司制作部位立柱制作日期2013.9.10检验执行标准名称及编号《建筑装饰装修工程质量验收规范》GB50210— 2001分包单位温州建设集团有限公司分包项目经理潘江来制作项目检查情况说明或简图:铝合金立柱合格铝合金横梁合格验收结论施工单位项目专业质量检查员(签名) :项目专业技术负责人(签名) :年月日幕墙构件及组件的加工制作记录工程名称万达财富大厦及地下室分部工程名称石材幕墙项目经理周继成施工单位浙江万达建设集团有限公司制作部位连接件制作日期2013.9.10检验执行标准名称及编号《建筑装饰装修工程质量验收规范》GB50210— 2001分包单位温州建设集团有限公司分包项目经理潘江来制作项目检查情况说明或简图:连接件合格验收结论施工单位项目专业质量检查员(签名) :项目专业技术负责人(签名) :年月日幕墙构件及组件的加工制作记录工程名称万达财富大厦及地下室分部工程名称石材幕墙项目经理周继成施工单位浙江万达建设集团有限公司制作部位龙骨制作日期2013.9.10检验执行标准名称及编号《建筑装饰装修工程质量验收规范》GB50210— 2001分包单位温州建设集团有限公司分包项目经理潘江来制作项目检查情况说明或简图:龙骨合格验收结论施工单位项目专业质量检查员(签名) :项目专业技术负责人(签名) :年月日

1、当您付费下载文档后,您只拥有了使用权限,并不意味着购买了版权,文档只能用于自身使用,不得用于其他商业用途(如 [转卖]进行直接盈利或[编辑后售卖]进行间接盈利)。
2、本站所有内容均由合作方或网友上传,本站不对文档的完整性、权威性及其观点立场正确性做任何保证或承诺!文档内容仅供研究参考,付费前请自行鉴别。
3、如文档内容存在违规,或者侵犯商业秘密、侵犯著作权等,请点击“违规举报”。

碎片内容

幕墙构件及组件的加工制作记录

您可能关注的文档

确认删除?
VIP
微信客服
  • 扫码咨询
会员Q群
  • 会员专属群点击这里加入QQ群
客服邮箱
回到顶部