电脑桌面
添加小米粒文库到电脑桌面
安装后可以在桌面快捷访问

爬架技术交底VIP免费

爬架技术交底_第1页
1/15
爬架技术交底_第2页
2/15
爬架技术交底_第3页
3/15
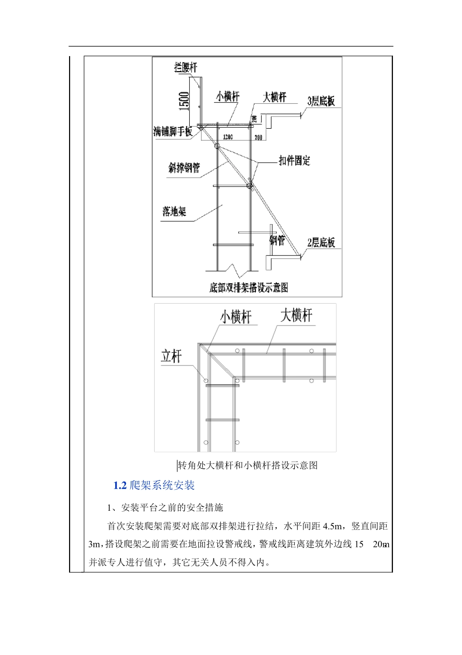
爬架 分项工程施工技术交底记录 单位(子单位) 工程名称 分部/子分部 (或系统/子系统) 施工单位 项目 负责人 项目技术负责人 分包单位 项目 负责人 项目技术负责人 施工依据文件 名称及编号 质量验收依据文件名称及编号 交底内容 1.1 爬架底部双排架的搭设 1、双排架的搭设要求:本项目爬架搭设平台(双排架)采用落地外满架,平台满架底部地面夯实并加设木跳板,每层与结构采用钢管拉结,拉结距离不超过6 米,爬架组装并搭设3 步后进行附着卸荷(见安装平台示意图)平台的强度要求为3KN/㎡,平台要增设防滑扣件,采用扣件、钢管48 搭设,立杆纵距1.8m,横距1.5m,步高1.8m,连墙为三步两跨。 2、平台由原防护架改造而成,离墙距离不大于200mm,平台宽度1.2m,外侧搭设单排防护,单排防护高度1.5m。如原防护架宽度不足,外侧搭设挑架。在小横杆下面每个小横杆下面有两根立杆,每根立杆一个防滑扣。爬架组装两层后及时附墙卸荷,由计算书所得,双排架所受载荷为3000N/m2。爬架提升后,方可拆除底部双排架。 转角处大横杆和小横杆搭设示意图 1.2 爬架系统安装 1、安装平台之前的安全措施 首次安装爬架需要对底部双排架进行拉结,水平间距4.5m,竖直间距3m,搭设爬架之前需要在地面拉设警戒线,警戒线距离建筑外边线15�20m,并派专人进行值守,其它无关人员不得入内。 地面警戒线拉设示意图 连墙构造设置的注意事项: (1)确保杆件间的连接可靠。扣件必须拧紧,垫木必须夹持稳固、避免脱出。 (2)装设连墙件时,应保持立杆的垂直度要求,避免拉固时产生变形。 (3)当连墙件轴向荷载的计算值大于6KN 时,应增设扣件以加强其抗滑动能力。特别是在遇有强风袭来之前,应检查和加固连墙措施,以保架子安全。 (4)连墙构造中的连墙杆或拉筋应垂直于墙面设置,并呈水平位置或稍向脚手架的一端倾斜,但不容许向上翘起。 爬架搭设属于高空作业,操作人员必须带好安全帽、正确佩戴安全带。并按照安装技术要求严格执行。 2、场地大小和机械设备需求:本项目爬架采用逐层组装,确保任何时间段爬架防护都超出结构面至少1.8m,爬架材料分批进场,遍进场遍组装,不需要提供地面组拼场地,对场地需求小。爬架组装期间,需要塔吊等机械设备的配合,爬架导轨需要用塔吊吊着安装,卸料平台等材料也需要用塔吊转运。安装期间需要和塔吊及其他班组积极配合协商,以免影响爬架的安装进度。 3、安装步骤为:搭设平台架并做水...

1、当您付费下载文档后,您只拥有了使用权限,并不意味着购买了版权,文档只能用于自身使用,不得用于其他商业用途(如 [转卖]进行直接盈利或[编辑后售卖]进行间接盈利)。
2、本站所有内容均由合作方或网友上传,本站不对文档的完整性、权威性及其观点立场正确性做任何保证或承诺!文档内容仅供研究参考,付费前请自行鉴别。
3、如文档内容存在违规,或者侵犯商业秘密、侵犯著作权等,请点击“违规举报”。

碎片内容

爬架技术交底

确认删除?
VIP
微信客服
  • 扫码咨询
会员Q群
  • 会员专属群点击这里加入QQ群
客服邮箱
回到顶部