电脑桌面
添加小米粒文库到电脑桌面
安装后可以在桌面快捷访问

2025年土工格室施工技术手册VIP免费

2025年土工格室施工技术手册_第1页
1/11
2025年土工格室施工技术手册_第2页
2/11
2025年土工格室施工技术手册_第3页
3/11
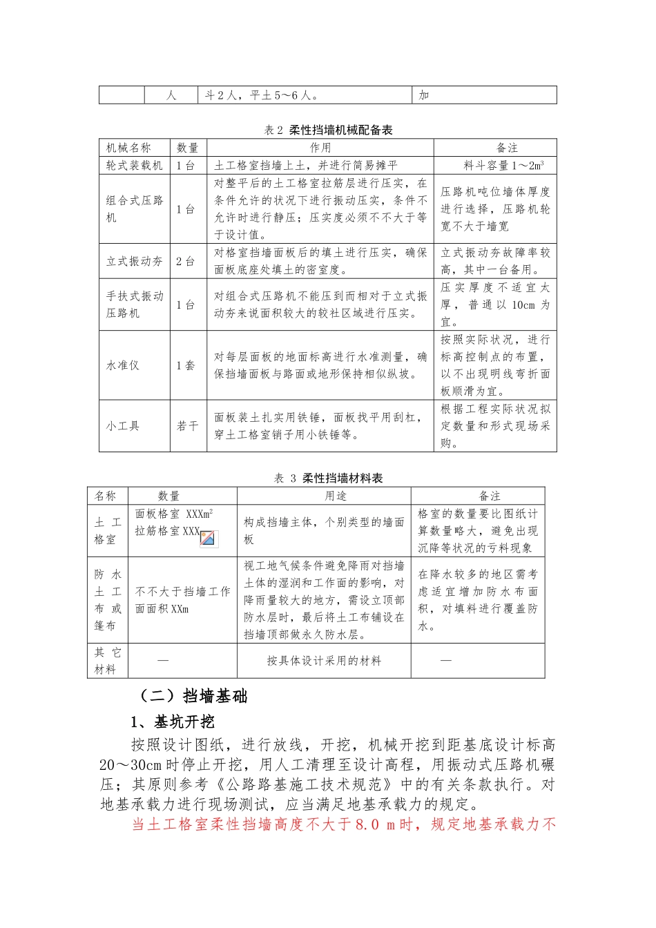
土工格室柔性挡墙施工技术及质量控制原则(一)施工准备1、购进的土工格室材料必须有出厂合格证和检测报告,每5000应随机进行强度指标实验,成果必须满足设计规定。2、做好场地准备工作,柔性挡墙开工之前,应清理挡墙墙址及需用的场地,铲除有机杂质和树根草丛并碾压平整,合理布置堆料场地。考虑降水丰富,受地面积水和土质不良地段的影响,开工前还要在墙址外围开挖排水沟作为临时排水设施。柔性挡墙作为路堑墙时,需要向坡体方向超挖墙体厚度的土体。按照设计图纸规定,进行放线,开挖边坡。坡面线应满足挡墙施工规定,严禁侵占柔性墙体建筑空间。应做好施工场地内的防排水工作,降雨发生时,严防场地以外水进入工作面,确保场地内部水能及时排出,必要时进行覆盖防水。边坡挖好后,随即进行基底承载力检测。3、精确测定挡墙墙址处的路基中心线、基础主轴线、墙顶轴线、挡墙起讫点和横断面。4、熟悉设计文献,会同有关人员进行现场核对。当设计与实际状况有出入时,应告知监理与设计单位协商。5、按照施工组织设计 Error: Reference source not found 和Error: Reference source not found、Error: Reference sourcenot found 做好劳力、机械设备、重要材料数量等的清查工作,准备进场。 柔性挡墙作为路堤墙时,可与路基施工同时进行,在路基施工工序中加入土工格室铺设工序即可。柔性挡墙作为路堑墙时,施 工 机 械 和 人 员 配 备 建 议 参 考 Error: Reference source notfound。6、柔性挡墙对填土规定较低,原则上最大粒径不大于格室高度1/3 的全部工程用土均能满足规定。按填土质量控制规定,须进行击实实验。表 1 柔性挡墙人员配备表人员数量职责备注队长1 人对内对外协调、材料采买等全方面工作。应选用有工地经验、有责任心人员担任领工1 人对民工进行生产管理,完毕队长交办任务。可在民工中委任技术员1~2 人负责挡墙的技术问题,对生产进度进行安排。受课题负责人直接领导工人10~11电夯找平或对格室进行扎实 3 人,填料可视工地具体状况适宜增人斗 2 人,平土 5~6 人。加 表 2 柔性挡墙机械配备表 机械名称数量作用备注轮式装载机1 台土工格室挡墙上土,并进行简易摊平料斗容量 1~2m3组合式压路机1 台对整平后的土工格室拉筋层进行压实,在条件允许的状况下进行振动压实,条件不允许时进行静压;压实度必须不不大于等于设计值。压路机吨位墙体厚度进行选择,压路机轮宽不大于...

1、当您付费下载文档后,您只拥有了使用权限,并不意味着购买了版权,文档只能用于自身使用,不得用于其他商业用途(如 [转卖]进行直接盈利或[编辑后售卖]进行间接盈利)。
2、本站所有内容均由合作方或网友上传,本站不对文档的完整性、权威性及其观点立场正确性做任何保证或承诺!文档内容仅供研究参考,付费前请自行鉴别。
3、如文档内容存在违规,或者侵犯商业秘密、侵犯著作权等,请点击“违规举报”。

碎片内容

2025年土工格室施工技术手册

您可能关注的文档

确认删除?
VIP
微信客服
  • 扫码咨询
会员Q群
  • 会员专属群点击这里加入QQ群
客服邮箱
回到顶部