电脑桌面
添加小米粒文库到电脑桌面
安装后可以在桌面快捷访问

SaberScope的使用VIP专享VIP免费

SaberScope的使用_第1页
1/7
SaberScope的使用_第2页
2/7
SaberScope的使用_第3页
3/7
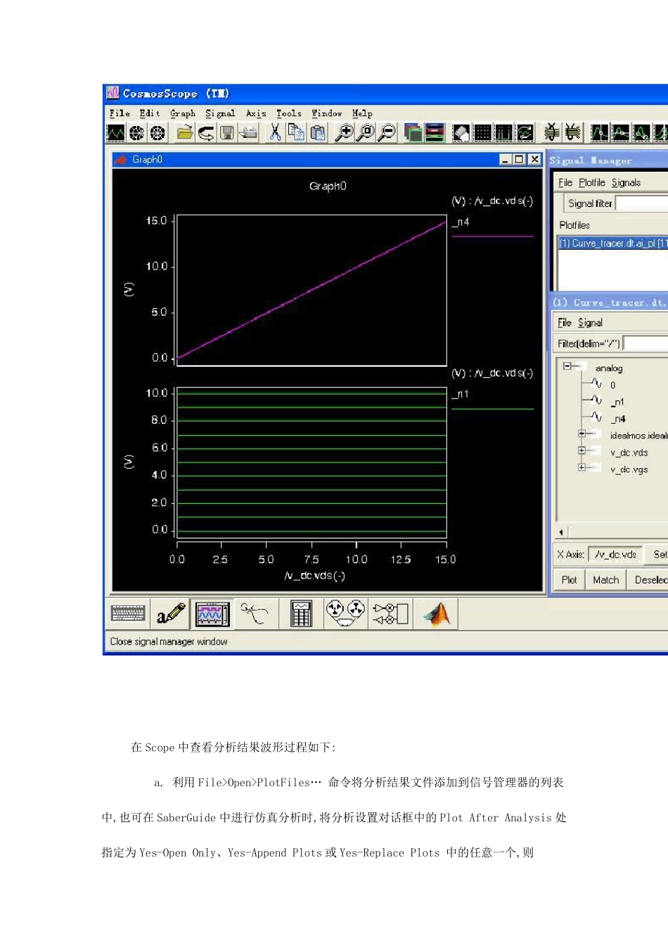
Scope 的使用(一) 2006-10-06 09:59 分类: Saber基础使用教程 在 SaberGuide 中完成仿真之后,通常情况下要查看仿真的结果(否则,仿真也就没有意义了).在 Saber 软件中,仿真结果通常有以下四种方式查看. a. 通过 Results>Back Annotation... 菜单命令将仿真结果反标回原理图(只有 DC 分析的结果能够进行反标); b. 通过 Report Tool 以文字方式显示(注意:仅有部分分析可以通过报告方式查看结果,如 DC); c. 通过 Probe 工具,在原理图上直接显示分析结果; d. 在 Scope 环境中观察分析结果; 几种方式中,以最后一种方法最为全面,在 Scope 中,不仅可以查看分析结果,更可以利用波形计算器(Waveform Calculator)和测量工具(Measurement Tool)对分析结果数据进行各种后处理,更加直观的将分析结果数据与设计指标联系在一起. 在 Scope 的全名叫做 CosmosScope,它是一个功能非常强大的仿真结果数据后处理工具,它不仅可以观察 Saber 仿真器的仿真结果,还可以观察其他仿真器如 HSPICE 等工具的分析结果.Scope 中用信号管理器(Signal Manager)来管理和显示各种分析结果文件的信号,其界面如下图所示: 在Scope 中查看分析结果波形过程如下: a. 利用File>Open>PlotFiles… 命令将分析结果文件添加到信号管理器的列表中,也可在SaberGuide 中进行仿真分析时,将分析设置对话框中的 Plot After Analysis 处指定为 Yes-Open Only、Yes-Append Plots 或 Yes-Replace Plots 中的任意一个,则SaberGuide 会自动在分析结束之后将结果文件加载到Scope 中的信号管理器当中.关于这三个选项的区别,可参考以前的博客文章《SaberGuide 的使用(五)》 b. 在信号管理里中右键双击鼠标打开分析结果文件对话框; c. 在分析结果文件对话框中,选择要进行观察的信号并双击,就可以在Scope中绘制出相关信号的分析结果波形; 关于放置信号波形,还有一个话题,就是如果在同一个坐标系下放置多个信号,其方法可参考以前的博客文章《Scope 中如何将多个信号放置在同一坐标系中》. Scope 的使用(二) 2006-10-07 12:06 分类: Saber基础使用教程 1. 测量工具的基本介绍 在Scope 中打开需要观察的信号波形以后,我们可以通过目测观察信号是否正常.这里提出了一个我个人认为进行仿真验证非常重要的观点,在仿真分析之前,一定要对目标系统的各个重要节点的信号波形有一个预判.否则在分析结束之后,出来的结果可能自己都无法确...

1、当您付费下载文档后,您只拥有了使用权限,并不意味着购买了版权,文档只能用于自身使用,不得用于其他商业用途(如 [转卖]进行直接盈利或[编辑后售卖]进行间接盈利)。
2、本站所有内容均由合作方或网友上传,本站不对文档的完整性、权威性及其观点立场正确性做任何保证或承诺!文档内容仅供研究参考,付费前请自行鉴别。
3、如文档内容存在违规,或者侵犯商业秘密、侵犯著作权等,请点击“违规举报”。

碎片内容

SaberScope的使用

确认删除?
VIP
微信客服
  • 扫码咨询
会员Q群
  • 会员专属群点击这里加入QQ群
客服邮箱
回到顶部