电脑桌面
添加小米粒文库到电脑桌面
安装后可以在桌面快捷访问

中级车工应知试题2VIP免费

中级车工应知试题2_第1页
1/6
中级车工应知试题2_第2页
2/6
中级车工应知试题2_第3页
3/6
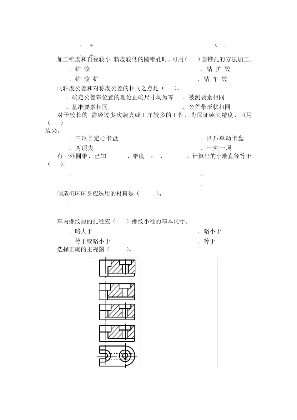
中级车工应知试题 2 一.填空题:(每空 1分、共 50分) 1.φ 30R6/h5是基 制, 配合。 2.切削液分为______________和______________两大类。 3.在零件图中、设计中的重要尺寸,要从 单独直接标注。 4.铁碳合金的基本相有 、 、 。 5.精车钢类工件应选用的硬质合金的牌号是______。 6.车孔的关键技术是解决内孔车刀的_______和_______问题。 7.包容要求常常用于有 要求的场合、间隙配合所需的间隙是通过孔和轴各自遵守 边界来保证。 8. 溢 流 阀 的 作 用 主 要 有 两 个 方 面 : 一 是 起 , 二 是起 。 9.使用内径百分表测量属于 测量法。 10.单个圆柱齿轮的画法中,在平行于齿轮轴线方向,若采用剖视,轮齿按 绘制,齿顶线和齿根线用 线,分度线用细点画线。 11.铰链四杆机构中,若最长杆与最短杆的长度之和 其余两杆长度之和则机构无曲柄,此时以 杆作机架,得到的都是双摇杆机构。 12.常用的工具圆锥有 和 两种。 13.机械图样中,字母和数字要写成斜体或直体,斜体向右倾斜,与水平基准线成 。 14.安全为了生产,生产必须 。 15.细牙普通螺纹与粗牙普通螺纹的不同点是,当公称直径相同时________比较小。 16.基准孔的 偏差为基本偏差,其数值为 ;用 字母表示。 17.低速车削三角形螺纹时的进刀方法有 、 和 。 18.为使安装和拆卸方便,在可能的条件下,最好将销孔做成 。 19.采用几个平行的剖切平面剖切时,、必须在相应视图上用 表示剖切 位置, 在 剖 切 平面 的 起 止和 转折标注 相 同的 字母, 剖切 符号 两 端用 表示投影方向,并在剖视图上方标出相同字母的名称“X-X”。 20.三角形螺纹按其规格及用途不同分___________、__________和___________三种。 21.断面图分 和 两种。 22.麻花钻是由_________、__________和__________三部分组成。 23.形位公差带由大小 、 、 和 四个因素确定。 24.研磨可以获得很高的_________和_________,还可以改善工件表面________误差。 25. 图 样.工 序 卡 片 应 放 置在 便于 ___________的 地 方 ,并注 意 保 持 其___________________。 二.选择题:(每题 1分、共 30分) 1.形位公差的基准代号中字母( )。 A.按垂直方向书写 B.按水平方向书写 C.按任意方向书写 D.与基准符号的方向一致 2. 后角的主要作用是减少( )的摩擦。 ...

1、当您付费下载文档后,您只拥有了使用权限,并不意味着购买了版权,文档只能用于自身使用,不得用于其他商业用途(如 [转卖]进行直接盈利或[编辑后售卖]进行间接盈利)。
2、本站所有内容均由合作方或网友上传,本站不对文档的完整性、权威性及其观点立场正确性做任何保证或承诺!文档内容仅供研究参考,付费前请自行鉴别。
3、如文档内容存在违规,或者侵犯商业秘密、侵犯著作权等,请点击“违规举报”。

碎片内容

中级车工应知试题2

您可能关注的文档

确认删除?
VIP
微信客服
  • 扫码咨询
会员Q群
  • 会员专属群点击这里加入QQ群
客服邮箱
回到顶部