电脑桌面
添加小米粒文库到电脑桌面
安装后可以在桌面快捷访问

最新人饮安全质量评定表格VIP免费

最新人饮安全质量评定表格_第1页
1/12
最新人饮安全质量评定表格_第2页
2/12
最新人饮安全质量评定表格_第3页
3/12
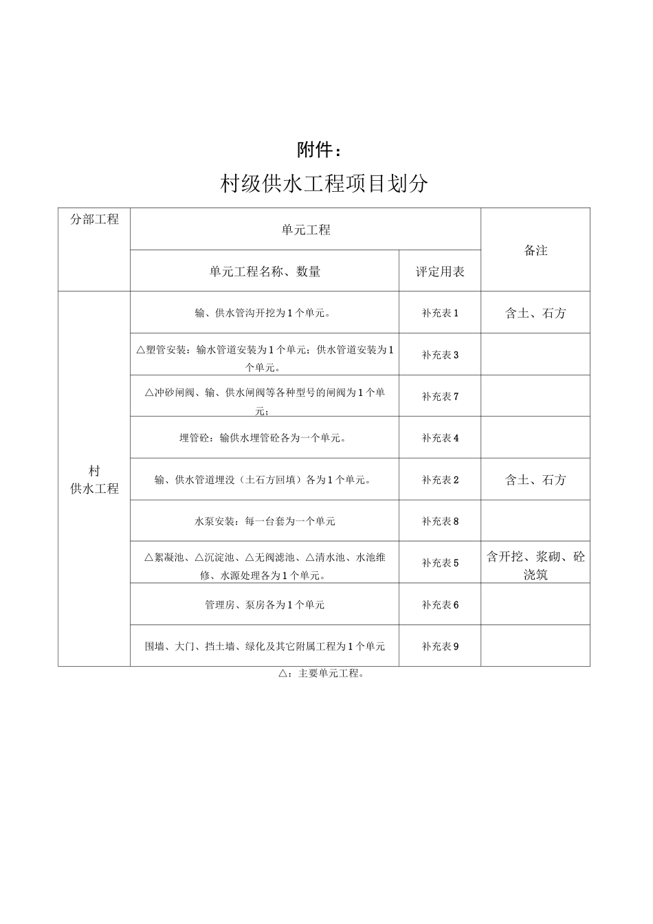
附件:村级供水工程项目划分分部工程单元工程备注单元工程名称、数量评定用表村供水工程输、供水管沟开挖为 1 个单元。补充表 1含土、石方△塑管安装:输水管道安装为 1 个单元;供水管道安装为 1个单元。补充表 3△冲砂闸阀、输、供水闸阀等各种型号的闸阀为 1 个单元;补充表 7埋管砼:输供水埋管砼各为一个单元。补充表 4输、供水管道埋没(土石方回填)各为 1 个单元。补充表 2含土、石方水泵安装:每一台套为一个单元补充表 8△絮凝池、△沉淀池、△无阀滤池、△清水池、水池维修、水源处理各为 1 个单元。补充表 5含开挖、浆砌、砼浇筑管理房、泵房各为 1 个单元补充表 6围墙、大门、挡土墙、绿化及其它附属工程为 1 个单元补充表 9△:主要单元工程。饮)补充表 1水利水电工程管沟开挖单元工程质量评定单位工程名称单元工程量分部工程名称酉阳县第三中学校供水工程施工单位酉阳县第三中学校单元工程名称、部位评定日期年月日项次检查项目质量标准检验记录1中心线符合设计要求2△底咼程、底宽不允许欠挖,尽量少超挖3△基础地质及处理对破碎带、洞穴及不稳定段的处理符合设计要求4边坡及坡面不陡于设计边坡;坡面平整、稳定、无松动泥土和岩5地下水处理对地下泉眼渗水处理应符合设计要求6△底面无泥渣、石块等杂物,底面平整,不得有尖角等突出7弃土位置及高度符合设计要求项次检测项目允许偏差(cm)实测值(cm)合格数(点)合格率(%)1中心线位置+5〜一 52底高程0〜一 23底宽0~+54上口宽0~+5检测结果共检测点,其中合格点,合格率%评定意见单元工程质量等级主要检查项目质量标准。一般检查项目质量标准。检测项目实测点合格率%。施工单位监理单位水利水电工程管沟填土单元工程质量评定表饮)补充表 2水利水电工程塑料管道安装单元工程质量评定表饮)补充表 3水利水电工程管道混凝土单元工程质量评定表水利水电工程管道混凝土单元工程质量评定表单位工程名称单元工程量分部工程名称酉阳县第三中学校供水工程施工单位酉阳县第三中学校单元工程名称、部位检验日期年月日次检查项目质量标准检验记录地层符合设计要求,高程、轮廓尺1△基槽开挖及清理寸符合清洗洁净,无积水,无积渣杂物一模板强度、刚度、尺2寸、位置符合设计要求3△入仓混凝土料符合质量要求4△振捣垂直插入下层 5cm,有次序,无漏振5 铺料间歇时间符合规定,无初凝现象6△深层及贯穿裂缝无7 麻面累计面积<0.5%c 蜂窝、表面裂缝、冷缝、...

1、当您付费下载文档后,您只拥有了使用权限,并不意味着购买了版权,文档只能用于自身使用,不得用于其他商业用途(如 [转卖]进行直接盈利或[编辑后售卖]进行间接盈利)。
2、本站所有内容均由合作方或网友上传,本站不对文档的完整性、权威性及其观点立场正确性做任何保证或承诺!文档内容仅供研究参考,付费前请自行鉴别。
3、如文档内容存在违规,或者侵犯商业秘密、侵犯著作权等,请点击“违规举报”。

碎片内容

最新人饮安全质量评定表格

您可能关注的文档

确认删除?
VIP
微信客服
  • 扫码咨询
会员Q群
  • 会员专属群点击这里加入QQ群
客服邮箱
回到顶部