电脑桌面
添加小米粒文库到电脑桌面
安装后可以在桌面快捷访问

-高层住宅模板工程施工方案VIP免费

-高层住宅模板工程施工方案_第1页
1/39
-高层住宅模板工程施工方案_第2页
2/39
-高层住宅模板工程施工方案_第3页
3/39
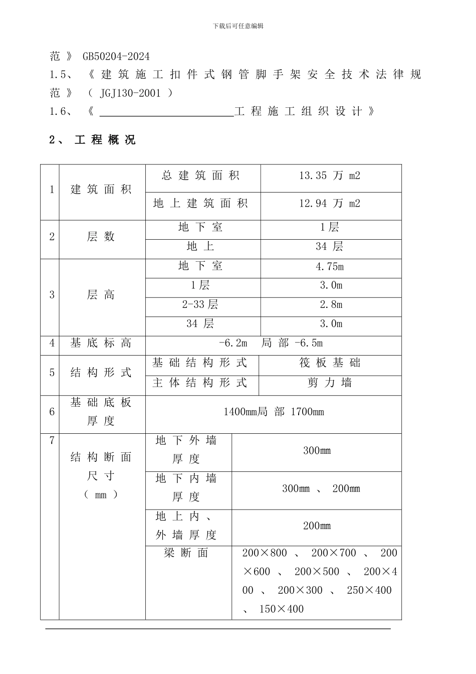
下载后可任意编辑目 录1 、 编 制 依 据 ......................................... 32 、 工 程 概 况 ........................................ 33 、 模 板 施 工 布 署 ................................... 43.1、 模 板 整 体 施 工 流 程 .......................... 43.1.1 、 地 下 室 部 位 流 程 ....................... 43.1.2 、 地 上 部 位 流 程 .......................... 43.2、 基 础 底 板 模 板 ................................ 43.2.1 、 底 板 外 侧 模 板 .......................... 43.2.2 、 集 水 坑 侧 模 ............................. 43.2.3 、 导 墙 模 板 ................................ 53.3、 柱 模 板 .........................................53.4、 现 浇 顶 板 和 梁 模 ............................. 63.5、 剪 力 墙 、 电 梯 井 模 板 ....................... 73.6、 楼 梯 模 板 ...................................... 73.7、 模 板 构 造 措 施 ................................ 83.7.1 、 支 托 构 造 要 求 .......................... 83.7.2 、 水 平 拉 杆 构 造 .......................... 83.7.3 、 钢 管 立 柱 的 构 造 ....................... 84 、 模 板 加 工 ......................................... 84.1模 板 加 工 的 要 求 ................................ 84.2模 板 加 工 的 管 理 与 验 收 ....................... 85 、 模 板 的 安 装 ............................ 85.1现 场 准 备 .........................................85.2墙 体 模 板 安 装 ................................... 95.3框 架 柱 模 板 安 装 ................................ 95.4梁 模 板 安 装 ..................................... 105.5顶 板 模 板 安 装 .................................. 106 、 模 板 验 算 ........................................ 116.1、 荷 载 与 荷 载 组 合 ............................ 116.2、 板 模 验 算 ..................................... 136.2.1 、 模 板 面...

1、当您付费下载文档后,您只拥有了使用权限,并不意味着购买了版权,文档只能用于自身使用,不得用于其他商业用途(如 [转卖]进行直接盈利或[编辑后售卖]进行间接盈利)。
2、本站所有内容均由合作方或网友上传,本站不对文档的完整性、权威性及其观点立场正确性做任何保证或承诺!文档内容仅供研究参考,付费前请自行鉴别。
3、如文档内容存在违规,或者侵犯商业秘密、侵犯著作权等,请点击“违规举报”。

碎片内容

-高层住宅模板工程施工方案

您可能关注的文档

确认删除?
VIP
微信客服
  • 扫码咨询
会员Q群
  • 会员专属群点击这里加入QQ群
客服邮箱
回到顶部