电脑桌面
添加小米粒文库到电脑桌面
安装后可以在桌面快捷访问

01钢筋混凝土电杆焊接作业指导书VIP免费

01钢筋混凝土电杆焊接作业指导书_第1页
1/6
01钢筋混凝土电杆焊接作业指导书_第2页
2/6
01钢筋混凝土电杆焊接作业指导书_第3页
3/6
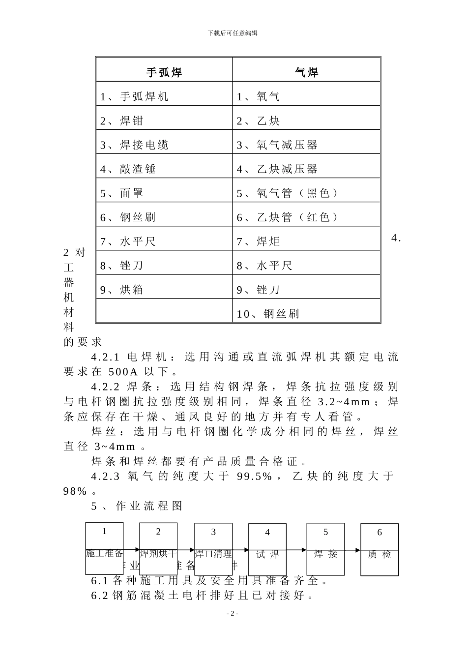
下载后可任意编辑1 、 使 用 范 围本 作 业 指 导 书 使 用 于 500kV 及 以 下 送 变 电 工 程 钢 筋混 凝 土 电 杆 焊 接 施 工 。2 、 编 写 依 据2.1 特 别 工 序 控 制 程 序 编 号 : QP09-012.2 《 110~500kV 架 空 电 力 线 路 施 工 及 验 收 法 律 规范 》编 号 : GBJ233-902.3 《 35kV 及 以 下 架 空 电 力 线 路 施 工 及 验 收 法 律 规范 》 编 号 : GB50173-922.4 《 电 力 建 设 安 全 工 作 规 程 ( 架 空 电 力 线 路 部分 ) 》 编 号 : DL5009.2-943 、 对 作 业 人 员 的 要 求 及 资 格3.1 作 业 组 长3.1.1 具 有 高 中 以 上 文 化 程 度 。3.1.2 从 事 焊 接 工 作 5 年 以 上 , 熟 悉 焊 接 标 准 及 技术 法 律 规 范 。3.1.3 经 电 杆 焊 接 培 训 考 试 合 格 并 持 有 焊 工 资 格 证书 。3.2 焊 工3.2.1 具 有 初 中 以 上 文 化 程 度 。3.2.2 从 事 焊 接 工 作 3 年 以 上 , 了 解 焊 接 标 准 及 技术 法 律 规 范 。3.2.3 经 电 杆 焊 接 培 训 考 试 合 格 并 持 有 焊 工 资 格 证书 。 焊 工 停 焊 时 间 超 过 6 个 月 , 焊 工 资 格 证 书 失 效 应 重新 考 核 。4 、 作 业 所 需 机 具 、 工 具 、 仪 器 、 仪 表 、 材 料 的 规格 要 求4.1 砼 焊 接 作 业 所 需 机 具 、 工 具 、 材 料 表 :- 1 -下载后可任意编辑4.2 对工器机材料的 要 求4.2.1 电 焊 机 : 选 用 沟 通 或 直 流 弧 焊 机 其 额 定 电 流要 求 在 500A 以 下 。4.2.2 焊 条 : 选 用 结 构 钢 焊 条 , 焊 条 抗 拉 强 度 级 别与 电 杆 钢 圈 抗 拉 强 度 级 别 相 同 , 焊 条 直 径 3.2~4mm ; 焊条 应 保 存 在 干 燥 、 通 风 良 好 的 地 方 并 有 专 人 看 管 。焊 丝 : 选 用 与 电 杆 钢 圈 化 学 成 分 相 同 的 焊 丝 , 焊 丝直 径 3~4mm 。焊 条 和 焊 丝 都 要 有 产 品 质 量 合 格 证 。4.2.3 氧 气 的 纯 度 大 于 99....

1、当您付费下载文档后,您只拥有了使用权限,并不意味着购买了版权,文档只能用于自身使用,不得用于其他商业用途(如 [转卖]进行直接盈利或[编辑后售卖]进行间接盈利)。
2、本站所有内容均由合作方或网友上传,本站不对文档的完整性、权威性及其观点立场正确性做任何保证或承诺!文档内容仅供研究参考,付费前请自行鉴别。
3、如文档内容存在违规,或者侵犯商业秘密、侵犯著作权等,请点击“违规举报”。

碎片内容

01钢筋混凝土电杆焊接作业指导书

一帆文传+ 关注
实名认证
内容提供者

欢迎光临店铺,各类公文供您挑选。

确认删除?
VIP
微信客服
  • 扫码咨询
会员Q群
  • 会员专属群点击这里加入QQ群
客服邮箱
回到顶部