电脑桌面
添加小米粒文库到电脑桌面
安装后可以在桌面快捷访问

15小微企业安全生产标准化评定标准VIP专享VIP免费

15小微企业安全生产标准化评定标准_第1页
1/8
15小微企业安全生产标准化评定标准_第2页
2/8
15小微企业安全生产标准化评定标准_第3页
3/8
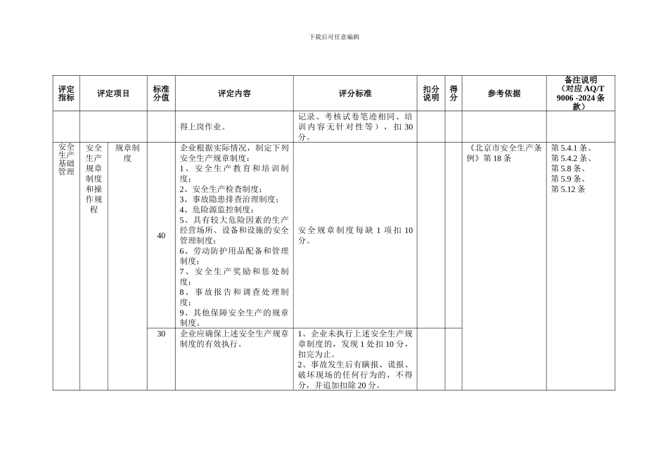
下载后可任意编辑怀柔区小微企业安全生产标准化评定标准安全生产标准化自/复评汇总表序号考评内容应得分拥有总数量抽查数量抽查不合格数抽查不合格率实得分备注一、安全生产基础管理(合计应得分 450 分,实得分 分)1资质证照/2安全管理机构或人员303安全生产责任制404安全教育培训505安全规章制度和操作规程1006安全记录档案307应急救援708安全生产资金保障359其他(持续改进,隐患自查自报工作)95二、安全生产现场管理(合计应得分 550 分,实得分 分)1设备设施902作业安全3403场所环境604从业人员操作行为60下载后可任意编辑怀柔区小微企业安全生产标准化评定标准评定指标评定项目标准分值评定内容评分标准扣分说明得分参考依据备注说明(对应 AQ/T 9006 -2024 条款)安全生产基础管理资 质证照营业执照/取得营业执照。※无营业执照或营业执照未按期年检,即为否决。《中华人民共和国公司法》第 7 条/安全管理机构或人员30应当配备专职或者兼职安全生产管理人员,或者委托具有国家规定的相关专业技术资格的工程技术人员提供安全生产管理。1、未按规定配备人员的,不得分;2、未以文件形式进行设置或任命的,不得分;3、设置或配备不符合规定的,扣 10 分;4、扣满 30 分的,追加扣除 10分。《中华人民共和国安全生产法》第 19 条《北京市安全生产条例》第 26 条第 5.2.1 条安全生产责任制安全生产目标10制定企业安全生产方针、目标和不低于上级下达的安全考核指标。未制定安全生产方针、目标、安全考核指标扣 10 分。AQ/T9006-2024 《 企业安全生产标准化基本法律规范》第 5.1条第 5.1 条责任制制定及内容要求301、建立、健全安全生产责任制,并传达至责任人员;2、责任制应当明确各岗位的责任人员、责任内容和考核要求,做到“一岗一责”。1 、 未 制 定 安 全 责 任 制 扣 30分;2、有安全责任制,未明确岗位责任人员扣 20 分;3、有安全责任制,未明确岗位责任内容扣 20 分;4、有安全责任制,未明确考核要求扣 10 分。《中华人民共和国安全生产法》第 4 条、第 17 条《北京市安全生产条例》第 4 条、第 15条第 5.2.2 条安全教育培训50应当对从业人员进行安全生产教育和培训。未经安全生产教育和培训合格的从业人员,不1、未对从业人员进行培训,每人次扣 10 分;2、培训流于形式(如伪造培训《北京市安全生产条例》第 18 条第 5.5 条下载后可任意编辑评定指标评定项目标...

1、当您付费下载文档后,您只拥有了使用权限,并不意味着购买了版权,文档只能用于自身使用,不得用于其他商业用途(如 [转卖]进行直接盈利或[编辑后售卖]进行间接盈利)。
2、本站所有内容均由合作方或网友上传,本站不对文档的完整性、权威性及其观点立场正确性做任何保证或承诺!文档内容仅供研究参考,付费前请自行鉴别。
3、如文档内容存在违规,或者侵犯商业秘密、侵犯著作权等,请点击“违规举报”。

碎片内容

15小微企业安全生产标准化评定标准

MY shop+ 关注
实名认证
内容提供者

欢迎挑选适合自己的材料。

确认删除?
VIP
微信客服
  • 扫码咨询
会员Q群
  • 会员专属群点击这里加入QQ群
客服邮箱
回到顶部