电脑桌面
添加小米粒文库到电脑桌面
安装后可以在桌面快捷访问

国标法兰尺寸对照表VIP免费

国标法兰尺寸对照表_第1页
1/8
国标法兰尺寸对照表_第2页
2/8
国标法兰尺寸对照表_第3页
3/8
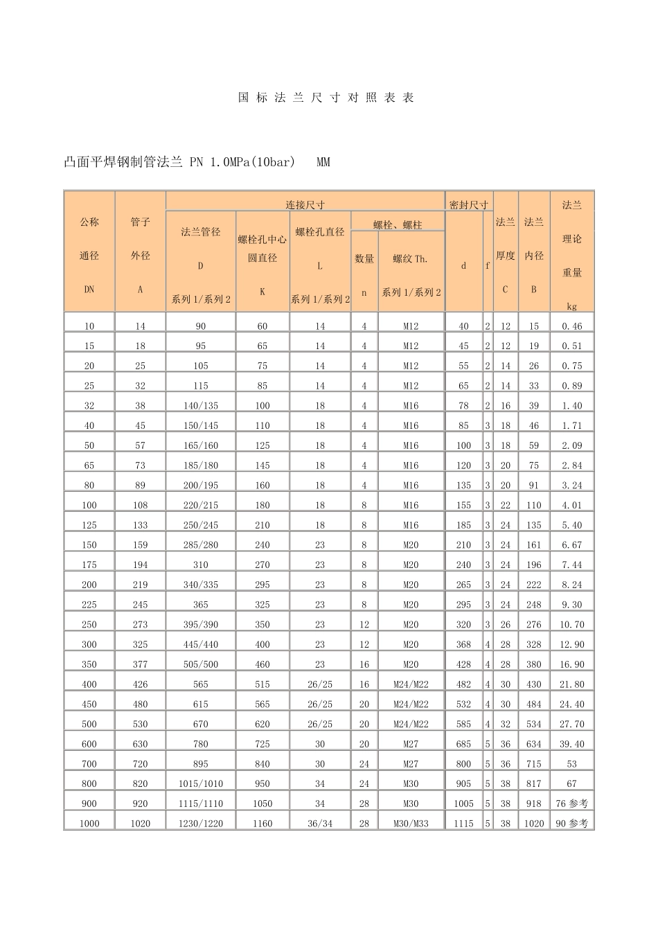
国标法兰尺寸对照表表 凸面平焊钢制管法兰 PN 1.0MPa(10bar) MM 公称 通径 DN 管子 外径 A 连接尺寸 密封尺寸 法兰 厚度 C 法兰 内径 B 法兰 理论 重量 kg 法兰管径 D 系列1/系列2 螺栓孔中心圆直径 K 螺栓孔直径 L 系列1/系列2 螺栓、螺柱 d f 数量 n 螺纹 Th. 系列1/系列2 10 14 90 60 14 4 M12 40 2 12 15 0.46 15 18 95 65 14 4 M12 45 2 12 19 0.51 20 25 105 75 14 4 M12 55 2 14 26 0.75 25 32 115 85 14 4 M12 65 2 14 33 0.89 32 38 140/135 100 18 4 M16 78 2 16 39 1.40 40 45 150/145 110 18 4 M16 85 3 18 46 1.71 50 57 165/160 125 18 4 M16 100 3 18 59 2.09 65 73 185/180 145 18 4 M16 120 3 20 75 2.84 80 89 200/195 160 18 4 M16 135 3 20 91 3.24 100 108 220/215 180 18 8 M16 155 3 22 110 4.01 125 133 250/245 210 18 8 M16 185 3 24 135 5.40 150 159 285/280 240 23 8 M20 210 3 24 161 6.67 175 194 310 270 23 8 M20 240 3 24 196 7.44 200 219 340/335 295 23 8 M20 265 3 24 222 8.24 225 245 365 325 23 8 M20 295 3 24 248 9.30 250 273 395/390 350 23 12 M20 320 3 26 276 10.70 300 325 445/440 400 23 12 M20 368 4 28 328 12.90 350 377 505/500 460 23 16 M20 428 4 28 380 16.90 400 426 565 515 26/25 16 M24/M22 482 4 30 430 21.80 450 480 615 565 26/25 20 M24/M22 532 4 30 484 24.40 500 530 670 620 26/25 20 M24/M22 585 4 32 534 27.70 600 630 780 725 30 20 M27 685 5 36 634 39.40 700 720 895 840 30 24 M27 800 5 36 715 53 800 820 1015/1010 950 34 24 M30 905 5 38 817 67 900 920 1115/1110 1050 34 28 M30 1005 5 38 918 76 参考 1000 1020 1230/1220 1160 36/34 28 M30/M33 1115 5 38 1020 90 参考 1100 1120 1340 1270 36 28 M33 1222 5 40 125 参考 1200 1220 1455/1450 1380 39/41 32 M36 1325 5 44 1223 143 参考 凸面平焊钢制管法兰 PN 1.6MPa(16bar) MM 公称 通径...

1、当您付费下载文档后,您只拥有了使用权限,并不意味着购买了版权,文档只能用于自身使用,不得用于其他商业用途(如 [转卖]进行直接盈利或[编辑后售卖]进行间接盈利)。
2、本站所有内容均由合作方或网友上传,本站不对文档的完整性、权威性及其观点立场正确性做任何保证或承诺!文档内容仅供研究参考,付费前请自行鉴别。
3、如文档内容存在违规,或者侵犯商业秘密、侵犯著作权等,请点击“违规举报”。

碎片内容

国标法兰尺寸对照表

您可能关注的文档

确认删除?
VIP
微信客服
  • 扫码咨询
会员Q群
  • 会员专属群点击这里加入QQ群
客服邮箱
回到顶部