电脑桌面
添加小米粒文库到电脑桌面
安装后可以在桌面快捷访问

地下防水卷材防水层施工工艺标准VIP免费

地下防水卷材防水层施工工艺标准_第1页
1/14
地下防水卷材防水层施工工艺标准_第2页
2/14
地下防水卷材防水层施工工艺标准_第3页
3/14
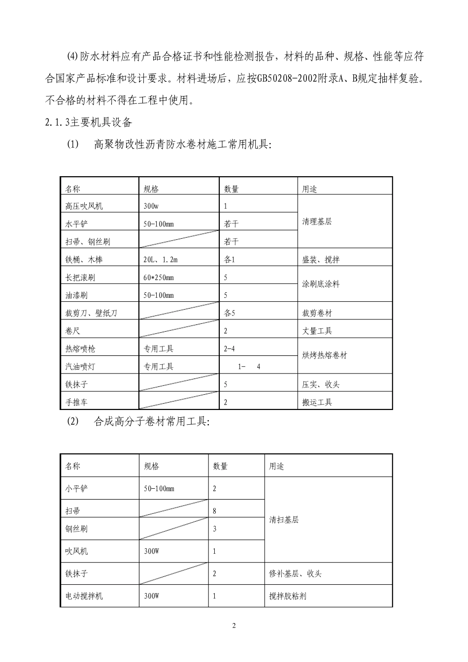
卷材防水层施工工艺标准 版本:第1版 文件编号:JI-JS-QB0105-03-2004 1 适用范围 卷材防水层适用于受侵蚀介质作用或受振动作用的地下工程。卷材防水层应铺设在混凝土结构主体的迎水面上,用于建筑物地下室应铺设在结构主体底板垫层至墙体顶端的基面上,在外围形成封闭的防水层。防水卷材主要包括沥青防水卷材、高分子合成防水卷材和高聚物改性沥青防水卷材三大系列。高分子合成(三元乙丙)橡胶卷材工艺适用于工业与民用建筑地下高分子类三元乙丙橡胶防水卷材铺贴地下防水层工程施工。改性沥青油毡(SBS)防水层工艺适用于改性沥青地下防水层工程施工。 2 施工准备 2.1卷材防水层 2.1.1技术准备 (1)地下防水工程施工前,施工单位应进行图纸会审,掌握工程主体及细部构造的防水技术要求,并编制防水工程的施工方案。 (2)地下防水工程必须由相应资质的专业防水队伍进行施工;主要施工人员应持有建设行政主管部门或其指定单位颁发的执业资格证书。 2.1.2材料要求 (1)地下室工程卷材防水层应选用延伸率较大的合成高分子卷材或聚脂胎高聚物改性沥青防水卷材。所选用的基层处理剂、胶粘 剂、密 封材料等 配 套 材料,均 应与铺贴的卷材材性相容 。 (2)高聚物改性沥青防水卷材:单层使 用时 ,厚 度 不 应小 于4mm,双 层、复 合使 用时 ,每 层厚 度 不 应小 于3mm。 (3)合成高分子防水卷材:单层使 用时 ,厚 度 不 应小 于1.5mm,双 层、复 合使 用时 ,每 层厚 度 不 应小 于1.4mm。 1(4)防水材料应有产品合格证书和性能检测报告,材料的品种、规格、性能等应符合国家产品标准和设计要求。材料进场后,应按GB50208-2002附录A、B规定抽样复验。不合格的材料不得在工程中使用。 2.1.3主要机具设备 (1) 高聚物改性沥青防水卷材施工常用机具: 名称 规格 数量 用途 高压吹风机 300w 1 水平铲 50-100mm 若干 扫帚、钢丝刷 若干 清理基层 铁桶、木棒 20L、1.2m 各1 盛装、搅拌 长把滚刷 60*250mm 5 油漆刷 50-100mm 5 涂刷底涂料 裁剪刀、壁纸刀 各5 裁剪卷材 卷尺 2 丈量工具 热熔喷枪 专用工具 2-4 汽油喷灯 专用工具 1- 4 烘烤热熔卷材 铁抹子 5 压实、收头 手推车 2 搬运工具 (2) 合成高分子卷材常用工具: 名称 规格 数量 用途 小平铲 50-100mm 2 扫帚 8 钢丝刷 3 吹风机 300W 1 清扫基层 铁抹子 2 修补基层、收头 电动搅...

1、当您付费下载文档后,您只拥有了使用权限,并不意味着购买了版权,文档只能用于自身使用,不得用于其他商业用途(如 [转卖]进行直接盈利或[编辑后售卖]进行间接盈利)。
2、本站所有内容均由合作方或网友上传,本站不对文档的完整性、权威性及其观点立场正确性做任何保证或承诺!文档内容仅供研究参考,付费前请自行鉴别。
3、如文档内容存在违规,或者侵犯商业秘密、侵犯著作权等,请点击“违规举报”。

碎片内容

地下防水卷材防水层施工工艺标准

确认删除?
VIP
微信客服
  • 扫码咨询
会员Q群
  • 会员专属群点击这里加入QQ群
客服邮箱
回到顶部