电脑桌面
添加小米粒文库到电脑桌面
安装后可以在桌面快捷访问

型式评价报告模板VIP免费

型式评价报告模板_第1页
1/8
型式评价报告模板_第2页
2/8
型式评价报告模板_第3页
3/8
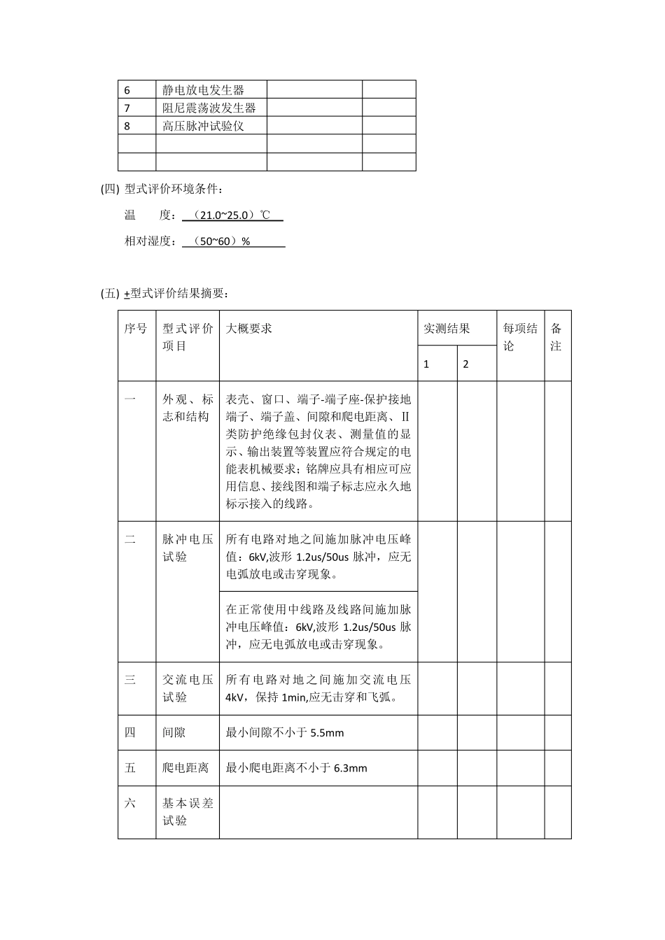
计量器具 型式试验评价报告 Report of Pattern Evaluation 甲:委托的基本情况 (一) 制造单位: (二) 委托单位: 委托日期: 乙:计量器具的型式评价情况 (一) 计量器具的基本情况 计量器具的名称 型号、规格、准确度等级 样机编号 取样方式 型号:DDXXX 规格:220V、1.5(60)A 准确度等级:1 级 自送样 (二) 型式评价的依据: 型式评价大纲: (三) 主要计量标准器具和设备名称、型号: 序号 仪器设备名称 型号 编号 1 电能表检定装置 2 冲击碰撞台 3 灼热丝试验仪 4 耐压测试仪 5 浪涌脉冲发生器 6 静电放电发生器 7 阻尼震荡波发生器 8 高压脉冲试验仪 (四) 型式评价环境条件: 温 度: (21.0~25.0)℃ 相对湿度: (50~60)% (五) +型式评价结果摘要: 序号 型式评价项目 大概要求 实测结果 每项结论 备注 1 2 一 外观、标志和结构 表壳、窗口、端子-端子座-保护接地端子、端子盖、间隙和爬电距离、Ⅱ类防护绝缘包封仪表、测量值的显示、输出装置等装置应符合规定的电能表机械要求;铭牌应具有相应可应用信息、接线图和端子标志应永久地标示接入的线路。 二 脉冲电压试验 所有电路对地之间施加脉冲电压峰值:6kV,波形 1.2us/50us 脉冲,应无电弧放电或击穿现象。 在正常使用中线路及线路间施加脉冲电压峰值:6kV,波形 1.2us/50us 脉冲,应无电弧放电或击穿现象。 三 交流电压试验 所有电路对地之间施加交流电压4kV,保持 1min,应无击穿和飞弧。 四 间隙 最小间隙不小于 5.5mm 五 爬电距离 最小爬电距离不小于 6.3mm 六 基本误差试验 七 仪 表 常 数 测 试 输 出 与 显 示 器 指 示 之 间 的 关 系应 与 铭 牌 标 志 一 致 。 八 起 动 试 验 在 规 定 电 流 条 件 下 , 仪 表 应 能 起 动 并连 续 记 录 。 九 潜 动 试 验 仪 表 加115%Un 电 流 回 路 中 没 有 电流 , 其 测 试 输 出 端 不 应 产 生 多 于 一 个的 脉 冲 。 十 环 境 改 变影 响 变 差 ≤ 0.05%/℃ ( PF=1.0) 变 差 ≤ 0.07%/℃ ( PF=0.5L) 十 一 外 磁 感 应强度0.5mT 变 差 ≤ 2.0% 十 二 短 时 过 电流 影 响 实验 短 时 过 电 流 不 应 损 坏 仪 表 。 当 恢 复 至初 始 条 件 时 , 仪 表 应 能 正 常 ...

1、当您付费下载文档后,您只拥有了使用权限,并不意味着购买了版权,文档只能用于自身使用,不得用于其他商业用途(如 [转卖]进行直接盈利或[编辑后售卖]进行间接盈利)。
2、本站所有内容均由合作方或网友上传,本站不对文档的完整性、权威性及其观点立场正确性做任何保证或承诺!文档内容仅供研究参考,付费前请自行鉴别。
3、如文档内容存在违规,或者侵犯商业秘密、侵犯著作权等,请点击“违规举报”。

碎片内容

型式评价报告模板

确认删除?
VIP
微信客服
  • 扫码咨询
会员Q群
  • 会员专属群点击这里加入QQ群
客服邮箱
回到顶部