1.4.3.2 锤击式钢管桩施工工艺标准钢管桩采纳工厂生产的螺旋焊接钢管打(沉)入土沉桩。这种桩具有重量轻、刚性好 ;易于加工、搬运、堆...
研发可行走式钢桁架移动操作平台 中建八局第四建设有限公司 —— 德州万达“筑梦人”QC 小组一、课题概况1.1 工程概况建设单位:德州...
悬挑式钢平台作业安全技术措施 1)进入现场,必须戴好安全帽,扣好帽带,并正确使用个人劳动防护用具。2)悬空作业处应有牢靠的立足处,并必...
施工现场悬挑式钢平台安全操作技术导则一、严格执行有关管理规定 (一)悬挑式钢平台的设置,施工单位须依据《建筑施工高处作业安全技术法...
悬挑式钢平台制作及安装安全技术交底交底内容:1、进入施工现场要戴好安全帽。2、不准在高空开既,严禁喝酒后作业。3、不准穿拖鞋、硬底鞋、...
悬挑式钢平台作业安全技术交底1.进入现场,必须戴好安全帽,扣好帽带,并正确合理使用个人劳动防护用具。2.悬空作业处应有牢靠的立足处,...
建筑施工扣件式钢管脚手架构配件的要求建筑施工扣件式钢管脚手架构配件要求有哪些1、钢管1.1 脚手架钢管应采纳现行国家标准《直缝电焊钢管...
学位论文受冲击格构式钢拱弹塑性失稳数值模拟与试验讨论Study on Elastic-plastic Bucking of Steel Lattice ArchAffected by Imp...
锦艺金水湾观臻苑承插型盘扣式钢管脚手架模板施工方案编 制 人: 审 核 人: 审 批 人: 编制日期: 目 录一、编制依据...........
下承式钢桁架桥施工监控要点讨论 摘要:为了确保钢桁架梁桥在施工过程中结构受力和变形始终处于安全的范围内,且成桥后的主梁线形符合设计...
河北省装配式钢结构工程定额
w ord 版本 1. 编制依据 序号 名称 编号 1 《重庆国际博览中心钢结构施工图纸》 / 2 《重庆国际博览中心钢结构深化图纸》 / ...
悬挑式钢平台(一)基本要求采用型钢制作定型化、工具式的平台,安装于结构层,为垂直运输设备转运周转料具、建筑材料的提供平台。1. 平台...
精品文档---下载后可任意编辑下承式钢系杆叠拱组合梁桥桥面系对比讨论开题报告一、讨论背景目前,随着交通事业的进展,桥梁结构得到了广泛...
精品文档---下载后可任意编辑下承式钢系杆叠拱组合梁桥桥面系对比讨论中期报告讨论背景受到交通运输的日益增加和城市化进程的加速,公路桥...
精品文档---下载后可任意编辑毛宏鑫(中电投贵州金元集团股份有限公司纳雍发电总厂)摘要:分析磨煤机大齿轮发生断裂、磨损的原因,针对对...
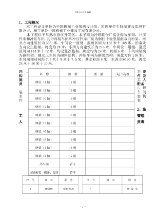
下载后可任意编辑1、 工程概况本工程设计单位为中国机械工业第四设计院, 监理单位生特瑞建设监理有限公司, 施工单位中国机械工业建设工...
下载后可任意编辑1、工程概况本工程设计单位为中国机械工业第四设计院,监理单位生特瑞建设监理有限公司,施工单位中国机械工业建设工程有...
1 锦城明珠卸料平台专项施工方案建设单位:四川大方实业有限公司施工单位:遂宁发兴建筑工程有限责任公司监理单位: 四川蓉科强工程管理...
仅供参考 [整理 ] 第 1 页 共 4 页安全管理文书悬挑式钢平台作业安全技术措施日期: __________________单位: ________________...

